電磁爐工作原理與故障分析講座(1)
版本2
一、簡介
1.1 電磁加熱原理
電磁灶是一種利用電磁感應原理將電能轉換為熱能的廚房電器。在電磁灶內部,由整流電路將 50/60Hz 的交流電壓變成直流電壓,再經過控制電路將直流電壓轉換成頻率為 20-40KHz 的高頻電壓,高速變化的電流流過線圈會產生高速變化的磁場,當磁場內的磁力線通過金屬器皿 ( 導磁又導電材料 ) 底部金屬體內產生無數的小渦流,使器皿本身自行高速發熱,然后再加熱器皿內的東西。
1.2 47 系列筒介
47 系列是由正夫人旗下中山電子技術開發制造廠設計開發的全新一代電磁爐 ,面板 有 LED 發光二極管顯示模式、 LED 數碼顯示模式、 LCD 液晶顯示模式、 VFD 瑩光顯示模式、 TFT 真彩顯示模式機種。操作功能有加熱火力調節、自動恒溫設定、定時關機、預約開 / 關機、預置操作模式、自動泡茶、自動煮飯、自動煲粥、自動煲湯及煎、炸、烤、火鍋等料理功能機種。額定加熱功率有 500W~3400W 的不同機種 , 功率調節范圍為額定功率的 90%, 并且在全電壓范圍內功率自動恒定。 200~240V 機種電壓使用范圍為 160~260V, 100~120V 機種電壓使用范圍為 90~135V 。全系列機種均適用于 50 、 60Hz 的電壓頻率。使用環境溫度為 -23 ℃ ~45 ℃。電控功能有鍋具超溫保護、鍋具干燒保護、鍋具傳感器開 / 短路保護、 2 小時不按鍵 ( 忘鉀機 ) 保護、 IGBT 溫度限制、 IGBT 溫度過高保護、低溫環境工作模式、 IGBT 測溫傳感器開 / 短路保護、高低電壓保護、浪涌電壓保護、 VCE 抑制、 VCE 過高保護、過零檢測、小物檢測、鍋具材質檢測。
47 系列須然機種較多 , 且功能復雜 , 但不同的機種其主控電路原理一樣 , 區別只是零件參數的差異及 CPU 程序不同而己。電路的各項測控主要由一塊 8 位 4K 內存的單片機組成 , 外圍線路簡單且零件極少 , 并設有故障報警功能 , 故電路可靠性高 , 維修容易 , 維修時根據故障報警指示 , 對應檢修相關單元電路 , 大部分均可輕易解決。
二、電磁爐工作原理分析
2.1 特殊零件簡介
2.1.1 LM339 集成電路
LM339 內置四個翻轉電壓為 6mV 的電壓比較器 , 當電壓比較器輸入端電壓正向時 (+ 輸入端電壓高于 - 入輸端電壓 ), 置于 LM339 內部控制輸出端的三極管截止 , 此時輸出端相當于開路 ; 當電壓比較器輸入端電壓反向時 (- 輸入端電壓高于 + 輸入端電壓 ), 置于 LM339 內部控制輸出端的三極管導通 , 將比較器外部接入輸出端的電壓拉低 , 此時輸出端為 0V
2.1.2 IGBT
絕緣雙柵極晶體管 (Iusulated Gate Bipolar Transistor)簡稱IGBT,是一種集BJT的大電流密度和MOSFET等電壓激勵場控型器件優點于一體的高壓、高速大功率器件。 目前有用不同材料及工藝制作的 IGBT, 但它們均可被看作是一個MOSFET輸入跟隨一個雙極型晶體管放大的復合結構。 IGBT有三個電極(見上圖), 分別稱為柵極G(也叫控制極或門極) 、集電極C(亦稱漏極) 及發射極E(也稱源極) 。 從IGBT的下述特點中可看出, 它克服了功率MOSFET的一個致命缺陷, 就是于高壓大電流工作時, 導通電阻大, 器件發熱嚴重, 輸出效率下降。 IGBT的特點: 1.電流密度大, 是MOSFET的數十倍。 2.輸入阻抗高, 柵驅動功率極小, 驅動電路簡單。
3.低導通電阻。在給定芯片尺寸和BVceo下, 其導通電阻Rce(on) 不大于MOSFET的Rds(on) 的10%。 4.擊穿電壓高, 安全工作區大, 在瞬態功率較高時不會受損壞。 5.開關速度快, 關斷時間短,耐壓1kV~1.8kV的約1.2us、600V級的約0.2us, 約為GTR的10%,接近于功率MOSFET, 開關頻率直達100KHz, 開關損耗僅為GTR的30%。 IGBT將場控型器件的優點與GTR的大電流低導通電阻特性集于一體, 是極佳的高速高壓半導體功率器件。
目前 458 系列因應不同機種采了不同規格的 IGBT, 它們的參數如下 :
(1) SGW25N120---- 西門子公司出品 , 耐壓 1200V, 電流容量 25 ℃ 時 46A,100 ℃ 時 25A, 內部不帶阻尼二極管 , 所以應用時須配套 6A/1200V 以上的快速恢復二極管 (D11) 使用 , 該 IGBT 配套 10A/1200/1500V 以上的快速恢復二極管 (D11) 后可代用 SKW25N120 。
(2) SKW25N120---- 西門子公司出品 , 耐壓 1200V, 電流容量 25 ℃ 時 46A,100 ℃ 時 25A, 內部帶阻尼二極管 , 該 IGBT 可代用 SGW25N120, 代用時將原配套 SGW25N120 的 D11 快速恢復二極管拆除不裝。
(3) GT40Q321---- 東芝公司出品 , 耐壓 1200V, 電流容量 25 ℃ 時 42A,100 ℃ 時 23A, 內部帶阻尼二極管 , 該 IGBT 可代用 SGW25N120 、 SKW25N120, 代用 SGW25N120 時請將原配套該 IGBT 的 D11 快速恢復二極管拆除不裝。
(4) GT40T101---- 東芝公司出品 , 耐壓 1500V, 電流容量 25 ℃ 時 80A,100 ℃ 時 40A, 內部不帶阻尼二極管 , 所以應用時須配套 15A/1500V 以上的快速恢復二極管 (D11) 使用 , 該 IGBT 配套 6A/1200V 以上的快速恢復二極管 (D11) 后可代用 SGW25N120 、 SKW25N120 、 GT40Q321, 配套 15A/1500V 以上的快速恢復二極管 (D11) 后可代用 GT40T301 。
(5) GT40T301---- 東芝公司出品 , 耐壓 1500V, 電流容量 25 ℃ 時 80A,100 ℃ 時 40A, 內部帶阻尼二極管 , 該 IGBT 可代用 SGW25N120 、 SKW25N120 、 GT40Q321 、 GT40T101, 代用 SGW25N120 和 GT40T101 時請將原配套該 IGBT 的 D11 快速恢復二極管拆除不裝。
(6) GT60M303 ---- 東芝公司出品 , 耐壓 900V, 電流容量 25 ℃ 時 120A,100 ℃ 時 60A, 內部帶阻尼二極管。
(7) GT40Q323---- 東芝公司出品 , 耐壓 1200V, 電流容量 25 ℃ 時 40A,100 ℃ 時 20A, 內部帶阻尼二極管 , 該 IGBT 可代用 SGW25N120 、 SKW25N120, 代用 SGW25N120 時請將原配套該 IGBT 的 D11 快速恢復二極管拆除不裝。
(8) FGA25N120---- 美國仙童公司出品 , 耐壓 1200V, 電流容量 25 ℃ 時 42A,100 ℃ 時 23A, 內部帶阻尼二極管 , 該 IGBT 可代用 SGW25N120 、 SKW25N120, 代用 SGW25N120 時請將原配套該 IGBT 的 D11 快速恢復二極管拆除不裝。
2.2 電路方框圖
時間 t1~t2 時當開關脈沖加至 IGBTQ1 的 G 極時 , IGBTQ1 飽和導通 , 電流 i1 從電源流過 L1, 由于線圈感抗不允許電流突變 . 所以在 t1~t2 時間 i1 隨線性上升 , 在 t2 時脈沖結束 , IGBTQ1 截止 , 同樣由于感抗作用 ,i1 不能立即突變 0, 于是向 C3 充電 , 產生充電電流 i2, 在 t3 時間 ,C3 電荷充滿 , 電流變 0, 這時 L1 的磁場能量全部轉為 C3 的電場能量 , 在電容兩端出現左負右正 , 幅度達到峰值電壓 , 在 IGBTQ1 的 CE 極間出現的電壓實際為逆程脈沖峰壓 + 電源電壓 , 在 t3~t4 時間 ,C3 通過 L1 放電完畢 ,i3 達到最大值 , 電容兩端電壓消失 , 這時電容中的電能又全部轉化為 L1 中的磁能 , 因感抗作用 ,i3 不能立即突變 0, 于是 L1 兩端電動勢反向 , 即 L1 兩端電位左正右負 , 由于 IGBT 內部阻尼管的存在 ,C3 不能繼續反向充電 , 而是經過 C2 、 IGBT 阻尼管回流 , 形成電流 i4, 在 t4 時間 , 第二個脈沖開始到來 , 但這時 IGBTQ1 的 UE 為正 ,UC 為負 , 處于反偏狀態 , 所以 IGBTQ1
不能導通 , 待 i4 減小到 0,L1 中的磁能放完 , 即到 t5 時 IGBTQ1 才開始第二次導通 , 產生 i5 以后又重復 i1~i4 過程 , 因此在 L1 上就產生了和開關脈沖 f(20KHz~30KHz) 相同的交流電流。 t4~t5 的 i4 是 IGBT 內部阻尼管的導通
電流 , 在高頻電流一個電流周期里 ,t2~t3 的 i2 是線盤磁能對電容 C3 的充電電流 ,t3~t4 的 i3 是逆程脈沖峰壓通過 L1 放電的電流 ,t4~t5 的 i4 是 L1 兩端電動勢反向時 , 因的存在令 C3 不能繼續反向充電 , 而經過 C2 、 IGBT 阻尼管回流所形成的阻尼電流 ,IGBTQ1 的導通電流實際上是 i1 。
IGBTQ1 的 VCE 電壓變化 : 在靜態時 ,UC 為輸入電源經過整流后的直流電源 ,t1~t2,IGBTQ1 飽和導通 ,UC 接近地電位 ,t4~t5, IGBT 阻尼管導通 ,UC 為負壓 ( 電壓為阻尼二極管的順向壓降 ),t2~t4, 也就是 LC 自由振蕩的半個周期 ,UC 上出現峰值電壓 , 在 t3 時 UC 達到最大值。
以上分析證實兩個問題 : 一是在高頻電流的一個周期里 , 只有 i1 是電源供給 L 的能量 , 所以 i1 的大小就決定加熱功率的大小 , 同時脈沖寬度越大 ,t1~t2 的時間就越長 ,i1 就越大 , 反之亦然 , 所以要調節加熱功率 , 只需要調節脈沖的寬度 ; 二是 LC 自由振蕩的半周期時間是出現峰值電壓的時間 , 亦是 IGBTQ1 的截止時間 , 也是開關脈沖沒有到達的時間 , 這個時間關系是不能錯位的 , 如峰值脈沖還沒有消失 , 而開關脈沖己提前到來 , 就會出現很大的導通電流使 IGBTQ1 燒壞 , 因此必須使開關脈沖的前沿與峰值脈沖后沿相同步。
2.4 振蕩電路
(1) 當 PWM 點有 Vi 輸入時、 V7 OFF 時 (V7=0V), V5 等于 D6 的順向壓降 , 而當 V5<V6 之后 ,V7 由 OFF 轉態為 ON,V6 亦上升至 Vi, 而 V5 則由 R20 向 C16 充電。
(2) 當 V5>V6 時 ,V7 轉態為 OFF,V6 亦降至 D6 的順向壓降 , 而 V5 則由 C16 、 D6 放電。
(3) V5 放電至小于 V6 時 , 又重復 (1) 形成振蕩。
“ G 點輸入的電壓越高 , V7 處于 ON 的時間越長 , 電磁爐的加熱功率越大 , 反之越小”。
2.5 IGBT 激勵電路
振蕩電路輸出幅度約 4.1V 的脈沖信號 , 此電壓不能直接控制 IGBT 的飽和導通及截止 , 所以必須通過激勵電路將信號放大才行 , 該電路工作過程如下 :
(1) V8 OFF 時 (V8=0V),V8<V9,V10 為高 ,Q1 導通、 Q4 截止 ,IGBT 的 G 極為 0V,IGBT 截止。
(2) V8 ON 時 (V8=4.1V),V8>V9,V10 為低 ,Q81 截止、 Q4 導通 ,+18V 通過 R23 、 Q4 和 Q1 的 E 極加至 IGBT 的 G 極 ,IGBT 導通。
2.6 PWM 脈寬調控電路
CPU 輸出 PWM 脈沖到由 R30 、 C27 、 R31 組成的積分電路 , PWM 脈沖寬度越寬 ,C28 的電壓越高 ,C29 的電壓也跟著升高 , 送到振蕩電路 (G 點 ) 的控制電壓隨著 C29 的升高而升高 , 而 G 點輸入的電壓越高 , V7 處于 ON 的時間越長 , 電磁爐的加熱功率越大 , 反之越小。
“ CPU 通過控制 PWM 脈沖的寬與窄 , 控制送至振蕩電路 G 的加熱功率控制電壓,控制了 IGBT 導通時間的長短 , 結果控制了加熱功率的大小”。
2.7 同步電路
市電經整流器整流、濾波后的 310V 直流電,由 R15+R14 、 R16 分壓產生 V3,R1+R17 、 R28 分壓產生 V4, 在高頻電流的一個周期里 , 在 t2~t4 時間 ( 圖 1), 由于 C14 兩端電壓為上負下正 , 所以 V3<V4,V5OFF(V5=0V) 振蕩電路 V6>V5,V7 OFF(V7=0V), 振蕩沒有輸出 , 也就沒有開關脈沖加至 Q1 的 G 極 , 保證了 Q1 在 t2~t4 時間 不會導通 , 在 t4~t6 時間 ,C3 電容兩端電壓消失 , V3>V4, V5 上升 , 振蕩有輸出 , 有開關脈沖加至 Q1 的 G 極。以上動作過程 , 保證了加到 Q1 G 極上的開關脈沖前沿與 Q1 上產生的 VCE 脈沖后沿相同步。
2.8 加熱開關控制
(1) 當不加熱時 ,CPU 17 腳輸出低電平 ( 同時 CPU 10 腳也停止 PWM 輸出 ), D7 導通 , 將 LM339 9 電壓拉低 , 振蕩停止 , 使 IGBT 激勵電路停止輸出 ,IGBT 截止 , 則加熱停止。
開始加熱時 , CPU 17 腳輸出高電平 ,D7 截止 , 同時 CPU 10 腳開始間隔輸出 PWM 試探信號 , 同時 CPU 通過分析電流檢測電路和 VAC 檢測電路反饋的電壓信息、 VCE 檢測電路反饋的電壓波形變化情況 , 判斷是否己放入適合的鍋具 , 如果判斷己放入適合的鍋具 ,CPU10 腳轉為輸出正常的 PWM 信號 , 電磁爐進入正常加熱狀態 , 如果電流檢測電路、 VAC 及 VCE 電路反饋的信息 , 不符合條件 ,CPU 會判定為所放入的鍋具不符
(2) 或無鍋 , 則繼續輸出 PWM 試探信號 , 同時發出指示無鍋的報知信息 ( 見故障代碼表 ), 如 30 秒鐘內仍不符合條件 , 則關機。
2.9 VAC 檢測電路
AC220V 由 D17 、 D18 整流的脈動直流電壓通過 R40 限流再經過, C33 、 R39 C32 組成的π型濾波器進行濾波后的電壓,經 R38 分壓后的直流電壓,送入 CPU 6 , 根據監測該電壓的變化 ,CPU 會自動作出各種動作指令。
(1) 判別輸入的電源電壓是否在充許范圍內 , 否則停止加熱 , 并報知信息 ( 見故障代碼表 ) 。
(2) 配合電流檢測電路、 VCE 電路反饋的信息 , 判別是否己放入適合的鍋具 , 作出相應的動作指令 ( 見加熱開關控制及試探過程一節 ) 。
(3) 配合電流檢測電路反饋的信息及方波電路監測的電源頻率信息 , 調控 PWM 的脈寬 , 令輸出功率保持穩定。
“電源輸入標準 220V ± 1V 電壓 , 不接線盤 (L1) 測試 CPU 第 6 腳電壓 , 標準為 2.65V ± 0.06V ”。
2.10 電流檢測電路
電流互感器 CT1 二次測得的 AC 電壓 , 經 D1~D4 組成的橋式整流電路整流、 R12 、 R13 分壓, C11 濾波 , 所獲得的直流電壓送至 CPU 5 腳 , 該電壓越高 , 表示電源輸入的電流越大 , CPU 根據監測該電壓的變化 , 自動作出各種動作指令 :
(1) 配合 VAC 檢測電路、 VCE 電路反饋的信息 , 判別是否己放入適合的鍋具 , 作出相應的動作指令 ( 見加熱開關控制及試探過程一節 ) 。
(2) 配合 VAC 檢測電路反饋的信息及方波電路監測的電源頻率信息 , 調控 PWM 的脈寬 , 令輸出功率保持穩定。
2.11 VCE 檢測電路
(1) 配合 VAC 檢測電路、電流檢測電路反饋的信息 , 判別是否己放入適合的鍋具 , 作出相應的動作指令 ( 見加熱開關控制及試探過程一節 ) 。
(2) 根據 VCE 取樣電壓值 , 自動調整 PWM 脈寬 , 抑制 VCE 脈沖幅度不高于 1050V( 此值適用于耐壓 1200V 的 IGBT, 耐壓 1500V 的 IGBT 抑制值為 1300V) 。
(3) 當測得其它原因導至 VCE 脈沖高于 1150V 時 (( 此值適用于耐壓 1200V 的 IGBT, 耐壓 1500V 的 IGBT 此值為 1400V), LM339 立即停止工作 ( 見故障代碼表 ) 。
2.12 浪涌電壓監測電路
當正弦波電源電壓處于上下半周時 , 由 D17 、 D18 和整流橋 DB 內部交流兩輸入端對地的兩個二極管組成的橋式整流電路產生的脈動直流電壓,當電源突然有浪涌電壓輸入時 , 此電壓通過 R41 、 C34 耦合 , 再經過 R42 分壓, R44 限流 C35 濾波后的電壓,控制 Q5 的基極,基極為 高電平時 , 電壓 Q5 基極 ,Q5 飽和導通 ,CPU 17 的電平通過 Q5 至地 ,PWM 停止輸出,本機停止工作 ; 當 浪涌脈沖過后 , Q5 的基極為 低電平 ,Q5 截止 , CPU 17 的電平通過 Q5 至地 , CPU 再重新發出加熱指令。
2.13 過零檢測
當正弦波電源電壓處于上下半周時 , 由 D17 、 D18 和整流橋 DB 內部交流兩輸入端對地的兩個二極管組成的橋式整流電路產生的脈動直流電壓通過 R40 限流再經過, C33 、 R39 C32 組成的π型濾波器進行濾波后的電壓,經 R38 分壓后的電壓,在 CPU 6 則形成了與電源過零點相同步的方波信號 ,CPU 通過監測該信號的變化 , 作出相應的動作指令。
2.14 鍋底溫度監測電路
加熱鍋具底部的溫度透過微晶玻璃板傳至緊貼玻璃板底的負溫度系數熱敏電阻 , 該電阻阻值的變化間接反影了加熱鍋具的溫度變化 ( 溫度 / 阻值祥見熱敏電阻溫度分度表 ), 熱敏電阻與 R4 分壓點的電壓變化其實反影了熱敏電阻阻值的變化 , 即加熱鍋具的溫度變化 , CPU 8 腳通過監測該電壓的變化 , 作出相應的動作指令 :
(1) 定溫功能時 , 控制加熱指令 , 另被加熱物體溫度恒定在指定范圍內。
(2) 當鍋具溫度高于 270 ℃ 時 , 加熱立即停止 , 并報知信息 ( 見故障代碼表 ) 。
(3) 當鍋具空燒時 , 加熱立即停止 , 并報知信息 ( 見故障代碼表 ) 。
(4) 當熱敏電阻開路或短路時 , 發出不啟動指令 , 并報知相關的信息 ( 見故障代碼表 ) 。
2.15 IGBT 溫度監測電路
IGBT 產生的溫度透過散熱片傳至緊貼其上的負溫度系數熱敏電阻 TH, 該電阻阻值的變化間接反影了 IGBT 的溫度變化 ( 溫度 / 阻值祥見熱敏電阻溫度分度表 ), 熱敏電阻與 R8 分壓點的電壓變化其實反影了熱敏電阻阻值的變化 , 即 IGBT 的溫度變化 , CPU 通過監測該電壓的變化 , 作出相應的動作指令 :
(1) IGBT 結溫高于 90 ℃ 時 , 調整 PWM 的輸出 , 令 IGBT 結溫 ≤ 90 ℃ 。
當 IGBT 結溫由于某原因 ( 例如散熱系統故障 ) 而高于 95
(2) ℃ 時 , 加熱立即停止 , 并報知信息 ( 祥見故障代碼表 ) 。
(3) 當熱敏電阻 TH 開路或短路時 , 發出不啟動指令 , 并報知相關的信息 ( 祥見故障代碼表 ) 。
(4) 關機時如 IGBT 溫度 >50 ℃ ,CPU 發出風扇繼續運轉指令 , 直至溫度 < 50 ℃ ( 繼續運轉超過 30 秒鐘如 溫度仍 >50 ℃ , 風扇停轉 ; 風扇延時運轉期間 , 按 1 次關機鍵 , 可關閉風扇 ) 。
(5) 電磁爐剛啟動時 , 當測得環境溫度 <0 ℃ ,CPU 調用低溫監測模式加熱 1 分鐘 ,30 秒鐘后再轉用正常監測模式 , 防止電路零件因低溫偏離標準值造成電路參數改變而損壞 電磁爐。
2.16 散熱系統
將 IGBT 及整流器 BG 緊貼于散熱片上 , 利用風扇運轉通過電磁爐進、出風口形成的氣流將散熱片上的熱及線盤 L1 等零件工作時產生的熱、加熱鍋具輻射進電磁爐內的熱排出電磁爐外。
CPU 15 腳發出風扇運轉指令時 , 15 腳輸出高電平 , 電壓通過 R27 送至 Q3 基極 ,Q3 飽和導通 ,VCC 電流流過風扇、 Q3 至地 , 風扇運轉 ; CPU 發出風扇停轉指令時 , 15 腳輸出低電平 ,Q3 截止 , 風扇因沒有電流流過而停轉。
2.17 主電源
AC220V 50/60Hz 電源經保險絲 FUSE, 再通過由 RZ 、 C1 、共模線圈 L1 組成的濾波電路 ( 針對 EMC 傳導問題而設置 , 祥見注解 ), 再通過電流互感器至橋式整流器 BG, 產生的脈動直流電壓通過扼流線圈提供給主 回路使用 ;AC1 、 AC2 兩端電壓除送至輔助電源使用外 , 另外還通過印于 PCB 板上的保險線 P.F. 送至 D1 、 D2 整流得到脈動直流電壓作檢測用途。
注解 : 由于中國大陸目前并未提出電磁爐須作強制性電磁兼容 (EMC) 認證 , 基于成本原因 , 內銷產品大部分沒有將 CY1 、 CY2 裝上 ,L1 用跳線取代 , 但基本上不影響電磁爐使用性能。
2.18 輔助電源
AC220V 50/60Hz 電壓接入變壓器初級線圈 , 次級兩繞組分別產生 2.2V 、 12V 和 18V 交流電壓。
12V 交流電壓由 D19~D22 組成的橋式整流電路整流、 C37 濾波 , 在 C37 上獲得的直流電壓 VCC 除供給散熱風扇使用外 , 還經由 V8 三端穩壓 IC 穩壓、 C38 濾波 , 產生 +5V 電壓供控制電路使用。
18V 交流電壓由 D15 組成的半波動整流電路整流、 C26 濾波后 , 再通過由 Q9 、 R33 、 DW9 、 C27 、 C28 組成的串聯型穩壓濾波電路 , 產生 +18V 電壓供 IC2 和 IGBT 激勵電路使用。
2.19 報警電路
目錄
第一章 電磁爐的基本工作原理的介紹……………………..3
第二章 電磁爐組裝結構圖…………………………………..5
第三章 電磁爐的基本加熱功能及保護功能介紹…………..7
第四章 電磁爐的原理圖各功能部分的分析 ……………….9
第五章 電磁爐常見異常故障分析之“葵花寶典”………….32
第六章 電磁爐元器件的認別及其測量方式……………….43
第七章 電磁爐上元器件的規格與作用簡介……………….48
電磁爐由于具有熱效率高、使用方便、無煙熏、無煤氣污染、安全衛生等優點,非常適合現代家庭使用
第一章 電磁爐的基本工作原理的介紹
電磁爐的加熱原理
電磁爐又稱電磁灶,分為工頻(低頻)和高頻兩種。其中,工頻電磁爐工作簡單可靠,但躁聲大,熱效率低,這里所說的電磁爐指高頻電磁爐。
圖1
電磁爐是利用電磁感應原理將電能轉換為熱能的工作原理。由整流電路將50/60Hz的交流電壓轉換成直流電壓(AC-DC-AC、交流-直流-交流),再經過控制電路將直流電壓轉換成頻率為20~35KHz的高頻電壓,高速變化的電流流過線圈產生高速變化的磁場,當磁場內的磁力線通過金屬器皿底部金屬體內產生無數的小渦流,使器皿本身自行高速發熱,然后再加熱器皿內的東西,達到用戶使用的結果。 如圖1
圖2
如圖2。電磁感應加熱的基本過程,至少需要整流單元、功率開關管、功率開關管驅動控制單元、加熱線圈單元及鍋具等部件。電磁爐是運用高頻電磁感應原理加熱。它將市電整流濾波后得到的脈動直流轉換為高頻電流,通過加熱線圈建立高頻磁場,磁力線經線圈與金屬器皿底部構成的磁回路穿透爐面作用于鍋底,利用小電阻大電流的短路熱效應產生熱量,在鍋底形成渦流而發熱,起到加熱器皿中的食物的作用。
一般來講,器皿一般是用鋼質、鐵質材料來加熱,鋁、銅由于表面電阻率太小,而不易被加熱,陶瓷、木等又由于表面電阻率太大,使產生電流太小,所以也不易被加熱。
第二章 電磁爐組裝結構圖
電磁爐整機零件一般包括如下:
1、陶瓷板: 又叫微晶玻璃板,位于電磁爐頂部,用于鍋具的墊放,具有足夠機械強度,耐酸堿腐蝕,耐高低溫沖擊。
2、上 蓋: 用耐溫塑料制成,作為電器的外保護殼。
3、面 膜: 用塑料薄膜制成,用于功能顯示及按鍵操作指示。
4、燈 板: 又叫顯示控制板,位于殼內,進行功能顯示及功能按鍵操作。
5、爐面傳感器組件:位于殼內,嵌在發熱盤的中間,用橡膠頭或其它方式頂住陶瓷板,用于控制爐面鍋具的溫度。
6、加熱線盤:位于殼內,主工作器件,發射磁力線,自身也會發熱。
7、主 控 板:又叫電源板、主板,位于殼內,作為電轉換的控制的主工作部分。
8、電源線及線卡:連接市電與電磁爐,提供電源通道。
9、電 風 扇:位于殼內,通過吸風將爐內熱量帶出殼外,起降溫作用。
10、下 蓋: 用耐溫塑料制成,作為電器的下保護殼,及支撐內部器件及鍋具作用。
第三章 電磁爐的基本控制功能及保護功能介紹
電磁爐分顯示部分和主板控制部分
1、一般功能說明
1)、顯示介面有LED發光二極管顯示模式、數碼管、LCD液晶、VFD熒光屏顯示模式幾種。
2)、操作方式有輕觸按鍵、薄膜按鍵、觸摸按鍵、編碼器、電位器等模式。
3)、操作功能有加熱火力調節、自動恒溫設定、定時開機、預約開/關機、電量電壓查詢、自動功能和半自動功能(蒸煮、煮粥、煲湯、煮飯)、手動功能(煎、炸、抄、烤、火鍋)等料理功能。
4)、使用電壓范圍分兩個不同電壓段,220VAC~240VAC機種在100VAC~280VAC或100VAC~120VAC機種在85VAC~144VAC之間可連續工作,適用于50/60Hz的電壓頻率。使用環境溫度在-20℃~45℃。
注明:
a)、功率輸出:輸出范圍120W~2200W之間
b)、溫度控制: 即定溫控制。
c)、定時控制: 可進行時間設置關機或開機。
d)、大小物檢測:小于一定面積的金屬將不被加熱。Φ60~Φ100、Φ80~Φ120
2、保護功能
具有鍋具超溫保護、鍋具干燒保、爐面傳感器開短路保護、爐面失效保護,IGBT測溫傳感器開短路保護,IGBT溫度限制控制和超溫保護、高低壓保護、2小時無按鍵保護、浪涌電壓/電流保護、高低溫環境工作模式,VCE過壓保護、過零檢測、大小物檢測,鍋具材質檢測。
注明:
a)無鍋報警,無鍋或鍋具材質不對,小物件:停止加熱。若在1分鐘內檢測到有鍋,則自動退出報警狀態,并恢復原來工作狀態。
b)高/低壓保護,當市電電網電壓波動超出工作范圍時,應能停止功率輸出并報警,例如超出100~280V時出“低'E1’”或“高'E2’”;
c)爐面傳感器開路時,開機1分鐘后檢測,停止功率輸出及報警,顯示“E3”;
d)爐面傳感器短路時,停止功率輸出及報警,顯示“E4”;
e)IGBT傳感器開路時,開機1分鐘后檢測,停止功率輸出及報警,顯示“E5”;
f)IGBT傳感器短路時,停止功率輸出及報警,顯示“E6”;
g)主傳感器失效,停止功率輸出及報警,顯示“E7”;
h)干擾保護,當電網上產生瞬間高壓或浪涌電流時,電路停止功率輸出,暫停工作2S,當干擾去除后能回復功能輸出。
i)過溫保護/干燒保護,由于電磁爐為加熱電器,內部很多器件在工作時會發出熱量,當溫度過高時因能報警并停止功率輸出,電源指示燈閃爍,待溫度下降后恢復加熱
j)IGBT溫度過熱,當高電壓低功率自動提高功率以減小IGBT溫升,如果出現異常溫升,則溫度達到95℃~110℃則停止加熱保護,待溫度低于65℃左右恢復加熱。
以艾美特電磁爐為例
|
故障代碼 |
故障原因 |
報警條件 |
|
E1 |
低壓保護 |
電網電壓低于100±5V |
|
E2 |
高壓保護 |
電網電壓高于285±5V |
|
E3 |
爐面傳感器開路 |
延遲1分鐘才檢測傳感器是否開路 |
|
E4 |
爐面傳感器短路 |
馬上停止加熱 |
|
E5 |
IGBT傳感器開路 |
延遲1分鐘才檢測傳感器是否開路 |
|
E6 |
IGBT傳感器短路 |
馬上停止加熱 |
|
E7 |
爐面傳感器失效 |
根據每檔檔位判斷傳感器值變化 |
3、電路控制上,除有上述功能的電路外,還應有如下動作電路:
a) 交流轉直流,通過整流橋堆進行轉換;
b) 電源轉換,將強電轉換成弱電,提供18V,5V。
c) 過零電路(同步電路),當IGBT的反壓降到最低時才打開IGBT;
d) IGBT驅動電路
e) 諧振電路,
f) 功率控制電路,將PWM進行積分處理,進行不同檔下的功率控制;
g) 檢鍋電路;
h) 反壓保護電路,將IGBT工作反壓控制在合理范圍內;
i) 高壓保護電路
J) 功率校準電路,通過可調電阻進行
k) 蜂鳴器驅動電路,風扇驅動電路,熱敏電阻取樣電路
l) 主芯片電路
m) 顯示及按鍵控制電路
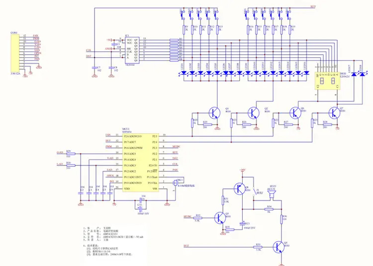
第四章 電磁爐的原理圖各功能部分的分析
電磁爐主板原理方框圖
|
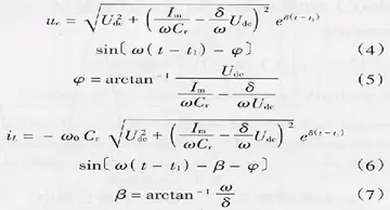
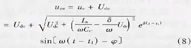
主板分成10大部分: 1、主回路的主諧振電路分析 2、IGBT驅動電路分析:(推挽式電路,高電平驅動有效) 3、電流取樣電路 4、干擾保護電路 5、電壓AD取樣電路 6、同步電路和壓控/自激電路 7、反壓保護與PWM控制電路 8、爐面傳感器與IGBT熱敏電阻取樣電路 9、風扇控制電路 10、開關電源電路 一、主回路的主諧振電路分析 由電力電子電路組成的電磁爐(Inductioncooker)是一種利用電磁感應加熱原理,對鍋體進行渦流加熱的新型灶具。主電路是一個AC/DC/AC變換器,由橋式整流器和電壓諧振變換器構成,當電磁爐負載(鍋具)的大小和材質發生變化時,負載的等效電感會發生變化,將造成電磁爐主電路諧振頻率變化,導致電磁爐的輸出功率不穩定,就會使功率管IGBT過壓損壞。在此先分析電磁爐主諧振電路拓撲結構和工作過程是怎樣的。 1)電磁爐主電路拓撲結構 電磁爐的主電路如圖1所示,市電經橋式整流器變換為直流電,再經電壓諧振變換器變換成頻率為20~35kHz的交流電。電壓諧振變換器是低開關損耗的零電壓型(ZVS)變換器,功率開關管的開關動作由單片機控制,并通過驅動電路完成。 電磁爐的加熱線圈盤與負載鍋具可以看作是一個空心變壓器,次級負載具有等效的電感和電阻,將次級的負載電阻和電感折合到初級,可以得到圖2所示的等效電路。其中R*是次級電阻反射到初級的等效負載電阻;L*是次級電感反射到初級并與初級電感L相疊加后的等效電感。 2)電磁爐主電路的工作過程 電磁爐主電路的工作過程可以分成3個階段,各階段的等效電路如圖3所示。分析一個工作周期的情況,定義主開關開通的時刻為t0。時序波形如圖4所示。 2.1 [t0,t1]主開關導通階段 按主開關零電壓開通的特點,t0時刻,主開關上的電壓uce=0,則Cr上的電壓uc=uce-Udc=-Udc。如圖3(a)所示,主開關開通后,電源電壓Udc加在R*及L*支路和Cr兩端。由于Cr上的電壓已經是-Udc,故Cr中的電流為0。電流僅從R*及L*支路流過。流過IGBT的電流is與流過L*的電流iL相等。由圖3(a)得式(1)。 可見,iL按照指數規律單調增加。流過R*形成了功率輸出,流過L*而儲存了能量。到達t1時刻,IGBT關斷,iL達到最大值Im。這時,仍有uc=-Udc,uce=0。iL換向開始流入Cr,但Cr兩端的電壓不能突變,因此,IGBT為零電壓關斷。 2.2 [t1,t2]諧振階段 IGBT關斷之后,L*和Cr相互交換能量而發生諧振,同時在R*上消耗能量,形成功率輸出。等效電路如圖3(b)及圖3(c)所示,我們也將其分為兩個階段來討論。波形如圖4中的iL和uc。 由圖3(b)、圖3(c)的等效電路可得到式(3)方程組。 L*(di/dt)+iLR*+uc=0 Cr(duc/dt)=iL (3) 由初始條件iL(t1)=Im,uc(t1)=-Udc, 解微分方程組式(3)并代入初始條件,可得下列結果: IGBT上的電壓 式中:δ=R*/2L*為衰減系數; φ是由電路的初始狀態和電路參數決定的初相角,β是僅由電路參數決定的iL滯后于uc的相位角。 由上面的結果可以看到,當IGBT關斷之后,uc和iL呈現衰減的正弦振蕩,uce是Udc與uc的疊加,它呈現以Udc為軸心的衰減正弦振蕩,其第一個正峰值是加在IGBT上的最高電壓。首先是L*釋放能量,Cr吸收能量,iL正向流動,部分能量消耗在R*上。在t1a時刻,ω(t-t1a)=+β,iL=0,L*的能量釋放完畢,uc達到最大值Ucm,于是,IGBT上的電壓也達到最大值uce=Ucm+Udc。這時Cr開始放電,L*吸收能量,當ω(t-t1)=φ時,uc=0,Cr的能量釋放完畢,L*又開始釋放能量,一部分消耗在R*上,一部分向Cr充電,使uc反向上升,如圖4所示。 然后,Cr開始釋放能量,使iL反向流動,一部分消耗在R*上,一部分轉變成磁場能。在uc接近0之前,ω(t-t1)=φ+2β之時,iL達到負的最大值。當ω(t-t1)=π+φ時,uc=0,Cr的能量釋放完畢,轉由L*釋放能量,使iL繼續反向流動,一部分消耗在R*上,一部分向Cr反向充電。由于Cr左端的電位被電源箝位于Udc,故右端電位不斷下降。當ω(t-t1)=ω(t2-t1),即t=t2時,uc=-Udc,uce=0,二極管D開始導通,使Cr左端電位不能再下降而箝位于0。于是,uc不再變化,充電結束。但是,L*中還有剩余能量,iL并不為0,t2時刻iL(t2)=-I2。這時,在主控制器的控制下,主開關開始導通。因此,是零電壓開通。 2.3 [t2,t3]電感放電階段 如圖3(d)所示,可得方程:L*+iLR*=Udc初始條件為:iL(t2)=-I2。 解此微分方程并代入初始條件,可得: L*中的剩余能量,一部分消耗在R*上,一部分返回電源,iL的絕對值按指數規律衰減,在t3時刻,iL=0,L*中的能量釋放完畢,二極管自然阻斷。在uc=-Udc即uce=0時,主開關已經開通,在電源Udc的激勵下,iL又從0開始正向流動,重復[t0,t1]階段的過程。 二、IGBT驅動電路分析:(推挽式電路,高電平驅動有效)
作用:保護IGBT可靠導通與關斷。 IGBT驅動電壓至少需要16V,Q1(PNP管)、Q2(NPN管)組成推挽式驅動電路,它們的工作原理是: 1、當輸入信號為高電平時,Q2導通,Q1截止,18VDC電壓流通,給IGBT的G極提供門極電壓,IGBT導通。線盤開始儲能。 2、當輸入信號為低電平時,Q2截止,Q1導通,IGBT的G極接地,IGBT關斷。此時線盤感應電壓對諧電容放電,形成了LC振蕩。 3、R6電阻在三極管截止時,把IGBT的G極殘余電壓快速拉低。C11電容作為高頻旁路,另外作為平緩驅動電路波形作用,ZD1穩壓管,穩定IGBT的G極電壓,預防輸入電壓過高時,損壞IGBT。 在檢鍋時,如圖2.1所示,波形不是很理想,有點變形。當檢到鍋工作后,如圖2.2所示,控制推挽電路的波形與驅動IGBT波形很相似,功率越大,波形的高電平的寬度越大,B點的波形底部平,原因是LM339控制的一路內部三極管導通接地。而A點的波形底部比地略高一點。再回到零電壓。 此電路容易出現的問題為上電燒機,為驅動電路輸出高電平導致,溫升高、瓷片電容有問題。 三、電流取樣電路 作用:判斷有無鍋具、恒定電流、穩定調節功率提供反饋輸入電流 電流互感器T1的次級測得的交流(AC)電壓.經D9~D12組成的橋式整流電路整流,EC3電解電容濾波平滑、由電阻R15、RJ41、RJ16分壓后,所獲得的電流電壓送到CPU,該電壓越高表示電源輸入的電流越大,待機時電流取樣基本為零,如圖3.1所示, 電流越大,A點的電流電壓波形幅值越高,B點的取樣點就越高,表示功率越大。電容EC3選值時不應太大,如果太大了,會造成電容充放電時間太長,影響讀取電流AD時間,從而會導致開機時,功率上升的時間很慢。 VR1電位器作校準功率用,通過VR1電阻的大小,就可以調節B點的輸出電壓,電阻越小,功率越大,反之就功率越小,一般調節電位器在中間位置。 CPU根據監測電壓AD的變化,作出各種動作指令 1、判斷是否放入合適的鍋具。(鍋具是否小于Φ80(或Φ60)、是否有偏鍋,電流過小,再判PWM是否最大,兩者滿足則判為無鍋) 2、限定最大電流,在低電壓時保證電流恒定或不超過。保護關鍵器件工作在規格要求范圍內,以及防止輸入電源線或線路板走線過電流不夠造成燒斷。 3、配合電壓AD取樣電路及電調控PWM的脈寬,令輸出功率保持穩定。 此電路易出現的現象:功率壓死、功率飄移、無功率輸出、斷續加熱 四、干擾保護電路 1、電流保護電路
作用:浪涌保護電路,監控輸入電網的異常變化,在有異常時,關斷IGBT進行保護 1、正常工作時,LM339的1腳內部三極管截止,電阻R19把1腳電壓變為高電平,當電源輸入端出現大電流時,1腳內部三極管導通,輸出低電平,CPU連接的中斷口經過二極管D18被拉低,CPU檢測到低電平時發出命令,讓IGBT關斷,起安全保護作用,此保護屬于軟件保護,另外還有硬件保護,當1腳內部三極管導通,輸出低電平,直接拉低驅動電路的輸入電壓,從而關斷IGBT的G極電壓,保護了IGBT不被擊穿,通常要判斷是軟件保護還是硬件保護方法是:通常軟件保護時,軟件會設置2秒才起動,硬件起動時間很快不超過2秒鐘。 2、C點電壓由于選擇的參考點是地,靜態時,C 點的電壓由RJ28、R27、R14電阻分壓所得,當正常工作起來后,互感器感應輸入端的電流,C點的電壓會下降,電流越大,C點電壓越低,如圖4.1所示,所以A點電壓也會下降,B點為LM339負端RJ29、RJ25分壓后的基準電壓,當A點電壓下降到B點以下時,LM339反轉,D點輸出低電平拉低中斷口。通過調節輸入正負端的參數來改變干擾的靈敏。 用工具查看兩輸入端在最大功率工作時,比較電壓越接近越好,但仿止出現太過靈敏而導致中斷間隙。(變頻器上(不一定,但是比較能體現)一般干擾比較大,在最大檔功率最大電流時(190~210V之間電流最大)最容易出現,) 3、CPU根據中斷口檢測電源輸入端的浪涌電流,程序檢測到有低電平,停止工作,起保護IGBT不受浪涌電流所擊穿。 此電路異常出現:檢鍋不工作、不保護爆機。 |
作用:高壓保護電路,監控輸入電網的異常變化,在有異常時,關斷IGBT進行保護
1、電路的雙重保護(電流和電壓保護),由R53、R54、RJ55電阻組成分壓電路,如果輸入電壓超過正常設定電壓值, A點的電壓就會升高,達到或超過三極管Q5的基極導通電壓0.7V以上,則Q5一直導通,由于三極管的C極接到LM339的1腳,即中斷口,所以程序檢測到低電平后會關閉輸出,保護IGBT及主回路上面的器件不被燒掉。
2、當有電壓浪涌時,R53并聯的電容C28起作用,因為電容兩端電壓不能突變,所以在瞬間電壓起變化,電容就相當短路(耦合),A點的電壓會瞬間變的很高,使Q5導通而讓CPU中斷口檢測到。正常情況下A點的波形如圖4.2所示。
此電路異常出現:檢鍋不工作、不保護爆機。
五、電壓AD取樣電路
作用:檢測電路工作在什么電壓段,高低壓保護
AC220V由整流管整流成脈動直流電壓,通過R4與RJ10、RJ11分壓, D7二極管隔離AD檢測口與輸入端,EC2平滑后的直流電壓送到CPU端口進行分解,不受輸入端的影響,D8二極管讓輸入電壓最鉗位在5.7V,保護CPU端口不會被高電壓擊穿。正常電壓下,輸入電壓比較穩定,如圖5.1所示。
CPU檢測輸入電壓信號后發出動作命令
1、判別輸入的電壓是否在充許的范圍之內,否則停止加熱,并發出報警信號。
2、判別輸入電壓是否高電壓,根據輸出功率是否為低功率(1300W以下),進行升功率,目的是為了減小IBGT在高壓小功率時,出現硬導通,即IBGT提前導通,來減小IGBT的溫升,根據高功率(1800W以上),配合爐面傳感器是否檢測到線盤溫升高,如果溫升高,可適當的降功率,從而保證線盤不會因為溫升高而燒毀。
3、與電流檢測電路形成實際工作功率,CPU智能的計算出功率的大小再與CPU內部設定的功率值作比較,去控制PMW脈寬調制的大小,穩定輸出所需各檔的大小功率。
4、通過電流AD配合,保持高壓是恒定功率輸出。
此電路異常出現:高低壓無保護,間隙加熱,功率上不去。
六、同步電路和自激電路
作用:跟蹤諧振波形,提供合理的IGBT導通起點,提供脈沖檢鍋信號
原理:采用電阻分壓及電容延時的方式跟蹤諧振電路兩端電壓變化;自激振蕩回路、啟動工作OPEN口、檢測合適鍋具PAN口。
RJ1、RJ2和RJ3、RJ5、RJ52分別接到諧振電容與線盤兩端,靜態時A(-端)比B(+端)電壓要低(通常兩端電壓壓差在0.2-0.4V比較理想),C點輸出高電平。C16電容兩端都是高電平,所以不起作用,D點由于接了RJ17上接電阻,也被拉高,在靜態OPEN端口通常被MCU置為低電平,由于E點與OPEN端口接了二極管D15,當OPEN端口被置低時, E點電壓鉗位在0.7V,此時D(-端)電壓比E(+端)電壓要高,導致I點(2腳)輸出低電平,控制IGBT關閉,不能加熱。
C18、C20電容是調節諧振電路的同步,減少燥音及溫升過高的節用。C21是反饋電容,當14腳輸出低電壓時,反饋到9腳,使9腳電壓拉低。加速14腳更快達到低電平。
如圖6.1,在無鍋開機啟動時,圖上為各個關鍵的檢測波形。
1、先在G點發出一個十幾US的高電平(檢鍋脈沖),通常是每1秒鐘發一次,E點由于二極管D15的反偏截止,由PWM端口輸出的脈寬由電容平波后送到E點,E點電壓也有十幾US的變高寬度,由于OPEN口的瞬間高電平輸出,電容C22耦合,A點(-端)相當瞬間加到5V,A點電壓比B點(+端)高,C點輸出低電平。C16電容也起耦合作用,把D點電壓拉低,所以E點電壓比D點電壓高,I點輸出一個高電平,IGBT導通,LC組合開始產生振蕩。
2、啟動后,在C點產生一連串的脈沖波形,當放上鍋具時,LC組合產生的振蕩好似串上負載,很快就消耗完,在C點的產生脈沖個數也減小,CPU通過檢測端口檢測C點的脈沖個數來判斷是否有鍋或放入合適的鍋具。因無鍋或鍋具不造合時諧振后波形衰減的很慢,檢出來的脈沖個數會很多。另外,如果一直檢測到高電平,說明線盤沒接好或同步電路出問題。
3、當檢測到有合適的鍋具,因諧振后波形衰減的很快,檢出的脈沖個數會很少。CUP讓G點(open)一直輸出高電平進行工作,E點的電壓隨PWM輸出脈寬的大小所控制,最終控制功率輸出的大小。各個工作波形如圖6.2所示。
CPU通過PAN,OPEN檢測控制腳輸出控制信號。
1、OPEN口在工作過程中一直為高電平,有干擾中斷信號時輸出低電平,2S后回復高電平繼續工作。關機時為低電平。在檢鍋時發出一個十幾US的高電平后關斷。
2、PAN口作用,在開機時檢測是否有合適的鍋具,通過檢測脈沖個數來判定是否加熱。此端口在這里一直作為輸入口(也可用來啟動工作及檢測脈沖個數,雙重作用。)
此電路異常現象:不檢鍋、IGBT溫升過高、燥音大。
七、反壓保護與PWM控制電路
作用:決定IGBT的導通寬度,提供IGBT正常開通、關斷。
RJ32、RJ21提供基準電壓給LM339的11腳,10腳由同步諧振電路分壓得出,抑制IGBT的C極反壓不得超過1150V, 當提鍋或移鍋時,IGBT反壓增大,當接近1150V時,同步端使LM339的10腳電壓高過11腳,13腳輸出低電平,然后比較器一直在切換,從而維持電壓不超過限壓,保護IGBT不損壞。如圖7.1所示。
RJ34、RJ35、EC8、C8,R31組成PWM控制電路,當PWM輸出的脈沖寬度越寬,經過EC8平波后輸出給LM339的5腳電壓也越高,與LM339的4腳比較反轉的時間也越長,2腳輸出高電平時間也越長,進而控制IGBT驅動脈寬,達到控制加熱功率越大。反之越小,PWM脈寬輸出波形如圖7.1的D點所示。
正常電壓上,當PWN調節最小時,當最小功率(800W)下不來時,原因是D點的電壓點太高了,導致IGBT的開通占空比無法調小,此時可以調小R31電阻來實現。
CPU通過檢測輸出控制信號
1、反壓電路B點給LM339正端設置一個基準電壓,當(A點)負端接收到諧振波形時,與B點作比較,當比較諧振脈沖高于基準電壓時,比較器反轉,抑制諧振電壓不超過1150V,(這里用的IGBT耐壓是1200V)。
2、抑制反壓后,如果鍋具有抬鍋、偏鍋時,輸出功率會有變化,根據電流取樣電路的電壓值,調整PWM脈寬。
3、CPU通過控制PWM脈寬寬度,控制比較器的輸出來控制IGBT的導通時間的長短,結果控制了輸出功率的大小。
此電路異常易出現:爆機、檢鍋慢、檢不到鍋
八、爐面傳感器與IGBT熱敏電阻取樣電路
作用:偵測爐子上鍋具內部的溫度、檢測散熱片發熱情況
爐面傳感器:爐面加熱鍋具的溫度透過微晶玻璃板傳至緊貼在微晶玻璃板底部的傳感器,該傳感器的阻值變化直接反映了鍋具溫度的變化,傳感器與RJ36電阻分壓電壓的變化反映了傳感器的阻值變化,就反映出加熱鍋具的溫度變化。
IGBT熱敏電阻:該熱敏電阻放在緊貼著IGBT的正面。用導熱硅脂涂在它們之間,并壓在PCB板上,IGBT產生的溫度直接傳到了熱敏電阻上,熱敏電阻與RJ37電阻分壓點的變化反映了熱敏電阻的阻值變化。直接反映出IGBT的溫度變化。
CPU通過檢測兩路AD值的變化作出指令控制。
爐面傳感器:
1、定溫控制,控制加熱溫度點,恒定加熱物體溫度恒定在設定的溫度范圍內。
2、自動功能及火鍋控制,利用探測溫度及結合時間,控制鍋具內部的溫度,達到最佳的烹煮效果。
3、自動功能工作時,鍋具溫度是否高過設定溫度,立即停止工作,并關機。
4、鍋具干燒時,立即停止工作,并關機。
5、傳感器開路或短路時,開機后發出不工作信號(開路需要1分鐘后再判斷),并報知故障信息。
IGBT傳感器:
1、當探測到IGBT結溫>85℃時,根據當前工作情況,升功率或降功率,或間隙加熱方式,讓IGBT結溫≤85℃。如果在不正常情況下溫升還繼續升高,高于110℃,則立即停止加熱,并報知信息或不報知信息,而是每4S檢測一下鍋具。待溫升下降到60℃又再次加熱,循環工作。
2、熱敏電阻開路或短路時,開機后發出不工作信號,(開路需要1分鐘后再判斷),并報知故障信息。
3、在關機狀態下,如果IGBT溫升高于55℃,CPU則控制風扇一直工作,直到溫度小于45℃后停止工作。第一次上電時不作判斷處理。
此電路異常易出現:爐面傳感器失效,導致線盤過熱燒線盤及爆機、無法達到正常的設定溫度標準。IGBT熱敏電阻失效,無法正常判斷IGBT溫升,導致燒IGBT。
九、風扇控制電路
作用:排出爐內熱氣
將IGBT及整流橋緊貼在散熱片上,利用風扇運轉,通過電磁爐外殼上的進、出風口形成的氣流將散熱片上的熱及線盤等零件工作時所產生的熱,加熱鍋具輻射進電磁爐內的熱、及其它器件所散出的熱排出爐外。降低爐內的環境溫度,以穩定電磁爐正常工作。
CPU控制FAN端口輸出高電平,使Q3三極管導通,18V電壓加在風扇兩端經過Q3到地,使風扇運轉,當FAN輸出低電平時,Q3截止,風扇停止工作,D22是開關二極管,作用是吸收,平波,起到保護三極管不被擊穿,同時也讓風扇工作的更可靠。
CPU根據程序判斷發出控制命令
1、結合爐面傳感器與IGBT傳感器取到的AD值,控制風扇工作。
2、判斷是否開機,風扇長轉。
3、判斷是否有特殊要求控制風扇工作。
此電路異常易出現:風扇長轉,不轉
十、開關電源電路
作用:為電路工作提供可靠的DC18V及DC5V電壓。
AC220V 50/60Hz電源電壓通過全波整流后,脈動的直流電壓經EC7平波,經變壓器初級加到低頻放大管(NPN)13003的C極及經過R3電阻加到三極管的B極。使變壓器初級產生電流進而產生電壓,當Q8導通后,經過ACT30B的2腳(DRV)給1腳電容EC41充電,當電容充到5V后,2腳與3腳接通,EC41放電,下降到4.6V后,2腳與3腳斷開,周而復始的工作,最后在三極管的A點產生如圖10.1的波形,ZD3、ZD4、D39組成反饋電路,控制輸出電壓穩定在18V與5V,
R60,C5、D20構成RCD緩沖保護電路,用于抑制三極管關斷后變壓器產生過電壓,減小關斷損壞三極管。組成吸收電路,當變壓器在受到浪涌后。因本身具有感應電動勢及自身的漏感誤差,使得與Q8相接的點電壓會升高,通過吸收回路,把高出部分電壓又送回到電源上。
D21、D23是快速回恢二極管,經過前級的電路工作,變壓器次級輸出兩路電壓,一路+18V電壓提供給LM339,及風扇等電路工作,另一路電壓通過78L05的輸入端,輸出端輸出穩定的5V電壓供IC工作(顯示板)。
此電路異常易出現:過流保護、死機、爆機、上電無反應
電磁爐顯示板原理圖整體框圖
顯示板分成3大部分:
11、顯示控制部分
12、蜂鳴器驅動電路
13、微電腦主控芯片IC


返回頂部
刷新頁面
下到頁底