無線話筒在市場上隨處可見,但是無一例外都是用LC振蕩器或石英晶振電路構成的。眾所周知,與非門具有放大(指小信號條件)及倒相的作用,所以只要用三個與非門,首尾相接,便構成一個環形振蕩器(或者五個、七個、九個等奇數;級數多則頻率低),再配上調頻電路,同樣也可做成一個無線話筒。
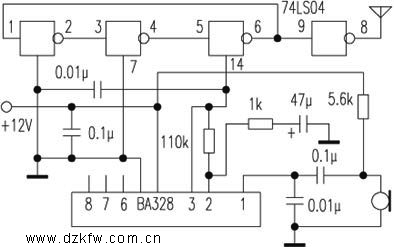
74LS04是一塊TTL集成電路,內有六個單端輸入的與非門。筆者用其中三個與非門做成一個振蕩器。當電源電壓為5V時其振蕩頻率約為90MHz,電源電壓降低時頻率降低;電源電壓升高時頻率也升高。當然其振蕩幅度亦會隨之改變,但影響不大。這樣,筆者使用改變電源電壓的辦法來改變頻率(即達到調頻)。具體做法是用一塊音頻放大集成電路BA328的輸出,作為它的供電電源。
BA328是一塊錄音磁頭的放大電路,當用于磁帶信號作補償及均衡時應該在第、腳之間接一個RC串并網絡,但這里是用于線性放大,故只需接一只100kΩ~130kΩ的電阻即可。BA328輸出端(腳)的電壓應等于腳(供電)電壓的二分之一,若供電電壓為12V,則應有6V輸出,如果不對,應調整此電阻。另外圖中的1kΩ電阻是調節放大倍數的,減小它則增益提高。
對著駐極體話筒講話時,輸出端(腳)的電壓能在5.8V到6.2V之間急速變化,此電壓送到74LS04的腳上便能使它產生調頻信號,再經第四個與非門放大、隔離而送往天線。
此無線話筒的供電電壓也可改成6V或1.5V。另外,它的輸出功率較小,讀者可增加一級高頻放大以改善之。


返回頂部
刷新頁面
下到頁底