擴音機的基本原理是利用功放集成電路LM386進行控制,其電路原理圖如圖1所示。

lm386的功放電路
電路原理
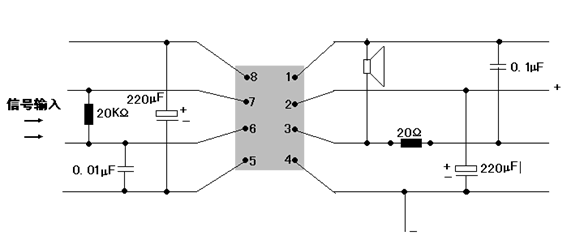
LM386由于它的應用廣泛,有萬能功放電路之稱。它的工作電壓范圍寬,最小為4V,最大為15V。靜態(tài)功耗為4mA,最大增益為46dB,即200倍。LM386的封裝形式如圖2所示,它有兩個輸入端:同相輸入端3腳和反相輸入端2腳,輸入信號可從任意端輸入,將另一個輸入端接地。增益控制端為1、8腳,調整RP2可調整增益高低。5腳為功放輸出端,R與C4組成高頻衰減電路以提高音質。7腳接C3,避免增益過高時產生自激。6腳接電源正極,4腳接地。

LM386引腳圖
LM386實物圖


返回頂部
刷新頁面
下到頁底