設計一個三相異步電動機星-三角降壓啟動控制程序,要求合上電源刀開關,按下啟動按鈕SB2后,電機以星形連接啟動,開始轉動5S后,KM3斷電,星形啟動結束。
若8.4.1項目描述改為:設計一個三相異步電動機星-三角降壓啟動控制程序,要求合上電源刀開關,按下啟動按鈕SB2后,電機以星形連接啟動,開始轉動5S后,KM3斷電,星形啟動結束。為了有效防止電弧短路,要延時300ms后,KM2接觸器線圈得電,電動機按照三角形連接轉動。不考慮過載保護。
(1)輸入點和輸出點分配
見表8-3。
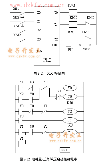
按照圖8-11完成PLC的接線。圖中輸入端的24V電源可以利用PLC提供的直流電源,也可以根據功率單獨提供電源。若實驗用PLC的輸入端為繼電器輸入,也可以用220V交流電源。
圖8-11中,電路主接觸器KM和三角形全壓運行接觸器的動合輔助觸點作為輸入信號接于PLC的輸入端,便于程序中對這兩個接觸器的實際動作進行監視,通過程序以保證電機實際運行的安全。PLC輸出端保留星形和三角形接觸器線圈的硬互鎖環節,程序中也要另設軟互鎖。
(3)程序設計
圖8-12為電機星-三角降壓啟動控制的梯形圖。在接線圖8-11中將主接觸器KM1和三角形連接的接觸器KM2輔助觸點連接到PLC的輸入端X2、X3,將啟動按鈕的動合觸點X1與X3的動斷觸點串聯,作為電機開始啟動的條件,其目的是為防止電機出現三角形直接全壓啟動。因為,若當接觸器KM2發生故障時,如主觸點燒死或銜鐵卡死打不開時,PLC的輸入端的KM2動合觸點閉合,也就使輸入繼電器X3處于導通狀態,其動斷觸點斷開狀態,這時即使按下啟動按鈕SB2(X1閉合),輸出Y0也不會導通,作為負載的KM1就無法通電動作。
在正常情況下,按下啟動按鈕后,Y0導通,KM1主觸點動作,這時如KM1無故障,則其動合觸點閉合,X2的動合觸點閉合,與Y0的動合觸點串聯,對Y0形成自鎖。同時,定時器T0開始計時,計時5s。
Y0導通,其動合觸點閉合,程序第2行中,后面的兩個動斷觸點處于閉合狀態,從而使Y2導通,接觸器KM3主觸點閉合,電機星形啟動。當T0計時5s后,使Y2斷開,即星形啟動結束。該行中的Y1動斷觸點起互鎖作用,保證若已進入三角形全壓啟動時,接觸器KM3呈斷開狀態。
T0定時到的同時,也就是星形啟動結束后,防止電弧短路,需要延時接通KM2,因此,程序第3行的定時器T1起延時0.3s的作用。
T1導通后,程序第4行使Y1導通,KM2主觸點動作,電機呈三角形全壓啟動。這里的Y2動斷觸點也起到軟互鎖作用。由于Y1導通使T0失電,T1也因T0而失電,因此,程序中用Y2的動斷觸點對Y1自鎖。
按下停止按鈕,Y0失電,從而使Y1或Y2失電,也就是在任何時候,只要按停止按鈕,電機都將停轉。
(4)運行并調試程序
a.將梯形圖程序輸入到計算機。
b.下載程序到PLC,并對程序進行調試運行。觀察電機在程序控制下能否實現自動星-三角降壓啟動。
c.調試運行并記錄調試結果。


返回頂部
刷新頁面
下到頁底