用經驗設計法設計PLC程序時大致可以按下面幾步來進行:分析控制要求、選擇控制原則;設計主令元件和檢測元件,確定輸入輸出設備;設計執行元件的控制程序;檢查修改和完善程序。下面通過例子來介紹經驗設計法。
一、設計舉例
1.送料小車自動控制的梯形圖程序設計
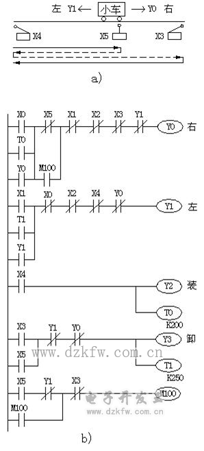
(1)被控對象對控制的要求 如圖1a所示送料小車在限位開關X4處裝料,20s后裝料結束,開始右行,碰到X3后停下來卸料,25s后左行,碰到X4后又停下來裝料,這樣不停地循環工作,直到按下停止按鈕X2。按鈕X0和X1分別用來起動小車右行和左行。
圖1 送料小車自動控制
a)小車運行示意圖 b)梯形圖
(2)程序設計思路 以眾所周知的電動機正反轉控制的梯形圖為基礎,設計出的小車控制梯形圖如圖1b所示。為使小車自動停止,將X3和X4的常閉觸點分別與Y0和Y1的線圈串聯。為使小車自動起動,將控制裝、卸料延時的定時器T0和T1的常開觸點,分別與手動起動右行和左行的X0、X1的常開觸點并聯,并用兩個限位開關對應的X4和X3的常開觸點分別接通裝料、卸料電磁閥和相應的定時器。
(3)程序分析 設小車在起動時是空車,按下左行起動按鈕X1,Y1得電,小車開始左行,碰到左限位開關時,X4的常閉觸點斷開,使Y1失電,小車停止左行。X4的常開觸點接通,使Y2和T0的線圈得電,開始裝料和延時。20s后T0的常開觸點閉合,使Y0得電,小車右行。小車離開左限位開關后,X4變為“0”狀態,Y2和T0的線圈失電,停止裝料,T0被復位。對右行和卸料過程的分析與上面的基本相同。如果小車正在運行時按停止按鈕X2,小車將停止運動,系統停止工作。
2.兩處卸料小車自動控制的梯形圖程序設計
兩處卸料小車運行路線示意圖如圖2a所示,小車仍然在限位開關X4處裝料,但在X5和X3兩處輪流卸料。小車在一個工作循環中有兩次右行都要碰到X5,第一次碰到它時停下卸料,第二次碰到它時繼續前進,因此應設置一個具有記憶功能的編程元件,區分是第一次還是第二次碰到X5。
圖2 兩處卸料小車自動控制
a)小車運行示意圖 b)梯形圖
兩處卸料小車自動控制的梯形圖如圖2b所示,它是在圖1b的基礎上根據新的控制要求修改而成的。小車在第一次碰到X5和碰到X3時都應停止右行,所以將它們的常閉觸點與Y0的線圈串聯。其中X5的觸點并聯了中間元件M100的觸點,使X5停止右行的作用受到M100的約束,M100的作用是記憶X5是第幾次被碰到,它只在小車第二次右行經過X5時起作用。為了利用PLC已有的輸入信號,用起保停電路來控制M100,它的起動條件和停止條件分別是小車碰到限位開關X5和X3,即M100在圖2a中虛線所示路線內為ON,在這段時間內M100的常開觸點將Y0控制電路中X5常閉觸點短接,因此小車第二次經過X5時不會停止右行。
為了實現兩處卸料,將X3和X5的觸點并聯后驅動Y3和T1。調試時發現小車從X3開始左行,經過X5時M100也被置位,使小車下一次右行到達X5時無法停止運行,因此在M100的起動電路中串入Y1的常閉觸點。另外還發現小車往返經過X5時,雖然不會停止運動,但是出現了短暫的卸料動作,為此將Y1和Y0的常閉觸點與Y3的線圈串聯,就可解決這個問題。系統在裝料和卸料時按停止按鈕不能使系統停止工作,請讀者考慮怎樣解決這個問題。
二、經驗設計法的特點
經驗設計法對于一些比較簡單程序設計是比較奏效的,可以收到快速、簡單的效果。但是,由于這種方法主要是依靠設計人員的經驗進行設計,所以對設計人員的要求也就比較高,特別是要求設計者有一定的實踐經驗,對工業控制系統和工業上常用的各種典型環節比較熟悉。經驗設計法沒有規律可遵循,具有很大的試探性和隨意性,往往需經多次反復修改和完善才能符合設計要求,所以設計的結果往往不很規范,因人而異。
經驗設計法一般適合于設計一些簡單的梯形圖程序或復雜系統的某一局部程序(如手動程序等)。如果用來設計復雜系統梯形圖,存在以下問題:
1.考慮不周、設計麻煩、設計周期長
用經驗設計法設計復雜系統的梯形圖程序時,要用大量的中間元件來完成記憶、聯鎖、互鎖等功能,由于需要考慮的因素很多,它們往往又交織在一起,分析起來非常困難,并且很容易遺漏一些問題。修改某一局部程序時,很可能會對系統其它部分程序產生意想不到的影響,往往花了很長時間,還得不到一個滿意的結果。
2.梯形圖的可讀性差、系統維護困難
用經驗設計法設計的梯形圖是按設計者的經驗和習慣的思路進行設計。因此,即使是設計者的同行,要分析這種程序也非常困難,更不用說維修人員了,這給PLC系統的維護和改進帶來許多困難。


返回頂部
刷新頁面
下到頁底