1、反相比例運算電路
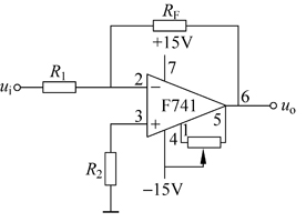
在反相比例運算電路中,電路輸入信號ui總是經過一個電阻R1接到反相輸入端,輸出信號uo經過一個電阻RF反饋到反相輸入端,如圖1(a)所示。由圖可見,圖中電路是一個用國產芯片F741接成的反相比例運算電路,圖中同時給出了電源連接及調零電路,并在同相輸入端對地串了一個電阻R2=R1//RF,目的是使兩個輸入端對地的等效電阻相同。需要強調的是,今后除特殊情況外,電源及調零等電路均為默認,不再畫出,從而圖1(a)所示電路簡化為圖1(b)所示。
![]() |
![]() |
| (a)用F741接成的反相比例運算電路 | (b)反相比例運算電路的簡化圖 |
| 圖1 反相比例運算電路 | |
對于圖1(b),由于理想運放的經輸入電流為零,所以ip=in=0,由于運放的同相和反相輸入端“虛短路 ”,反相輸入端(標注“N”處)電位近似為0,所以up=un=0。
節點N的電流方程為i1=iF
| (1) |
則有
| (2) |
所以,可得電壓放大倍數為
| (3) |
上式表明,反相比例放大電路的電壓放大倍數僅取決與反饋電阻RF與輸入電阻R1之比。式中負號“—”表示輸出電壓的相位與輸入電壓相位相反,即“反相”。
反相放大器的輸入電阻Ri=R1。
2、同相比例放大電路
同相比例放大電路如圖2所示,輸入信號ui加在同相輸入端,輸出信號uo經過一個電阻RF反饋到反相輸入端,形成負反饋。
| 圖2 同相比例運算電路 |
由于理想集成運放的凈輸入電流為零www.tsxfzk.com,所以ip=in=0,所以up=ui,且i1=iF,即
| (4) |
整理得
![]() |
(5) |
由于同相和反相輸入端虛短路,反相輸入端(標注N處)的電位與同相輸入端相同,即
| (6) |
將式 (6)代入式(5)得
![]() |
(7) |
所以
| (8) |
上式表明,輸出電壓與輸入電壓成比例運算關系而且相同。電阻R2是平衡電阻,R2=R1//RF。同相比例運算電路的輸入電阻為無窮大。
由式(7),如果使R1=∞且RF=0,電路就變成了圖3或圖4所示,這時的電壓放大倍數Auf=1,即uo=ui,電路的輸出電壓和輸入電壓相同,這樣的電路稱為電壓跟隨器。
![]() |
|
| 圖3 電壓跟隨器 | 圖4 電壓跟隨器簡化電路 |







返回頂部
刷新頁面
下到頁底