電熱水壺內部電路原理圖及故障維修方法
電熱水壺內部結構(對應上圖中3)
1.分離式底座,由圓形底座、電源插座、電源線組成;關于電源線的長度是有國標規定的,這是出于安全考慮的。它的作用是供電、承重,設計為母頭,這樣的設計是為了防止誤觸摸插座而發生觸電事故;
圖三 分離式底座
2.壺身底座:由蒸汽式自動斷電開關、水壺插座、加熱盤、溫控器、熱熔斷器、指示燈組成;以上有的沒有熱熔斷器;這是電熱水壺的工作、控制部分,是核心部件;壺身電源公頭與底座母頭結合形成開關;
圖四 壺身底座
3.壺身:由外殼、壺身、手柄、上蓋組成,有的外殼是不銹鋼材料,有的是塑料材料,壺身用來盛水,有的為雙層結構,有的為單層結構;有的外殼還有水位標尺,有的蒸汽自動開關在下部,有的在手柄上,相應內部結構上不同,比如圖五左圖對應圖四內部結構。有的壺蓋設有手提,有的沒有,在手柄上有開關;
圖五 壺身
電熱水壺結構之二(對應圖一中的2,開關在手柄上)
1.壺身底座,很明顯與上面的不一樣,蒸汽開關不在壺身底座上;
圖六 壺身底座之二
2.手柄、壺身
圖七 手柄壺身
3.溫控器
圖八 溫控器
工作原理:不同的廠家的產品工作原理不同,但差異不大,原理大同小異,這里列舉三個比較典型的電路圖供大家參考。
1.非保溫式電熱水壺原理:見下圖六,接通電源后,蒸汽自動開關SA閉合,電源L→SA→溫控器→熱熔斷器→加熱盤→電源N形成了回路,加熱盤開始加熱,指示燈并聯在加熱盤上,于是指示燈發光。當水開以后,蒸汽式自動開關斷電,指示燈熄滅,電熱水壺停止加熱。它是利用了電流的熱效應工作的,是將電能轉換為熱能的裝置。從電路可以看出,加熱盤與指示燈為并聯關系,與溫控器、熱熔斷器、蒸汽開關為串聯關系。
圖九 非保溫式電熱水壺
2.保溫式電熱水壺之一:見下圖七,其內部有兩個加熱盤,當水開之后,主加熱盤斷電,溫度降低到一定值時,副加熱盤投入工作,保持水溫在一定范圍內。紅色指示燈、綠色指示燈對應不同的狀態。兩個溫控器控制溫度不同。
圖十 保溫式電熱水壺
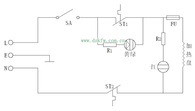
3.保溫式電水壺之二:這種電熱水壺的保溫電路是串聯了一個電阻,只能維持較低的溫度,不能持續加熱;當水開之后,溫控器ST1斷開,R1串入電路,加熱盤繼續加熱。指示燈反映不同的工作狀態。
圖十一 保溫式電熱水壺
四 電熱水壺的四大保護措施:
第一道保護:水開自動斷電,就是蒸汽自動開關SA,當水壺內的水燒開后,產生的蒸汽通過蒸汽導管送到底部的橡膠管,由蒸汽導板再將蒸汽送到蒸汽開關內。蒸汽開關內部的斷電彈簧片受熱變形,使蒸汽開關動作,利用杠桿原理推動電源開關動作,從而實現了水開自動斷電功能,其斷電后不能自動復電,好的電熱水壺水一旦沸騰馬上就能發出“啪”的一聲跳閘聲音,水立刻停止沸騰。
第二道保護:防干燒保護溫控器,常溫狀態下,溫控器是閉合的,保證電路能夠導通,當第一道蒸汽自動斷電開關失效后,水會持續被加熱(溫度保持著100℃),直至燒干,這時壺身的溫度超過會100℃,溫控器上的雙金屬片受熱變形推動觸點斷開,這是第二道保護,也就是防干燒保護。
第三道保護,過熱保護,元件為熱熔斷器,當電水壺溫度過高或嚴重短路時,溫度達到139℃左右時,熱熔斷器發揮作用,熔斷斷電,起到了保護作用。
以上三道保護依次進行,確保了熱水壺的正常、安全工作。這是區別于火爐燒開水或簡單熱水壺的重要部件。
還有一道保護措施:接地保護,這是為了降低觸電危險性設置的。
不同的熱水壺溫控器、蒸汽自動開關有差別,下圖六對應圖四;有些產品沒有熱熔斷器。
一個良好的電熱水壺應該具備以上四道保護。
圖十二 蒸汽開關與溫控器
圖十三 熱熔斷器
電熱水壺維修
檢修工具:萬用表、試電筆、改錐;
判別依據:根據電路圖分析各部件開路、短路時的電阻;比如正常情況下,一個1500w的熱水壺,其有載工作電阻為32歐姆,如果比這個小肯定是短路了,如果是無窮大肯定有斷路的地方。
1.指示燈不亮,不能燒水:這種故障應從兩方面著手檢查,一方面是檢測是否有電壓輸入,也即電源有沒有,通過試電筆或萬用表檢測;第二方面檢查有無斷路故障,電流經過的所有線路、部件都應檢查,比如開關是否通電,電源線是否斷開,另外檢測熱熔斷器是否燒斷,還有溫控器接觸是否良好,加熱盤是否斷路,這個通過萬用表即可測出;
2.指示燈不亮,但能燒水;這是指示燈支路故障,可能是該支路出現了斷路或指示燈損壞。指示燈亮但不能燒水,這種故障是加熱盤出現了斷路;
3.水開以后不能斷電;這是蒸汽開關失靈所致,由于這個裝置頻繁動作,且處于潮濕工況,因此這是一種最常見的故障。大多數情況下是生銹所致,也可能材質不良,時間長了性能改變,如果有生銹等異物清除即可;還有可能是蒸汽導管錯位蒸汽到不了簧片上;
4.外殼帶電?赡苁前l熱盤故障或者導線絕緣損壞與外殼接觸所致;
5.加熱過程中有很高的噪音,這種噪音不是正常的開水聲音,這是因為里面積存了較厚的水垢的緣故。清除了水垢以后就能消除;
6.干燒不斷電,這是蒸汽自動開關和溫控器都失效的現象;
7.加熱慢:電源電壓是否過低,水壺內是否水垢太多,電源插頭是否接觸不良;
電熱水壺結構比較簡單,原理也很簡單,發生的故障相對容易查找、排除。并且元件大部分為標準件,可以購買得到。
電熱水壺安全注意事項
因電熱水壺質量低劣發生的安全事故也有幾件,比如水燒干后斷電裝置不起作用,引起了火災事故,還有缸體漏電發生觸電事故.....。不得不引起我們的高度重視。
1.水不能加的過滿;長時間水多外溢對內部結構是一種損傷;
2.遠離小孩能夠接觸到的地方;
3.杜絕山寨產品,為了節約成本,有些廠家的產品其部件質量低劣,甚至沒有防干燒功能;用不了多長時間問題百出;
4.定期處理水垢;
5.淘汰無保護功能產品,選擇保護功能齊全產品;畢竟后者貴不了多少錢,安全上有保障。選購時一定要問清其是否具有水開斷電功能?是否具有防干燒功能?不能被忽悠了。
6.清洗時必須切斷電源,不能帶電操作;
7.作為專用的熱水壺,不能用來煮飯,勉強煮飯帶來的后果問題不少。


返回頂部
刷新頁面
下到頁底