功率放大電路是一種以輸出較大功率為目的的放大電路。它一般直接驅動負載,帶載能力要強。功率放大電路通常作為多級放大電路的輸出級。在很多電子設備中,要求放大電路的輸出級能夠帶動某種負載,例如驅動儀表,使指針偏轉;驅動揚聲器,使之發聲;或驅動自動控制系統中的執行機構等。總之,要求放大電路有足夠大的輸出功率。這樣的放大電路統稱為功率放大電路。
簡易大功率功放電路圖一
下圖所示的電路,是一款比較簡單的大功率功放電路,音質好,元減少,輸出功率為50W,各元件沒有什么特殊要求,只要焊接無誤,通電即可成功。尤其適合對于新手搞制作,此功放電路是最好不過的了!

簡易大功率功放電路圖二:三個三極管組成的功放
3個三極管可以做一個小功放,用MP3或者電腦音頻輸出作為信號源可以帶動喇叭。

簡易大功率功放電路圖三:雙電源功放

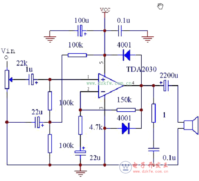
簡易大功率功放電路圖四
Vin下面的電位器用于取輸入信號分壓,接下來1u的電容用來隔去輸入信號中的直流分量。由于你使用的是單電源電路,需要加偏執電路,就是下面兩個100k的電阻組成的網絡。tda2030下面150k和4.7k的電阻還有22u的電容構成反饋網絡,決定交流放大倍數。兩個4001二極管構成輸出箝位電路,保證輸出的范圍在0~VCC直接,防止輸出過高燒毀器件。1歐的電阻和0.1u的電容起阻抗匹配作用,聽過最大功率傳輸定理定理吧,就是保證揚聲器上得到最大功率輸出。最后的2200u的電容也是隔直的作用,因為你前面用了直流偏置,所以輸出信號里有直流分量,必須在此隔掉。

簡易大功率功放電路圖五:2N3055簡潔優質大功率放大器,850功放原理圖
C1輸入隔直電容、R1輸入電阻、R2為Q1、Q2差分管恒流電阻,R4為Q1輸出負載兼Q3偏置電阻,C4消振電容,D1、D2為推動管Q4、Q5提供偏置電壓,R5為Q3負載電阻,C3也是消振電容,Q6、Q7組成準互補輸出,R6、R3組成反饋網絡,放大倍數大略為R6/R3,C2為直流全反饋電容,R12與C5組成感性負載均衡網絡。



返回頂部
刷新頁面
下到頁底