諧振法是測量阻抗的另一種基本方法,它是利用調諧回路的諧振特性而建立的測量方法。測量精度雖說不如交流電橋法高,但是由于測量線路簡單方便,在技術上的困難要比高頻電橋小(主要是雜散耦合的影響)。再加上高頻電路元件大多為調諧回路元件使用,故用諧振法進行測量也比較符合其工作的實際情況。
典型的諧振法測量儀器是Q表,所以諧振法又稱Q表法,其工作頻率范圍相當寬。
諧振法測量原理如下圖所示,它由振蕩源,已知元件和被測元件組成的,諧振回路以及諧振指示器組成。當回路達到諧振時,有
且回路總阻抗為零,即

1、諧振法測電感,諧振電路測量電感
測量小電感量的電感時用串聯替代法,如下圖所示:

然后去掉1、2之間的短路線,將Lx按入回路,保持信號源頻率不變,調節C至C2時,回路再次諧振,此時
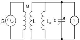
測量較大的電感常采用并聯替代法,如圖5-1所示。先不接LX,可變電容C調到小容量位置,這時C為C1,調節信號源頻率使回路諧振,此時有
,![]()
并聯替代法測量電感,如圖1所示:

圖1 并聯替代法測量電感
2、諧振法測量電容
(1)直接法測量電容
把被測電容Cx接好,調節振蕩源頻率f,使電壓表指示最大,則被測電容為![]()
直接法測量電容的誤差包含:分布電容(線圈和接線分布電容)引起的誤差;當頻率過高時引線電感引起的誤差;當回路Q值較低時,諧振曲線很平坦,不容易準確找出諧振點(電壓表指示值最大),也會產生誤差。
(2)替代法測電容
1)并聯替代法
它適合于測量小電容。其測量誤差主要取決于可變標準電容的刻度誤差。
用替代法測電容,可以消除由于分布電容引起的測量誤差,測試電路,如下圖所示:

C是一只已定度好的可變電容器,其容量變化范圍大于被測的電容量。在不接Cx的情況下,將可變電容C調到某一容量較大的位置,設其容量為C1,調節信號源頻率,使回路諧振。然后接入被測電容Cx,信號源頻率保持不變,此時回路失諧,重新調節C使回路再次諧振,這時C為C2,那么被測電容Cx=C1-C2。
2)串聯替代法
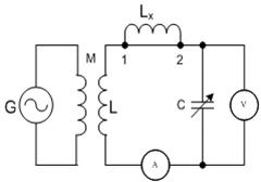
當被測電容容量大于標準電容器的最大容量時,必須用串聯接法,如下圖所示。先將圖中1、2兩端短路,調到容量較小位置,調節信號源頻率使回路諧振,這時電容量為C1。然后拆除短路線,將Cx接入回路,保持信號源頻率不變,調節c使回路再次諧振,此時可變電容C為C2,顯然Cl等于C2與CX的串聯值。
3、電容量的測量
(1)小于460pF電容的測量
(2)大于460pF電容的測量
大于460pF電容的測量可以來用串聯替代法來測量:將標準電感接至Lx接線柱,調節主調電容刻度盤。使Q值表指示最大,刻度盤讀數記為C1;取下標準電感,將其與被測電容串聯后再接于Lx接線柱上,重調主調電容刻度盤使Q值表指示再次達到最大,此時刻度盤讀數記為C2。被測電容Cx為:



返回頂部
刷新頁面
下到頁底