一、PLC控制電動機延遲啟動正轉和反轉
實驗要求:當按下電動機的正轉啟動按鈕時,電動機需要延遲30秒后,電動機才會正轉啟動工作;當按下反轉按鈕時,電動機需要延遲20秒后,電動機才會反轉啟動工作;當按下停止按鈕時電動機立刻停止工作。
| 輸入量 | 輸出量 |
| I0.0 電動機正轉按鈕 | Q0.0 電動機正轉工作 |
| I0.1 電動機反轉按鈕 | Q0.1 電動機反轉工作 |
| I0.2 電動機停止按鈕 |
分析:I0.0為電動機的正轉啟動按鈕,I0.1為電動機的反轉啟動按鈕,I0.2為停止按鈕,Q0.0為電動機正轉工作,Q0.1為電動機正轉工作,M0.0中間繼電器。當按下正轉啟動開關時,電動機需要延遲30秒后電動機才會正常的工作運行;當按下反轉啟動按鈕時,電動機需要延遲20秒才會反轉正常的工作運行;按下停止開關時,電動機立刻停止工作。
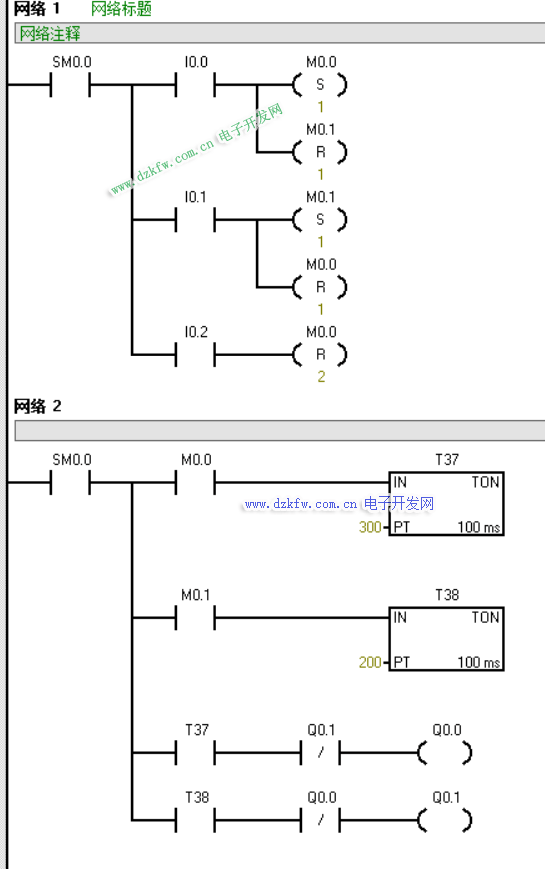
語句表
網絡1
LD SM0.0
LPS
A I0.0
S M0.0, 1
R M0.1, 1
LRD
A I0.1
S M0.1, 1
R M0.0, 1
LPP
A I0.2
R M0.0, 2
網絡2
LD SM0.0
LPS
A M0.0
TON T37, 300
LRD
A M0.1
TON T38, 200
LRD
A T37
AN Q0.1
= Q0.0
LPP
A T38
AN Q0.0
= Q0.1
二、PLC控制電動機的順序啟動逆序停止
實驗要求:有三臺電動機分別為A、B、C,當按下啟動按鈕時A先啟動后B才能啟動;B啟動后C才能啟動;當按下停止按鈕時C先停止,在到B停止,最后到A停止。啟動和停止時,兩臺電動機的時間間隔都是10秒。每臺電動機有獨立的停止開關,一個急停開關。
| 輸入量 | 輸出量 |
|
I0.0 啟動開關 |
Q0.0 A號電動機 |
| I0.1 急停開關 | Q0.1 B號電動機 |
| I0.2 停止開關 | Q0.2 C號電動機 |
|
I0.3 A電動機停止開關 |
|
| I0.4 B電動機停止開關 | |
| I0.5 C電動機停止開關 |
分析:I0.0為線路的啟動開關,I0.1為線路的急停開關,I0.2為線路的停止開關;I0.3、I0.4和I0.5分別為A、B、C電動機的單獨停止按鈕。
語句表
網絡1
LD I0.0
O Q0.0
AN T42
AN I0.1
AN I0.3
= Q0.0
TON T37, 100
網絡2
LD T37
O Q0.1
AN T41
AN I0.1
AN I0.4
= Q0.1
TON T38, 100
網絡3
LD T38
O Q0.2
AN T40
AN I0.1
AN I0.5
= Q0.2
TON T39, 100
網絡4
LD I0.2
O M0.0
AN T43
= M0.0
TON T40, 100
TON T41, 200
TON T42, 300
TON T43, 400


返回頂部
刷新頁面
下到頁底