1.任務描述
三菱PLC電動機Y-△啟動控制(三菱FX-PLC)三菱PLC星三角啟動,三相異步電動機Y-△降壓啟動的電路圖如下圖所示,現用三菱PLC對其進行改造,找出所有的輸入量輸出量,分配I/O地址,并設計出相應的I/O接線圖和PLC梯形圖程序。
2.I/0地址分配
| 輸入地址 | 輸出地址 | ||
| X000 | 停止按鈕 | Y000 | 供電電源KM1 |
| X001 | 啟動按鈕 | Y001 | 星形運行KM3 |
| X002 | 電機過載保護 | Y002 | 三角形運行KM2 |
3.I/O接線圖
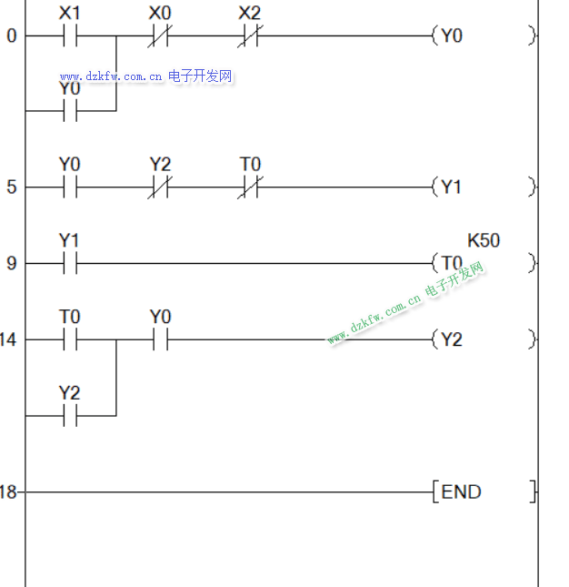
4.程序
三菱PLC星三角啟動梯形圖
5.程序解析
按下啟動按鈕X001,Y000接通為三相異步電動機提供電源,Y000接通之后,Y001得電,三相電動機星形運行,同時PLC軟元件定時器開始計時,5S鐘后,時間計時達到,Y001斷開電機星形運行停止,同時Y002得電,電動機三角形運行。當按下停止按鈕Y000、Y001、Y002都失電斷開,電動機停止運行。當電動機過載時,X002接通,Y000、Y001、Y002都斷開,電動機停止運行。


返回頂部
刷新頁面
下到頁底