光電編碼器,是一種通過光電轉換將輸出軸上的機械幾何位移量轉換成脈沖或數字量的傳感器。這是目前應用最多的傳感器,光電編碼器是由光柵盤和光電檢測裝置組成。光柵盤是在一定直徑的圓板上等分地開通若干個長方形孔。由于光電碼盤與電動機同軸,電動機旋轉時,光柵盤與電動機同速旋轉,經發光二極管等電子元件組成的檢測裝置檢測輸出若干脈沖信號,其原理示意圖如圖1所示;通過計算每秒光電編碼器輸出脈沖的個數就能反映當前電動機的轉速。此外,為判斷旋轉方向,碼盤還可提供相位相差90旱牧鉸仿齔逍藕擰。
根據檢測原理,編碼器可分為光學式、磁式、感應式和電容式。根據其刻度方法及信號輸出形式,可分為增量式、絕對式以及混合式三種。
1.增量式編碼器
增量式編碼器是直接利用光電轉換原理輸出三組方波脈沖A、B和Z相;A、B兩組脈沖相位差90海傭煞獎愕嘏卸銑魴較潁鳽相為每轉一個脈沖,用于基準點定位。它的優點是原理構造簡單,機械平均壽命可在幾萬小時以上,抗干擾能力強,可靠性高,適合于長距離傳輸。其缺點是無法輸出軸轉動的絕對位置信息。
2.絕對式編碼器
絕對編碼器是直接輸出數字量的傳感器,在它的圓形碼盤上沿徑向有若干同心碼道,每條道上由透光和不透光的扇形區相間組成,相鄰碼道的扇區數目是雙倍關系,碼盤上的碼道數就是它的二進制數碼的位數,在碼盤的一側是光源,另一側對應每一碼道有一光敏元件;當碼盤處于不同位置時,各光敏元件根據受光照與否轉換出相應的電平信號,形成二進制數。這種編碼器的特點是不要計數器,在轉軸的任意位置都可讀出一個固定的與位置相對應的數字碼。顯然,碼道越多,分辨率就越高,對于一個具有 N位二進制分辨率的編碼器,其碼盤必須有N條碼道。目前國內已有16位的絕對編碼器產品。
絕對式編碼器是利用自然二進制或循環二進制(葛萊碼)方式進行光電轉換的。絕對式編碼器與增量式編碼器不同之處在于圓盤上透光、不透光的線條圖形,絕對編碼器可有若干編碼,根據讀出碼盤上的編碼,檢測絕對位置。編碼的設計可采用二進制碼、循環碼、二進制補碼等。它的特點是:
1)可以直接讀出角度坐標的絕對值;
2)沒有累積誤差;
3)電源切除后位置信息不會丟失。但是分辨率是由二進制的位數來決定的,也就是說精度取決于位數,目前有10位、14位等多種。
3.混合式絕對值編碼器
混合式絕對值編碼器,它輸出兩組信息:一組信息用于檢測磁極位置,帶有絕對信息功能;另一組則完全同增量式編碼器的輸出信息。
光電編碼器是一種角度(角速度)檢測裝置,它將輸入給軸的角度量,利用光電轉換原理轉換成相應的電脈沖或數字量,具有體積小,精度高,工作可靠,接口數字化等優點。它廣泛應用于數控機床、回轉臺、伺服傳動、機器人、雷達、軍事目標測定等需要檢測角度的裝置和設備中。
二、光電編碼器的應用電路
2.1 EPC-755A光電編碼器的應用
EPC-755A光電編碼器具備良好的使用性能,在角度測量、位移測量時抗干擾能力很強,并具有穩定可靠的輸出脈沖信號,且該脈沖信號經計數后可得到被測量的數字信號。因此,我們在研制汽車駕駛模擬器時,對方向盤旋轉角度的測量選用EPC-755A光電編碼器作為傳感器,其輸出電路選用集電極開路型,輸出分辨率選用360個脈沖/圈,考慮到汽車方向盤轉動是雙向的,既可順時針旋轉,也可逆時針旋轉,需要對編碼器的輸出信號鑒相后才能計數。圖2給出了光電編碼器實際使用的鑒相與雙向計數電路,鑒相電路用1個D觸發器和2個與非門組成,計數電路用3片74LS193組成。
當光電編碼器順時針旋轉時,通道A輸出波形超前通道B輸出波形90°,D觸發器輸出Q(波形W1)為高電平,Q(波形W2)為低電平,上面與非門打開,計數脈沖通過(波形W3),送至雙向計數器74LS193的加脈沖輸入端CU,進行加法計數;此時,下面與非門關閉,其輸出為高電平(波形W4)。當光電編碼器逆時針旋轉時,通道A輸出波形比通道B輸出波形延遲90°,D觸發器輸出Q(波形W1)為低電平,Q(波形W2)為高電平,上面與非門關閉,其輸出為高電平(波形W3);此時,下面與非門打開,計數脈沖通過(波形W4),送至雙向計數器74LS193的減脈沖輸入端CD,進行減法計數。
汽車方向盤順時針和逆時針旋轉時,其最大旋轉角度均為兩圈半,選用分辨率為360個脈沖/圈的編碼器,其最大輸出脈沖數為900個;實際使用的計數電路用3片74LS193組成,在系統上電初始化時,先對其進行復位(CLR信號),再將其初值設為800H,即2048(LD信號);如此,當方向盤順時針旋轉時,計數電路的輸出范圍為2048~2948,當方向盤逆時針旋轉時,計數電路的輸出范圍為2048~1148;計數電路的數據輸出D0~D11送至數據處理電路。
實際使用時,方向盤頻繁地進行順時針和逆時針轉動,由于存在量化誤差,工作較長一段時間后,方向盤回中時計數電路輸出可能不是2048,而是有幾個字的偏差;為解決這一問題,我們增加了一個方向盤回中檢測電路,系統工作后,數據處理電路在模擬器處于非操作狀態時,系統檢測回中檢測電路,若方向盤處于回中狀態,而計數電路的數據輸出不是2048,可對計數電路進行復位,并重新設置初值。
2.2 光電編碼器在重力測量儀中的應用
采用旋轉式光電編碼器,把它的轉軸與重力測量儀中補償旋鈕軸相連。重力測量儀中補償旋鈕的角位移量轉化為某種電信號量;旋轉式光電編碼器分兩種,絕對編碼器和增量編碼器。
增量編碼器是以脈沖形式輸出的傳感器,其碼盤比絕對編碼器碼盤要簡單得多且分辨率更高。一般只需要三條碼道,這里的碼道實際上已不具有絕對編碼器碼道的意義,而是產生計數脈沖。它的碼盤的外道和中間道有數目相同均勻分布的透光和不透光的扇形區(光柵),但是兩道扇區相互錯開半個區。當碼盤轉動時,它的輸出信號是相位差為90°的A相和B相脈沖信號以及只有一條透光狹縫的第三碼道所產生的脈沖信號(它作為碼盤的基準位置,給計數系統提供一個初始的零位信號)。從A,B兩個輸出信號的相位關系(超前或滯后)可判斷旋轉的方向。由圖3(a)可見,當碼盤正轉時,A道脈沖波形比B道超前π/2,而反轉時,A道脈沖比B道滯后π/2。圖3(b)是一實際電路,用A道整形波的下沿觸發單穩態產生的正脈沖與B道整形波相‘與’,當碼盤正轉時只有正向口脈沖輸出,反之,只有逆向口脈沖輸出。因此,增量編碼器是根據輸出脈沖源和脈沖計數來確定碼盤的轉動方向和相對角位移量。通常,若編碼器有N個(碼道)輸出信號,其相位差為π/ N,可計數脈沖為2N倍光柵數,現在N=2。圖3電路的缺點是有時會產生誤記脈沖造成誤差,這種情況出現在當某一道信號處于‘高’或‘低’電平狀態,而另一道信號正處于‘高’和 ‘低’之間的往返變化狀態,此時碼盤雖然未產生位移,但是會產生單方向的輸出脈沖。例如,碼盤發生抖動或手動對準位置時(下面可以看到,在重力儀測量時就會有這種情況)。
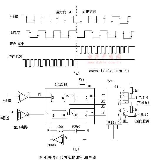
圖4是一個既能防止誤脈沖又能提高分辨率的四倍頻細分電路。在這里,采用了有記憶功能的D型觸發器和時鐘發生電路。由圖4可見,每一道有兩個D觸發器串接,這樣,在時鐘脈沖的間隔中,兩個Q端(如對應B道的74LS175的第2、7引腳)保持前兩個時鐘期的輸入狀態,若兩者相同,則表示時鐘間隔中無變化;否則,可以根據兩者關系判斷出它的變化方向,從而產生‘正向’或‘反向’輸出脈沖。當某道由于振動在‘高’、‘低’間往復變化時,將交替產生‘正向’和‘反向’脈沖,這在對兩個計數器取代數和時就可消除它們的影響(下面儀器的讀數也將涉及這點)。由此可見,時鐘發生器的頻率應大于振動頻率的可能最大值。由圖4還可看出,在原一個脈沖信號的周期內,得到了四個計數脈沖。例如,原每圈脈沖數為1000的編碼器可產生4倍頻的脈沖數是4000個,其分辨率為0.09°。實際上,目前這類傳感器產品都將光敏元件輸出信號的放大整形等電路與傳感檢測元件封裝在一起,所以只要加上細分與計數電路就可以組成一個角位移測量系統(74159是4-16譯碼器)。


返回頂部
刷新頁面
下到頁底