基于直流電機H 橋的驅動和控制原理, 本文詳細分析和探討了電路設計過程中可能出現的各種問題, 提出了切實可行的解決手段。 該電路采用NMOS場效應管作為功率輸出器件, 設計并實現了較大功率的直流電機H 橋驅動電路,并對額定電壓為24 伏, 額定電流為3.8A 的25D60-24A 直流電機進行閉環控制, 電路的抗干擾能力強, 魯棒性好。
1 引言
直流電機具有優良的調速特性, 調速平滑、方便、調速范圍廣, 過載能力強, 可以實現頻繁的無級快速啟動、制動和反轉, 能滿足生產過程中自動化系統各種不同的特殊運行要求, 因此在工業控制領域, 直流電機得到了廣泛的應用。
許多半導體公司推出了直流電機專用驅動芯片, 但這些芯片多數只適合小功率直流電機, 對于大功率直流電機的驅動, 其集成芯片價格昂貴。 基于此, 本文詳細分析和探討了較大功率直流電機驅動電路設計中可能出現的各種問題, 有針對性設計和實現了一款基于25D60-24A 的直流電機驅動電路。 該電路驅動功率大, 抗干擾能力強, 具有廣泛的應用前景。
2 H 橋功率驅動電路的設計
在直流電機中, 可以采用GTR 集電極輸出型和射極輸出性驅動電路實現電機的驅動, 但是它們都屬于不可逆變速控制, 其電流不能反向, 無制動能力, 也不能反向驅動, 電機只能單方向旋轉, 因此這種驅動電路受到了很大的限制。對于可逆變速控制, H 橋型互補對稱式驅動電路使用最為廣泛。可逆驅動允許電流反向, 可以實現直流電機的四象限運行, 有效實現電機的正、反轉控制。 而電機速度的控制主要有三種, 調節電樞電壓、減弱勵磁磁通、改變電樞回路電阻。 三種方法各有優缺點, 改變電樞回路電阻只能實現有級調速, 減弱磁通雖然能實現平滑調速, 但這種方法的調速范圍不大, 一般都是配合變壓調速使用。 因此在直流調速系統中, 都是以變壓調速為主, 通過PWM(Pulse Width Modulation)信號占空比的調節改變電樞電壓的大小, 從而實現電機的平滑調速。
2.1 H 橋驅動原理
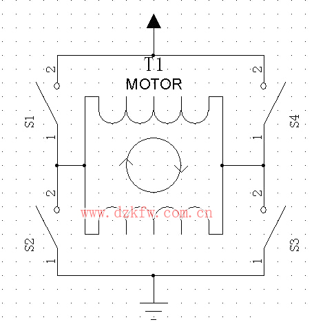
要控制電機的正反轉, 需要給電機提供正反向電壓, 這就需要四路開關去控制電機兩個輸入端的電壓。 當開關S1 和S4 閉合時, 電流從電機左端流向電機的右端, 電機沿一個方向旋轉;當開關S2 和S3 閉合時, 電流從電機右端流向電機左端, 電機沿另一個方向旋轉, H 橋驅動原理等效電路圖如圖1 所示。

圖1 H 橋驅動原理電路圖
2.2 開關器件的選擇及H 橋電路設計
常用的電子開關器件有繼電器, 三極管, MOS 管, IGBT 等。 普通繼電器屬機械器件, 開關次數有限, 開關速度比較慢。 而且繼電器內部為感性負載, 對電路的干擾比較大。 但繼電器可以把控制部分與被控制部分分開, 實現由小信號控制大信號, 高壓控制中經常會用到繼電器。 三極管屬于電流驅動型器件, 設基極電流為IB, 集電極電流為IC, 三極管的放大系數為β, 如果, IB*β>=IC, 則三極管處于飽和狀態, 可以當作開關使用。 要使三極管處于開關狀態, IB= IC/β, 三極管驅動管的電流跟三極管輸出端的電流成正比, 如果三極管輸出端電流比較大, 對三極管驅動端的要求也比較高。 MOS 管屬于電壓驅動型器件, 對于NMOS 來說, 只要柵極電壓高于源極電壓即可實現NMOS 的飽和導通, MOS 管開啟與關斷的能量損失僅是對柵極和源極之間的寄生電容的充放電, 對MOS管驅動端要求不高。 同時MOS 端可以做到很大的電流輸出, 因此一般用于需要大電流的場所。 IGBT 則是結合了三極管和MOS 管的優點制造的器件, 一般用于200V 以上的情況。
在本設計中, 電機工作電流為3.8A, 工作電壓24V, 電機驅動的控制端為51 系列單片機, 最大灌電流為30mA. 因此采用MOS管作為H橋的開關器件。 MOS管又有NMOS和PMOS之分, 兩種管子的制造工藝不同, 控制方法也不同。 NMOS 導通要求柵極電壓大于源極電壓(10V-15V), 而PMOS 的導通要求柵極電壓小于源極電壓(10V-15V)。 在本設計中, 采用24V 單電源供電, 采用NMOS 管的通斷控制的接線如圖2 所示, 只要G 極電壓在10-15V 的范圍內, NMOS 即可飽和導通, G 極電壓為0 時, NMOS 管關斷。

圖2 NMOS 接線圖
采用PMOS 管實現通斷控制時, 其接線如圖3 所示, G 極電壓等于電源電壓VCC 時PMOS 關斷。

圖3 PMOS 接線圖
10V15V 時, 要使PMOS 導通則G 極電壓為VCC-15V. PMOS 的導通與關斷, 是在電源電壓VCC 與VCC-15V 之間切換, 當電源電壓VCC 較大時控制不方便。 比較圖2 圖3 可知:NMOS位于負載的下方, 而PMOS 位于負載的上方, 用NMOS 和PMOS, 替換掉圖1 中的開關, 就可以組成由MOS 管組成的H 橋, 如圖4 所示。

圖4 PMOS 和NMOS 管構成的H 橋
Q1 和Q4 導通, 電機沿一個方向旋轉, Q2 和Q3 導通電機沿另一個方向旋轉。 在本系統中, 電機的工作電壓為24V, 即電源電壓為24V, 則要控制H 橋的上管(PMOS)導通和關斷的電壓分別為24V-15V=9V 和24V, 而對于下管(NMOS)來說, 導通與關斷電壓分別為15V 和0V, 要想同時打開與關斷上、下兩管, 所用的控制電路比較復雜。 而且, 相同工藝做出的PMOS 要比NMOS 的工作電流小, PMOS 的成本高。 分別用PMOS 和NMOS 做上管與下管, 電路的對稱性不好。 由于上述問題, 在構建H 橋的時候僅采用NMOS 作為功率開關器件。 用NMOS 搭建出的H 橋如圖5 所示:

圖5 NMOS 管構成的H 橋


返回頂部
刷新頁面
下到頁底