電動機正反轉,看似只是一張簡單的電路圖,但其實里面包含了多種電工常用知識。因此這張圖常常當作電工入門教學之用,或者說,此圖是許多電工的啟蒙教材。今日拿來與對電工感興趣或剛入行的電工朋友分享。此圖直接拿來使用的情況也很多,比如起重機、卷揚機、車床、電梯等。凡是需要做往返動作的機器,幾乎都需要用到正反轉。科技發展到今天,很多機械實現了自動化,如數控車床等,都是使用plc控制,但需要知道,PLC在編程過程中,程序員必須清楚其機械控制原理,才能在編程時通過控制電路通斷來實現控制功能。有機會我們會向大家分享控制電動機正反轉的PLC控制程序,但在學習PLC之前,學習其機械原理是絕對必須的。
電動機正反轉控制原理圖中,涉及到的知識點有:1.電動機轉動方向變換原因;2.電路保護裝置;3.按鈕和接觸器的元件原理;4.自鎖與互鎖;5.機械互鎖的用處。
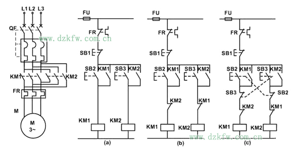
電動機正反轉電路圖(下文簡稱圖1)▼
在這張圖中,左側是主回路,實際上就是給電動機提供了一個電源;右側是控制回路,或者叫“二次回路”(控制回路屬于二次回路),是通過利用按鈕和接觸器的特點對電路進行控制的。
為了方便對各方面知識的逐步理解,我們將電路圖拆分,于是就有了下面這張圖(下文簡稱圖2)

▼電動機轉動方向變換原因
最左側的電路圖,與上面那張完整電路的主回路是相同的,右側的a,b,c三張圖我們會在之后講解。此處我們先來看主回路,從KM1和KM2可以看出,之所以電動機能夠變換轉動方向,是由于此處改變了電動機三相電的順序。即當KM1閉合時,電動機從左至右的三相為L1,L2,L3;當KM2閉合時,電動機從左至右的三相為L3,L2,L1。下文中,均規定L1,L2,L3的順序為正向。
電路保護裝置
嚴格意義上來講,包括自鎖和互鎖,都有對電路的保護作用,此處只說保護元件。
從圖1中可以更直觀的看出,電路中有一個2P的熔斷器FU2和一個3P的熔斷器FU1以及一個熱繼電器FR,二者都為電路提供過載保護。
按鈕和接觸器的原理
按鈕和接觸器是電氣控制中用到最多的元件,在該圖中更是主要角色。
按鈕分為啟動按鈕和停止按鈕,啟動按鈕在平時是斷開狀態,按下時閉合,松開后恢復,停止按鈕正好相反。如果仔細觀察圖1的控制回路可以發現,圖中SB1是停止按鈕,但是SB2和SB3看起來有點奇怪,看似啟動按鈕,但下面卻畫了兩條虛線通向旁邊回路的常閉觸點。其實這里的SB2和SB3是兩個特殊的按鈕——機械互鎖按鈕。其特點是有常開、常閉兩個觸點,按下按鈕后常開觸點閉合,常閉觸點斷開。
接觸器中有線圈、常開觸點和常閉觸點,在電路圖中的代號均為KM。其特點是當線圈斷電時,常開觸點斷開,常閉觸點閉合;通電后,常開觸點閉合,常閉觸點斷開。
自鎖與互鎖
我們來看圖2a的控制回路,此時按下SB2,線圈KM1通電,此時接觸器常開觸點KM1閉合,因此當松開SB2時,電動機依然可以正轉——自鎖。
但是此時有一個問題,即電動機正轉過程中,按下SB3,會導致短路事故(主回路中接觸器常開觸點KM1和KM2同時閉合,導致短路)。因此圖2a是一種錯誤接法。
我們為了避免這種短路,就引用了圖2b這種接法。在此控制回路中,當電動機正轉時,由于接觸器線圈KM1通電,常閉觸點KM1斷開,因此即使在此時按下SB3,電路也不會有任何反應——互鎖。
機械互鎖的作用
事實上,圖2b的控制方法已經可以實現電動機的正反轉,但是麻煩的是電動機正轉切換反轉時,必須按下停止按鈕SB1才能繼續按SB3。因此,為了操作方便,我們又引入了機械互鎖按鈕,做成了圖2c的電路。
在此圖中,按下SB3,可以直接斷開SB2,使電動機進行反轉。

電動機正反轉實物圖▼
在使用圖1或圖2c的電路時,要注意使用場所,在一些電動機正轉過程中,不能直接進行反轉的場合下,此電路則不適用,以免發生危險。


返回頂部
刷新頁面
下到頁底