(1)直接啟動
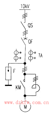
高壓電動機直接啟動的一次原理圖見右圖。圖中QS是隔離開關,功能類似于低壓系統中的刀開關,設備檢修時將其斷開以確保安全。QF是真空斷路器,是電動機啟動運行和停止運行的主開關,近年來它逐漸取代了過去在高壓開關柜中大量使用的油斷路器。電動機啟動前應首先合上QS,然后通過二次控制電路合上真空斷路器QF,這時電動機得電開始啟動,合閘瞬間電流可達到額定電流的5~7倍。隨著電動機轉速的逐漸提高,啟動電流降低到額定電流,啟動過程結束。
直接啟動時的電流變化見左圖的曲線1。由于直接啟動的電流較大,因此,通常應用在電動機功率相對較小(例如一兩百千瓦)、供電容量相對充裕的系統中。
隔離開關QS和真空斷路器QF的操作順序非常重要,啟動運待時必須先合QS,后合QF;停機時必須先斷開QF,之后才能操作(或不操作)QS。因為隔離開關沒有滅弧措施,不能用它接通或斷開負荷電流。這在開關柜設計時就已經采取了機械閉鎖和電氣閉鎖措施,能有效防止因操作程序錯誤引發的設備事故。
TA是電流互感器,共有兩只,每只有兩個二次繞組,分別用于電流測量和電流保護。在三相三線電力系統中,三相電流有如下關系,即IU+IV+IW=0。因此,只要在三相系統中選任意兩相安裝電流互感器,即可通過對電流表的適當連接,或通過智能電力儀表的內部運算,實現對三相電流的測量。
右圖中的F是避雷器,它可吸收沿供電線路引入的雷電高電壓或真空斷路器等開關元件產生的操作過電壓,保護電動機的絕緣免遭破壞。
(2)降壓啟動
可供高壓電動機選用的降壓啟動方案有多種。因為降壓啟動能調整和限制啟動電流,因此適用于數百數千千瓦甚至上萬千瓦的電動機。
降壓啟動的基本原理是啟動時在電動機的電流回路中串聯接入一個降壓限流元件或裝置,用以限制啟動電流,減少過大的啟動電流對電網造成的沖擊,防止電壓跌落太多導致的啟動失敗;同時也能減小或防止啟動時機械沖擊力可能對設備造成的損傷。
1)電抗器降壓啟動
.
這是一種較為傳統的啟動方式,其一次原理圖見上圖。電抗器是一種三相結構的鐵芯線圈,有較大的電抗值。電動機啟動時,真空斷路器QF合閘,而真空接觸器KM暫時不合,這樣電抗器L串入啟動回路,較大的電抗值限制了啟動電流。待電動機轉速升高至接近額定轉速時,KM合閘,將電抗器L短路,電抗器退出啟動電路,電動機開始全壓運行。
另外還有一種改進型的可調電抗器啟動電路,如下圖所示。該裝置采用閉環系統,通過圖4中的電流傳感器1TA和電壓傳感器TV,檢測啟動過程中的啟動電流和電抗器L兩端的電壓信號,由控制器自動調節電抗器的勵磁電流,改變電抗器允許通過的電流值和電抗器兩端電壓,實現平穩軟啟動,性能更加優越。
下圖中的虛線框表示框內元件獨立安裝在一個柜體內,與安裝有真空斷路器的開關柜形成一個開關柜組,共同完成電動機的啟動控制功能。



返回頂部
刷新頁面
下到頁底