一、減少輸入點數的方法
1 . 分時分組輸入
自動程序和手動程序不會同時執行,自動和手動這兩種工作方式分別使用的輸入量可以分成兩組輸入,共用同一個端子,如下圖 所示 。

圖 分時分組輸入
2. 輸入觸點的合并
如果某些外部 輸入信號總是以某種“與或非”組合的整體形式出現在梯形圖中,可以將它們對應的觸點在 plc 外部串、并聯后作為一個整體接到 PLC 的輸入端子上,只占 PLC 的一個輸入點。
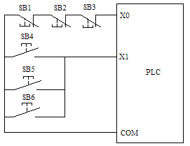
例如某負載可以在 3 處起動 / 停止,可以將 3 個起動信號并聯,將 3 個停止信號串聯,分別送給 PLC 的兩個輸入點,如下圖所示。

圖 輸入觸點的合并
3. 將信號設置在PLC之外
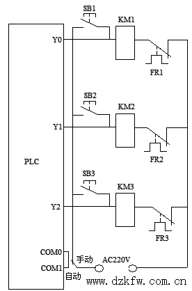
系統的某些輸入信號,例如手動操作按鈕、保護動作后要手動復位的電動機熱繼電器 FR 的常閉觸點提供的信號,可以設置 在 PLC 外部的硬件電路中,如下圖所示。

圖 將信號設在PLC之外
二、減少輸出點數的方法
1. 減少所需數字量輸出點數的方法
在 PLC 的輸出功率允許下,通 / 斷狀態完全相同的多個負載并聯后,可以共用一個輸出點,通過外部的或 PLC 控制的轉換開關的切換,一個輸出點可以控制兩個或多個不同時工作的負載。
在需要用指示燈顯示 PLC 驅動的負載的狀態時,可以將指示燈與負載并聯,并聯時指示燈與負載的額定電壓相同,總電流不應超過允許的值。
可以用接觸器的輔助觸點來實現 PLC 外部的硬件聯鎖。
系統中某些相對獨立或比較簡單的部分,可以不進 PLC ,用繼電器電路來控制,這樣可以減少所需的 PLC 的輸入、輸出點數。
2. 減少數字顯示所需輸出點數的方法
如果用數字量輸出點來控 制多位 LED 七段顯示器,所需的輸出點是很多的。
在下圖所示電路中,用具有鎖存譯碼驅動功能的芯片 CD4513 驅動共陰極 LED 七段顯示器。

圖 PLC 的數字顯示電路


返回頂部
刷新頁面
下到頁底