三.制作方法:
1.電機的改裝
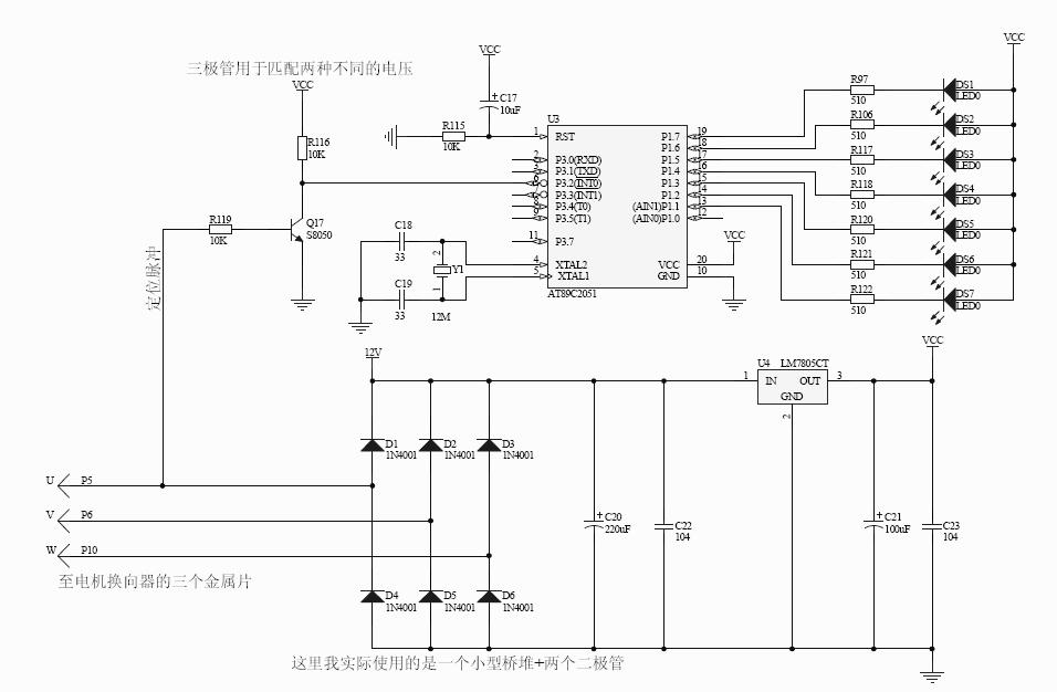
電路的供電和LED 的定位是本制作的一個難點。裝在電機上的電路始終在高速旋轉,我們就無法使用通常的方法來給電路供電。但我們可以通過對電機的改造來解決。我們都知道,一般的直流電機是線圈作為轉子,而永磁體作為定子的。他是通過電刷來實現給線圈供電的,而且直流電機的旋轉需要交變的電流,這是由固定在轉子軸上的換向器來巧妙的實現直流變為交流的。我們的電路是固定在電機的轉子上的,它和轉子是保持相對靜止的。因此,我們可以從電機的轉子中取得電源。方法很簡單,也就是從電機的換向器上用漆包線把電引到電路板上,經整流,濾波后給單片機電路供電。換向器上的每個電極什么時候變化,是和電機轉子的位子有關的,我們正好可以使用其中的一路信號來給LED 顯示的起始位置定位。
具體改裝過程如下:
1)拆開電機(我使用的是錄音機上的12V直流電機),注意拆的時候別弄壞了電機的電刷!
2)小心地從電機換向器上的三個電極引出三條漆包線
(由于我改裝到這步時忘了拍照了,此圖略)
3)取下電機外殼的含油軸承
4)我用原來裝在電機上的皮帶輪試了一下,正好可以放進拆掉含油軸承的地方,而且可以和外殼之間靈活旋轉(運氣不錯!大家也可以試試別的)。于是我在這個上面鉆了幾個小孔,把那三條漆包線從小孔里穿出來。從而可以用來保護漆包線在轉子和定子結合出的安全。(注意:替代上去的部分是和轉子保持固定,和外殼之間是可以旋轉的)。
5)組裝回整個電機,電機改裝至此結束
2.電路
電路結構的安排見上面整體結構圖,需要注意的是要安排好電機軸兩邊的電路重量盡量相近。
3.程序
程序很簡單,我這里給出一個C51 的示例程序,大家可以按自己的需要來改,做成旋轉時鐘等什么的。
/*******************************************************************
名稱:旋轉LED
作者:章健
日期:2006.1.5
*******************************************************************/
#include<REG2051.H>
#define uchar unsigned char
void delay();
uchar zimo[16]={0xff,0x7d,0x00,0x7d,0xff, //字母“I”
0xc7,0x83,0xc1,0x83,0xc7, //心形圖案
0xff, //用來擱開心形圖案和字母U
0x03,0xfd,0xfd,0xfd,0x03}; //字母“U”
//0xc9,0xb6,0xb6,0xb6,0xc9};
void main()
{TCON|=0x01; //外部中斷0 下降沿觸發
IE=0x81; //開中斷
while(1);
}
void delay() //延時子程序,延時長短請根據的你的電機轉速進行調整
{uchar j;
for(j=0;j<255;j++)
{;}
}
void display() interrupt 0 //中斷處理
{uchar i;
for(i=0;i<16;i++)
{P1=zimo[i];
delay();}
P1=0xff;
}
四.最后祝大家制作成功!






返回頂部
刷新頁面
下到頁底