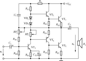
音頻放大電路工作的頻率范圍為20~20 000Hz,它可以對整個音頻范圍放大,也可以只放大其中的一部分。音頻放大電路一般由兩部分組成:一是電壓放大電路,主要用于提高信號的電壓以有效驅動功率放大電路,它實際上是一個共發射極放大電路,通常稱為前置推動級;另一是功率放大電路,主要用于給負載(如揚聲器)提供足夠的驅動功率,通常稱為輸出級。圖1所示是一個典型的音頻放大電路,圖中:VT1構成電壓放大電路,VT2、VT3、VT4、VT5構成功率放大電路。
圖1 音頻放大電路
1.功率放大電路概述
功率放大電路在多級放大電路中處于最后一級,其主要作用是輸出足夠大的功率去驅動負載,如揚聲器、伺服電機、指示表頭、記錄器等。功率放大電路要求:輸出電壓和輸出電流的幅度都比較大,效率高。因此,三極管工作在大電壓、大電流狀態,管子的損耗功率大,發熱嚴重,必須選用大功率三極管(通常稱為功放管),且要加裝符合規定要求的散熱裝置。由于三極管處于大信號運用狀態,不能采用微變等效電路分析法,一般采用圖解分析法。
根據靜態工作點設置的不同,放大電路可分為甲類、乙類、甲乙類和丙類。甲類放大電路的靜態工作點設置適中,輸入信號在整個周期內均得到放大、輸出,如圖2(a)所示。乙類放大電路的靜態工作點設置在三極管輸出特性曲線的橫軸上,輸入信號只有半個周期得到放大、輸出,如圖2(b)所示。甲乙類放大電路靜態工作點的設置使輸入信號在大于半個周期但小于整個周期的時間內得到放大、輸出,如圖2(c)所示。丙類放大電路靜態工作點的設置使輸入信號在小于半個周期的時間內得到放大、輸出,如圖2(d)所示。
為降低三極管靜態管耗,提高效率,功率放大電路通常采用甲乙類工作方式,即將功率放大電路的靜態工作點設置在接近橫軸的放大區內。這樣,對應輸入信號將有半周產生失真,解決的辦法是用兩只三極管分別對半個周期的輸入信號進行放大。目前,實際應用中普遍采用互補對稱功率放大電路,它又分為OCL互補對稱功率放大電路和OTL互補對稱功率放大電路等。
圖2 各類放大電路的輸出波形
2. OCL電路
(1)電路圖:
圖 3 OCL功率放大電路
(1) 靜態分析
當ui=0時,因電路上下對稱,靜態發射極電位UE=0,負載電阻RL中無電流通過,uo=0。因三極管處于微導通狀態,所以兩管的IB≈0、IC≈0、∣UCE∣=∣VCC∣,基本無靜態功耗。
(2) 動態分析
設輸入信號為正弦電壓ui,在ui正半周,VT2發射結承受正向電壓,VT3發射結承受反向電壓,故VT2導通、VT3截止,+VCC通過VT2向RL供電,在RL上獲得跟隨ui的正半周信號電壓uo,即(uo≈ui);在ui負半周,VT2承受反向電壓,VT3承受正向電壓,故VT2截止,VT3導通,-VCC通過VT3向RL供電,在RL上獲得跟隨ui的負半周信號電壓uo。這樣通過兩只管子輪換導通在負載RL上獲得了完整的正弦波信號電壓。
由此可知:輸出電壓uo雖未被放大,但 由于iL= ie=(1+β)ib,具有電流放大作用,因此具有功率放大作用。
(3) 參數計算
① 最大輸出功率Pom
② 直流電源供給的功率PV
③ 效率η:輸出功率Po與直流電源供給功率PV的比值,即
④ 三極管管耗PC











返回頂部
刷新頁面
下到頁底