工作原理
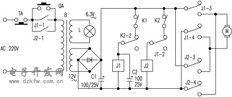
電源變壓器B、橋式整流堆和電容C1組成12V直流電源。繼電器J1、J2和行程開關K1、K2組成互鎖電源極性切換電路。
當按下按鈕QA時,220V交流電接通,指示燈L點亮,由于C2的存在,J1兩端的電壓不能突變,故J2優先吸合,J2-1閉合,電路自保,J2-2斷開,電路互鎖,J2-3、J2-4閉合,電機得電正轉,窗簾開啟。窗簾完全開啟后,行程開關K2被拉線拉動而斷開,J2失電釋放,J2-1斷開,整個電路斷電停止工作。窗簾完全開啟后,再次按下QA時,由于K2斷開,J2不能吸合,J1吸合,J1-1閉合,電路自保,指示燈L點亮,J1-2斷開,電路互鎖,J1-3、J1-4閉合,電機得電反轉,窗簾閉合。窗簾完全閉合后,行程開關K1被拉線拉動而斷開,J1失電釋放,J1-1斷開,整個電路斷電停止工作。
當需要窗簾停在任意位置時,只要在窗簾運動過程中,按下按鈕TA即可。
需要說明的是,本電路控制的窗簾開閉,是以開啟動作為優先的,即窗簾只要不是呈完全開啟狀,當按下QA時,窗簾總是朝開啟方向運動。不過,日常使用時,窗簾一般是全開全閉循環動作的,所以僅用一只按鈕QA就可以控制窗簾的開閉了。
元器件選用
電機要根據窗簾的質地和大小、重量來選取,變壓器、整流全橋和繼電器觸點容量則根據所選電機工作電流大小選取,J1、J2選用有4組觸點的12V直流繼電器,最好選用帶有插座的,這種繼電器使用時連線非常方便,行程開關選用帶有簧片的微動開關,其它元件按圖中標注選取。
實驗點評
電路在使用上確有作者所說的優點:即元件少,可實現性強。但根據筆者按圖連接使用時發現,此電路在啟動時K1、K2有搶步現象,并不像作者所說那樣準確(K2先于K1接通,窗簾往開的方向運動)。
筆者作如下改動:在K1支路中,K1與J2-2之間串接兩只二極管。筆者使用兩只1N4001(也可以使用一只50Ω/2W的電阻)。這樣在不影響J1吸合的情況下使電路更加可靠。


返回頂部
刷新頁面
下到頁底