三極管開關電路在平時的電路設計應用中出鏡率很高,而對于工程師們來說,如果能夠合理的利用三極管構成放大電路,不僅可以節省研發成本,也有利于簡化電路設計。在今天的文章中,我們將會為各位剛開始接觸電路設計的新人工程師們,簡要分析一下三極管開關電路中的放電電路運行原理知識,下面就讓我們一起來看看吧。
在三極管開關電路的設計過程中,由三極管所構成的放大電路,其功能是利用三極管的電流控制作用,或場效應管電壓控制作用,把微弱的電信號不失真地放大到所需的數值,實現將直流電源的能量部分地轉化為按輸入信號規律變化且有較大能量的輸出信號。而這種三級管放大電路的實質,是一種用較小的能量去控制較大能量轉換的能量轉換裝置。
在實際的設計和應用過程中,三極管放大電路的設計原則主要有三點,需要工程師在設計之前多加注意。第一必須有直流電源,而且電源的設置應保證三極管或場效應管工作在線性放大狀態。第二,元件的安排要保證信號的傳輸,即保證信號能夠從放大電路的輸入端輸入,經過放大電路放大后從輸出端輸。第三,元件參數的選擇要保證信號能不失真地放大,并滿足放大電路的性能指標要求。要使三極管能夠正常放大信號,發射結應加正向電壓,集電結應加反向電壓。
為了更進一步的說明這種三極管開關電路的設計原理,在這里我們以NPN三極管的共發射極放大電路為例,來具體的說明一下。下圖中所提供的三種連接方式是三極管放大電路最常見的,除了共發射極聯接方式外,還有共集電極和共基極聯接方式。

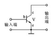
三極管共發射極接法

三極管共基極接法

三極管共集電極接法
在三極管其射極放大電路中,三極管V的作用是實現電流的放大。集電極直流電源UCC則能夠確保三極管工作在放大狀態。在該電路系統中,集電極負載電阻RC負責將三極管集電極電流變化轉變為電壓變化,以實現電壓放大。基極偏置電阻RB為放大電路提供靜態工作點。耦合電容C1和C2的作用則是隔直流通交流。當這一電路接通后,ui直接加在三極管V的基極和發射極之間,引起基極電流iB作相應的變化,通過V的電流放大作用,V的集電極電流iC也將變化。而iC的變化引起V的集電極和發射極之間的電壓uCE變化。此時,uCE中的交流分量uce經過C2暢通地傳送給負載RL,成為輸出交流電壓uo,由此實現了電壓放大作用。
以上就是本文結合實際案例,所分析的三極管開關電路設計過程中常用到的放大電路的工作原理,希望能夠為各位新人工程師的工作和研發設計帶來一定的幫助。


返回頂部
刷新頁面
下到頁底