晶體三極管放大電路有三種基本組態:共射電路、共集電路、共基電路。不管設計應用哪種組態的放大電路,必須首先保證其具有交流信號的放大能力。從以下三要素出發,可以定性判別一個晶體管電路是否有交流信號放大能力。
1.三極管具有合適的工作點
工作點合適與否需要定量計算。只定性判別其有無交流放大能力,關鍵是看三極管是否滿足發射結正偏,集電結反偏。即:要具有放大交流信號的可能,對NPN的管子UBe>0,UBc<0;對PNP的管子UBe<0,UBc>0。
2.輸入信號Ui不能被短接
Ui被短接的話,電流走捷徑。就不可能加到三極管上進行放大。Ui為交流信號。觀察其是否被短接是相對于交流信號而言的。共射與共集電路的輸入信號從B極加入,故這兩種組態電路B極不能交流接地;共基電路輸入信號從E極加入,故這種組態電路E極不能交流接地。Ui被交流短接主要是由三種情況造成的。一是直接被導線短接;二是被容值較大的電容短接:三是被直流電源短接。
3.輸出信號Uo不能被短接
同樣,輸出信號Uo短接也是指交流短接。即使輸入信號加到了三極管上。其所產生的交流電流被三極管放大了,但輸出信號被短接的話。負載上也取不到交流信號。共射與共基電路輸出信號取自C極,故這兩種組態電路C極不能交流地:共集電路輸出信號取自E極,故這種組態電路的E極不能交流接地。
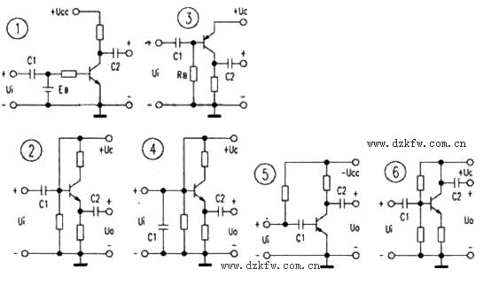
根據上述三要素。我們來分析下列各電路能否放大交流信號。
由要素之一(三極管具有合適的工作點):圖5為PNP型三極管,應在C極加負電源,但電容C1對直流電源相當于開路,故不能滿足發射結正偏。其他各電路均滿足第一要素,其中圖1為雙電源供電,圖3的三極管也是PNP型,直流電源+Uc從E極加入,通過發射結、RB、地,滿足發射結正偏。集電結反偏。
由要素之二(Ui不能被短接):圖1Ui被直流電源EB短接,圖2Ui通過導線被直流電源Uc短接,圖4Ui被電容C1短接。
由要素之三(Uo不能被短接):圖2、圖4輸出在E極,為共集電路,其余輸出在C極,為共射電路。圖6Uo通過導線被直流電源Uc短接。故上述6圖中只有圖3滿足放大條件的三要素,可以放大交流信號,其他電路均需要改進。


返回頂部
刷新頁面
下到頁底