摘要: 電機軟啟動器的主接線圖 電機軟啟動器的主接線方法:1、在線型:所有軟啟動器的控制器都有電動機過載保護,當軟啟動器在線運行時軟啟動器的控制器能對電機進行過載保護,不要加裝熱過載繼電器。由于經過可控硅后的電流諧波電流非常 ...
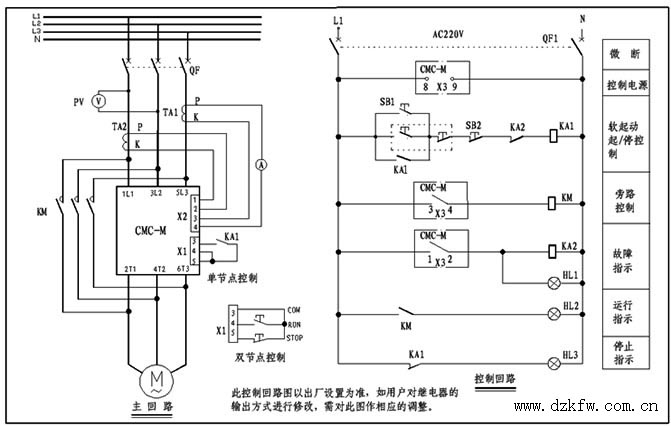
電機軟啟動器的主接線圖
電機軟啟動器的主接線方法:1、在線型:
所有軟啟動器的控制器都有電動機過載保護,當軟啟動器在線運行時軟啟動器的控制器能對電機進行過載保護,不要加裝熱過載繼電器。由于經過可控硅后的電流諧波電流非常大,所以不能加裝電子式熱過載繼電器,否則熱繼的誤動作使系統不能正常工作。由于可控硅比較昂貴而且更換困難,為了保護可控硅要用快速熔斷器防止軟啟動器下口發生短路燒毀可控硅,圖4A是指在經常使用的場所,軟起動器的上口不加接觸器,圖4B是指不經常使用的場所,在停車后將軟啟動器的電源斷開。
2、旁路型:
旁路運行軟啟動器,離開旁路接觸器是無法運行的,所以在兩種主接線方案里都有。對于軟啟動器上口的接觸器的作用和在線運行方式下作用相同在此不再重復。著重說明的是熱繼電器,把它安方在旁路接觸器的下口,不通過起動電流最好,尤其是電子熱繼電器,由于經過軟啟動器后電流諧波很大能干擾電子熱繼電器誤動作而使電機停車。另外因為可控硅的短時工作沒必要安裝快速熔斷器,所以在主結線方案里沒有加裝快速熔斷器。
3、內置旁路型:
它的主接線和在線型的大致相同,唯一的優點是因為可控硅的短時工作沒必要安裝快速熔斷器。 電動機的過載保護是有軟啟動器的控制器實現的,它不僅在功能和性能上超過電子熱繼電器,而且不會因主回路的諧波電流及外界的干擾而誤動作。


返回頂部
刷新頁面
下到頁底