推薦一個學習看電路圖的方法,拿到一份圖紙后認真看,仔細思考出圖人為什么要這么做,也就是揣摩作者的意圖。
等覺得差不多的時候,自己動手從新畫一份實現同樣功能的圖紙。可以與作者一樣,也可以有自己的思路。
1.輸入模塊
輸入電路中有RC濾波電路(上圖中R1和C),用來防止輸入觸點抖動或者干擾脈沖引起的誤動作。
上圖是S7-200的直流輸入模塊內部電路和外部接線圖。圖中只畫出了一個回路。
其中1M是同一組輸入點內部電路的公共端。
上圖中按鈕SB觸電接通時,光耦合器T中的兩個反向并聯的發光二極管中的一個亮,右邊的光敏三極管飽和導通,當SB斷開時發光二極管熄滅,光敏三極管截止,這樣就實現了外圍電路與plc內部電路的連通。信號在經過PLC內部電路傳送給CPU。
S7-200 系列PLC的輸入端接線與三菱FX系列接線不同,三菱FX不需要外加直流電源,其電源是由系統內部提供。而S7-200 系列輸入端必須接入直流電源。當然CPU模塊一般提供DC24V電源。
因為光耦合器中有兩個反向并聯的發光二極管,所以可以改變外部DC24V電源的極性。
這樣就形成了兩種輸入方式:漏型輸入和源型輸入。
下圖兩種接線圖
源型輸入:電流從PLC內部流出經外部開關至電源負極,1M端接電源正極。
漏型輸入:電流經外部開關流入PLC內部,1M端接電源負極。
初學者容易把源型和漏型兩種接線混淆,告訴大家一個簡單的記憶方法,從PLC端看,如果電流從輸入I端流出為源型,電流從輸入I端流入為漏型。
大家只要能記住有兩種輸入方式,公共端可以接電源正也可接電源負,只要注意每一組接成一樣就行。
S7-200系列只有6ES7 221-1EF22-0XA0這一種型號可以接成交流輸入,這里不多做介紹了。工程項目中盡量不要用交流輸入。
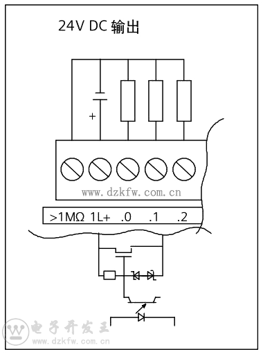
1.輸出模塊
S7-200輸出有兩種:繼電器輸出和晶體管輸出。
繼電器輸出可以驅動交流負載,也可以驅動直流負載。負載電源由外部提供。
上圖左邊是繼電器輸出電路,繼電器起隔離和功率放大作用,每一路只提供一對常開觸點。與觸點并聯的RC電路和壓敏電阻用來消除觸點斷開時產生的電弧。
上圖右邊是晶體管的輸出電路。輸出信號經光耦合器送給晶體管,晶體管的飽和導通和截止相當于觸點的接通和斷開。晶體管輸出電路的工作頻率可達20~100kHz。
繼電器輸出模塊的電壓范圍廣,導通壓降小,承受瞬時過電壓和過電流的能力較強,但是相對于晶體管輸出模塊動作較慢,壽命有一定的限制。如果系統輸出量的變化不是很頻繁,建議優先選用繼電器型的輸出模塊。
繼電器輸出可以接交流或直流,電壓等級最高到220V。可以接24V/110V/220V交直流信號。但要保證一組輸出接同樣的電壓(一組共用一個公共端,如1L、2L)。
晶體管輸出模塊用于直流負載,不能用于交流負載。比繼電器輸出模塊反應速度快,壽命長,過載能力差。
繼電器輸出外圍接線如下圖所示:


返回頂部
刷新頁面
下到頁底