如果采用高亮發光二極管(LED)來制作更加節能的新型照明燈具,情況就不一樣了。關于LED的優點,在這里不再贅述。本文筆者介紹一下利用廢舊熒光節能燈改造制作高亮LED燈的具體方法,花錢不多,收效卻很顯著。
如圖1所示,是家中常見的已經點不亮的廢棄電子熒光節能燈。
用力將其燈頭拔出后。可拽出內部的電子鎮流器線路板,整體結構如圖2、圖3所示。
改造之前要用電烙鐵把熒光管燈頭、鎮流器線路板、帶螺紋扣的燈座分開,并將電子鎮流器上多余的元器件一一焊下來,只留下1個電解電容和5個二極管備用,如圖4所示。
改造時需要購買20個高亮發光二極管和配套的PCB板,以及3個電阻、1個無極性高壓電容,如圖5圖6所示。
首先把20個高亮LED插到PCB板上并貼緊、焊好,如圖7圖8所示。
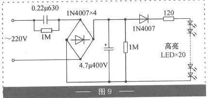
可以看出所有LED采用串聯方式連接,PCB板非焊接面最好具有反光層。隨后將3個電阻和1個高壓電容,以及原電子鎮流器的1個電解電容和5個二極管,按照圖9所示電路,在原電子鎮流器線路板上合理布置并焊好,作為新LED燈頭的供電板。
接著將LED燈頭、供電板、燈座三部分也按照圖9所示電路用線連好,如圖10、圖11所示。
最后著手組裝,先將供電板置入燈座內,如圖12所示.
再鋪上一層絕緣用的厚紙或塑科布,隨后把LED燈頭放置好,最后扣上原熒光管燈頭上拆下來的塑料件,組裝好的最終整體效果如圖13所示。
按照本文圖中所標各元件參數,該LED燈工作電流不足15mA,折合功率僅僅3W多一點,實際照明效果卻比較令人滿意,建議使用時最好外加反光燈罩,如圖14所示,以增強聚光效果。


返回頂部
刷新頁面
下到頁底