直流升壓就是將電池提供的較低的直流電壓,提升到需要的電壓值,其基本的工作過程都是:高頻振蕩產生低壓脈沖??脈沖變壓器升壓到預定電壓值??脈沖整流獲得高壓直流電,因此直流升壓電路屬于DC/DC電路的一種類型。
在使用電池供電的便攜設備中,都是通過直流升壓電路獲得電路中所需要的高電壓,這些設備包括:手機、傳呼機等無線通訊設備、照相機中的閃光燈、便攜式視頻顯示裝置、電蚊拍等電擊設備等等。
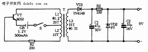
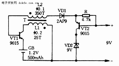
一、幾種簡單的直流升壓電路
以下是幾種簡單的直流升壓電路,主要優點:電路簡單、低成本;缺點:轉換效率較低、電池電壓利用率低、輸出功率小。這些電路比較適合用在萬用電表中,替代高壓疊層電池。






二、24V供電CRT高壓電源
一些照相機CRT使用11.4cm(4.5英寸)純平面CRT作為顯示部件,其高壓部件的陽極電壓為+20kV,聚焦極電壓為+3.2kV,加速極電壓為+1000V,高壓部件供電為直流24V。以下電路是為替換維修這些顯示器的高壓部件而設計(電路選自網絡文章,原作者不詳)。該電路的設計也可為其他升壓電路設計提供參考。
基本原理:NE555構成脈沖發生器,調節電位器VR2可使之產生頻率為20kHz左右的脈沖,電位器VR1調脈寬。TR1為推動級,脈沖變壓器T1采用反極性激勵,即TR1導通時TR2截止,TR1截止時TR2導通,D3、C9、VR3、R7及D4、R6、TR3組成高壓保護電路。VR2用于調頻率,調節VR2可調整高壓大小。
VR2選用精密可調電阻。T2可選用彩電行輸出變壓器變通使用。筆者選用的是東洋SE-1438G系列35cm(14英寸)彩電的行輸出變壓器,采用此變壓器陽極電壓可達20kV,再適當選。遥傅淖柚凳辜铀贅O電壓為+1000V、R9的阻值使聚焦極電壓為+3.2kV即可。整個部件采用鋁盒封裝,鋁殼接地,這樣可減少對電路干擾。


返回頂部
刷新頁面
下到頁底