NE555+CD4093LCL103集成化數字測速電路,ICL103 SPEED TESTER
關鍵字:NE555,CD4093,ICL103,測速電路圖
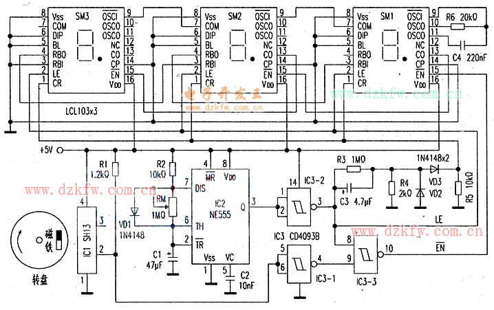
測速電路如附圖所示。其電路由霍爾磁傳感電路、時基控制電路和計數、譯碼、顯示電路等組成。
數碼管(SM1、SM2、SM3)使用LCL103.它是測速電路的核心元件。LCL103是一種LCD-CMOS型組合器件,集計數、寄存、顯示譯碼、驅動及LCD(液晶)數碼管于一體,集成度高,可直接顯示出轉/秒或轉/分。LCL103的CR為復位端;LE寄存器閉鎖控制端;RBI、RB0為無效零消隱控制輸入、輸出端;BL消隱控制端;DIP小數點消隱控制端;COM為液晶背電極;Vss負電源;OSCI、/OSCO、OSCO為振蕩輸入、輸出端;CO為進位輸出端;CP和EN為正、負脈沖觸發輸人端;Vdd為正電源(4V~15V)。
其外形尺寸為16mmx24mmx8mm(不合引腳),LCD數碼管寬為10.8mm。附圖采用3位數碼管級聯,應注意以下幾點:(1)時鐘脈沖由最低位輸入(CP ↑或/EN↓),進位輸出信號(CO)接次低位(/EN);(2)液晶顯示需要一個50Hz~400Hz、占空比5%的振蕩信號(f=1/2.2xR6xC4),級聯使用時只需一個振蕩器,再從其COM端取出時鐘信號接其余數碼管OSCI端即可;(3)無效零消隱方法是:使最高位RBI=0,其RBO接次高位RBI,以此類推,最低位RBO懸空開路。
圖中的轉盤即待測旋轉輪(或運動傳送帶),傳感器Ic1采用SH13型霍爾集成電路。當安裝小磁鐵的轉盤轉動時.Ic1感知磁信號并記錄下來,經放大和IC3-1(CD4093B)反相,加至與非門IC3-3的⑨腳。IC2使用單時基電路NE555,與R2、RP、VD1、C1組成無穩態多諧振蕩順,振蕩周期T=0.693(R2+2RP)C1,可RP調節振蕩周期(圖示元件參數的振蕩頻率為在0.05Hz~7Hz范圍)。Ic2③腳輸出的方潑脈沖經IC3-2反相后分成三路:一路加至數碼管LCL103的LE端,使其呈寄存狀態:另一路經。R3、C3、R4、R5、VD2、VD3等微分電路.作為復位脈沖加至LCL103的CR端.進行復位清零;第三路加至與非門IC3-3的⑧腳,作計數閘門,Ic2③腳輸出低電平時,Ic3-3⑧腳輸入高電平,閘門開啟,可對⑨腳送人的霍爾檢測信號進行計數,寄存、譯碼、顯示。當IC2③腳輸出高電平時,Ic3-3⑧腳輸人低電平,計數閘門關閉.但數碼管LCL103仍呈送數狀態(LE端),計數內容送至寄存器.并顯示數字。當第二個時基信號到來時,又進行清零.并再次進行計數、寄存、譯碼、顯示。如此反復進行測試。


返回頂部
刷新頁面
下到頁底