電路的功能
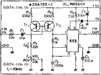
改變555的自激多諧振蕩器的充電電流即可進行頻率調制。值得注意的是如大幅度地改變充電電流,還可作為VCO使用。這種振蕩器的振蕩頻率在100KHZ以下,本電路的頻率為40KHZ,這一頻率接近紅外線遙控頻率。本電路還可用作低頻載波的頻率聲音或數據信號進行調制。555電路圖,NE555制作的FM調制電路圖:

電路工作原理
如果調制頻率范圍較小,在555振蕩電路的引線7上接上電阻并和隔直流電容器相串聯,就可構成FM調制。本電路是用TT1和TT2組成的電流密勒電路在充電回路中產生充電電流,電流大小由R2和VR1確定。低頻調制信號與偏流IB疊加后使振蕩頻率改變。


返回頂部
刷新頁面
下到頁底