開爾文電橋又稱“雙臂電橋”,是一種利用電位比較的方法進行測量的儀器,具有很高的靈敏度和準確性,在電測技術和自動控制測量應用極為廣泛。而開爾文電橋又是惠斯通電橋的變形,在測量小阻值電阻(通常<1歐)時具有相當高的準確度,適于測量10-5~10Ω低阻值電阻。
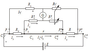
1862年英國的W.湯姆孫在研究利用單比電橋測量小電阻遇到困難時,發現引起測量產生較大誤差的原因是引線電阻和連接點處的接觸電阻。這些電阻值可能遠大于被測電阻值。因此,他提出了如圖1所示的橋路,被稱為湯姆孫電橋。后因他晉封為開爾文勛爵,故又稱開爾文電橋。圖中R3、R4分別是標準電阻與被測小電阻器,R1、R2是形成所需比值的兩橋臂。r是跨線電阻(包括R3、R4兩電阻器間的引線電阻、接觸電阻及內部連線電阻)。為獲得準確的測量結果,消除r的影響,須將r按R1和R2的同樣比例分配給R3和R4,R姈和R娦就是為此目的而設置的。在電橋調平衡時,應保直流電橋持R姈、R娦的比值一直與R1R2的比值相等。由于這一特點,這種橋路又稱雙比電橋。所測電阻值可低到毫歐級或更小。根據雙比電橋原理又發展出史密斯電橋,三平衡電橋和四跨線電橋等,使得采用橋路測小電阻的理論與實踐臻于完善。

開爾文電橋(雙電橋)測低電阻的原理:
單電橋測幾歐姆的低電阻時,由于引線電阻和接觸電阻(約10-2~10-4Ω),已經不可忽略,致使測量值誤差較大。改進辦法是將其中的低電阻橋臂改為四端接法,并增接一對高電阻(如圖2)。
圖2四線接法等效電路圖

改用四線接法后的等效電路為圖1。r1,r2串聯在電源回路中,其影響可忽略。r3,r4接高電阻,其影響也可忽略。
實際的電路如圖3 雙臂電橋原理圖:

由電路方程解得
使r盡量小,并將兩對比率臂做成聯動機構,盡量使
則
。
1.測量范圍共分三檔 a.×0.1 0~2.17×10 Ω
b. ×1.0 0~2.17×10 Ω
c. ×10 0~2.17×10 Ω
2.工作電流:4.0安培;
3.刻度尺分度:100格均勻刻度;
4.粗細均勻的黃銅棒電阻均勻分布,滑動觸頭接觸良好,調節方便;
5.比例臂電阻由誤差為±0.1%的8個標準電阻按一定順序排列構成;
6.待測金屬棒:黃銅棒、紫銅棒、鋁棒、鐵棒各一根;
7.儀器外形尺寸:500×250×60mm


返回頂部
刷新頁面
下到頁底