圖一所示是NPN三極管的 共射極電路,圖二所示是它的特性曲線圖,圖中它有3 種工作區域:截止區(Cutoff Region)、線性區 (Active Region) 、飽和區(Saturation Region)。三極管是以B 極電流IB 作為輸入,操控整個三極管的工作狀態。若三極管是在截止區,IB 趨近于0 (VBE 亦趨近于0),C 極與E 極間約呈斷路狀態,IC = 0,VCE = VCC。若三極管是在線性區,B-E 接面為順向偏壓,B-C 接面為逆向偏壓,IB 的值適中 (VBE = 0.7 V), I C =h F E I B 呈比例放大,Vce = Vcc -Rc I c = V cc - Rc hFE IB可被 IB 操控。若三極管在飽和區,IB 很大,VBE = 0.8 V,VCE = 0.2 V,VBC = 0.6 V,B-C 與B-E 兩接面均為正向偏壓,C-E間等同于一個帶有0.2 V 電位落差的通路,可得I c=( Vcc - 0.2 )/ Rc ,Ic 與 IB 無關了,因此時的IB大過線性放大區的IB 值, Ic<hFE IB 是必然的。三極管在截止態時 C-E 間如同斷路,在飽和態時C-E 間如同通路 (帶有0.2 V 電位降),因此可以作為開關。控制此開關的是 IB,也可以用 VBB 作為控制的輸入訊號。圖三、四分別顯示三極管開關的通路、斷路狀態,及其對應的等效電路。
圖1 NPN 三極管共射極電路 圖2 共射極電路輸出特性曲
圖3、截止態如同斷路線圖 圖4、飽和態如同通路
實驗:三極管的開關作用
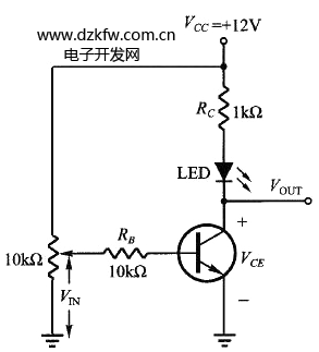
簡單三極管開關:電路如圖5,電阻RC是LED限流用電阻,以防止電壓過高燒壞LED(發光二極管),將輸入信號 VIN 從0 調到最大 (等分為約20 個間隔),觀察并記錄對的 VOUT 以及LED 的亮度。當三極管開關為斷路時,VOUT =VCC =12 V,LED 不亮。當三極管開關通路時,VOUT = 0.2V ,LED 會亮。改良三極管開關:因為三極管由截止區過度到飽和區需經過線性區,開關的效果不會有明確的界線。為使三極管開關的效果明確,可串接兩三極管,電路如圖六。同樣將輸入信號 VIN 從0 調到最大 (等分為約20 個間隔),觀察并記錄對應的VOUT 以及LED 的亮度。
以上可以看出幾乎任何一種型號三極管都可一做為電子開關來使用,如果條件允許也可用來控制加熱設備。可見開關三極管只是一個籠統的概念,不過市面上也有少數的專用開關三極管出售.






返回頂部
刷新頁面
下到頁底