電表的接線形式很多,有單相電表的接法,也有三相電表的接法;有直接接線式,也有經過電流互感器和電壓互感器接線的。但是總的來說,只有兩種回路:電壓回路和電流回路。電表接線的一般原則是:電流線圈與負載串聯,或接在電流互感器的二次側,電壓線圈與負載并聯或接在電壓互感器的二次側。
單相電表接線圖
單相電表的接線相對簡單明了。在低電壓小電流線路中,電表可直接接在線路上,如圖(A)所示。電表端蓋(即圖中標有1、2、3、4的那一排方框)都畫有接線圖,對于低電壓大電流中的線路中,電表電流線圈經電流互感器與負載相連,如圖(B)所示。國產DD862系列單相電表。
三相電表接線圖
三相電表有三相三線有功電表和三相四線有功電表之分。
- 三相三線有功電表的接線:三相三線有功電表(機械表)有兩個驅動部件組成,兩個鋁盤固定在一個轉軸上,稱二元件電表。對外共有8個接線端。其接線圖如右圖所示,(a)為直接接入,(b)為經過電流互感器接入的接線方法;
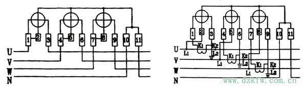
- 三相四線有功電表的接線:三相四線有功電表由三個驅動部件組成,稱三元件電表,和單相及三相三線電表外觀上最大的不同是其共有11個這么多接線端,此電表常用在動力和照明混合的供電電路。接線圖如下:
上圖(左)為三相四線有功電表直接接入,火線U、V、W分別接在1、4、7端,3、6、9端接負載,零線接10號端,11號端接負載另一端。
上圖(右)為三相四線有功電表經電流互感器接入,火線U、V、W分別接電流互感器一次側首端L1,一次側末端L2端接負載,電度表1、4、7端分別接電流互感器二次側首端K1,3、6、9端分別接二次側末端K2,電表2、5、8端分別接電流互感器一次側L1端,其連片應拆下。為保證安全,電流互感器二次側末端K2應分別接地。右圖為接線圖的模擬演示,大家注意電流互感器與電表的接線。


返回頂部
刷新頁面
下到頁底