一種簡單有效的鋰電池充電均衡電路
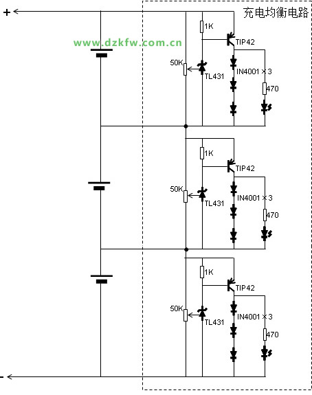
這個均衡電路用的是三個一模一樣的并聯穩壓電路組成的,每個電池上并一個。
電路原理圖如下:
每個穩壓電源都調節到4.2V。均衡的原理是,當電池電壓都小于4.2V時,并聯穩壓電路不起作用,充電電流都從電池上通過:
如果電池不均衡,其中有一個先充滿(到達了4.2V),那么并聯穩壓電路就開始工作,起到分流作用,會把電壓一直穩定到4.2V,即充電電流就不再經過充滿的電池了:
原理就這么簡單,再看看并聯穩壓電路的原理。下面是單個的電路,TL431是基準電壓,通過調節可變電阻,把電壓調節到4.2V。
如果電池兩端小于4.2V,TL431不吸收電流,即下面的Ib=0,所以Ic=0,三級管關閉,充電電流就還是通過電池。
如果電池兩端到達4.2V,TL431開始吸收電流,Ib>0,充電電流(即Ic)通過三極管,就不通過電池了,即不再給電池充電了。
另外說明一下,這個電路中的三個串聯的二極管IN4001,是起分壓作用的,可以減少散耗在三極管TIP42上的功率。如果不接這三個二極管IN4001,那么三極管TIP42上散耗的功率P=4.2V×充電電流,加上之后,P=(4.2V-3×0.7V)×充電電流。
最右邊的發光二極管有指示作用,燈亮,表示電壓已經達到4.2V,即這個均衡電路對應的電池已經充滿電了。
實際做好的電路板:
電路調試也比較簡單,就是先不接電池,均衡電路直接接恒流電源(如果電源不支持恒流,可以串一個電阻,慢慢的把電源電壓調上來)。然后一個一個調節可變電阻,讓每個均衡電路的兩端都是4.20V.
實際使用效果還不錯,每個電池電壓被嚴格限制到了4.20V。


返回頂部
刷新頁面
下到頁底