5G28運放內部電路圖,5G28 AMPLIFIER
關鍵字:5G28運放電路圖就
5G28運放內部電路圖5G28 AMPLIFIER
5G28中文資料,5G28管腳圖
【用 途】 單運算放大器 【性能 參數】 高輸入阻抗運放,BiFET型,電源電壓=15~-15V,功耗=100mW。 【互換 兼容】 LF153 LF155 F155 OP15 TDC0155A-CM F61 TD351 PM155
【用 途】 單運算放大器 【性能 參數】
高輸入阻抗運放,BiFET型,電源電壓=15~-15V,功耗=100mW。
【互換 兼容】
LF153 LF155 F155 OP15 TDC0155A-CM F61 TD351 PM155
高輸入阻抗運算放大器5G28具有結型場效應 ——雙極型相容工藝制作的單片集成電路,由于輸入級采用P溝道級型場效應晶體管構成,因而具有輸入阻抗高,轉換速率高等優點,電路可作微電流放大,阻抗變換,高速D/A轉換,高阻抗寬帶放大等各種電路,并兼有通用型運算放大器的其它優點。
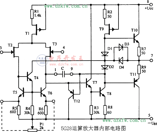
5G28運算放大器內部電路圖:
5G28運放組成的甚低頻有源濾波電路:
這是一個巴特沃茲四階有源低通濾波器,適用于濾除直流電平信號上的甚低頻隨機脈沖噪聲干擾電壓,其截止頻率(-3dB)約為8Hz,在18Hz處,增益下降20dB。通帶內固有衰減為0.467。輸入電阻約為40kΩ。濾波器網絡電阻均采用數個金屬膜精密電阻串聯而成。如果其中1μF電容能達到相當精度,則截止頻率fc接近理論值。


返回頂部
刷新頁面
下到頁底