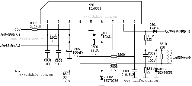
TDA8351引腳功能及應用電路圖
該電路摘自金星D2933F
1腳:2.4V——正相輸入端
2腳:2.4V——反相輸入端
3腳:16V——電源1
4腳:8V——輸出端(下)
5腳:0V——地
6腳:45V——電源2
7腳:8V——輸出端(上)
8腳:0.2V——場基準電流
9腳:8V——反饋輸入
TDA8351各引腳功能電壓參數資料
|
腳號 |
符號 |
直流電壓 |
紅筆接地/KΩ |
黑筆接地/KΩ |
功能說明 |
|
1 |
Id(pds) |
2.2 |
20.8 |
12.5 |
場激勵信號同相輸入端 |
|
2 |
Id(neg) |
2.2 |
20.5 |
12.5 |
場激勵信號反相輸入端 |
|
3 |
Vp |
14.5 |
19.0 |
6.8 |
電源 |
|
4 |
Vo(B) |
7.4 |
6.8 |
6.8 |
輸出電壓B |
|
5 |
GND |
0 |
0 |
0 |
地 |
|
6 |
VFB |
45 |
∞ |
6.7 |
回掃電源 |
|
7 |
Vo(A) |
7.5 |
6.5 |
6.8 |
輸出電壓A |
|
8 |
Vo(guard) |
0.8 |
19.5 |
14.1 |
保護電壓輸出 |
|
9 |
VI(fd) |
7.4 |
6.5 |
6.8 |
反饋電壓輸入 |


返回頂部
刷新頁面
下到頁底