CD40106由六個施密特觸發器電路組成。每個電路均為在兩輸入端具有施密特觸發器功能的反相器。觸發器在信號的上升和下降沿的不同點開、關。上升電壓(V T+)和下降電壓(V T-)之差定義為滯后電壓。
引腳功能
2 4 6 8 10 12 數據輸出端
1 3 5 9 11 13 數據輸入端
14 電源正
7 接地
自制一款有趣的變色燈,Color light
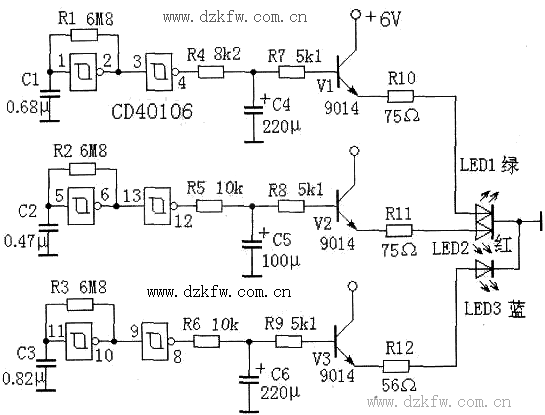
本制作通過分別控制紅、綠、藍3種顏色發光二極管的亮度,使燈珠發出各種顏色的光線,在夜晚猶如一顆不斷變色的夜明珠。電路如下圖所示。電路由脈沖發生器、三角波發生器、驅動電路和變色燈電路組成。
脈沖發生器電路由CD40106組成。40106是一個帶有施密特觸發器的6反相器,每個反相器可以組成一個脈沖振蕩器;本電路用3個反相器組成3個頻率各異的振蕩器,同時每個振蕩器由一個反相器輸出脈沖信號到三角波發生器。
三角波發生器的作用是把矩形波脈沖轉變為三角波,用來控制發光二極管的亮度產生漸變。一般可用電阻電容組成積分電路把方波變成近似的三角波。
驅動電路的作用是把三角波產生的漸變電壓轉變成漸變電流,控制發光二極管的亮度。
變色燈電路利用光的合成原理組成。例如紅色燈光和綠色燈光混合,就變成了黃色燈光;同時根據這兩種光的比例不同,還可產生出橙色、橙黃色的燈光。同理,紅色光與藍色光可以組成紫色光。如果是紅、綠、藍三種燈光同時發光,則可組成包括白色光在內的各種顏色的光。當這三種燈光的比例發生變化,產生燈光的色彩也會變化;從而得到成千上萬種顏色的光。本作品中,使用一種紅、綠雙色發光二極管發出紅、綠光,使用一個藍色發光二極管發出藍光。將它們發出的光線混合在一起,就得到了變色“夜明珠”。
1.脈沖電路的制作
CD40106施密特觸發器反相器的管腳接線與CD4069相同;每個反相器配合一個反饋電阻,一個充電電容就可以組成脈沖振蕩器,它的頻率計算比較復雜。在本電路中,由于電阻的取值比較大,超過了理論上的脈沖頻率計算公式的計算范圍,故不宜使用計算公式計算脈沖頻率。
可以用經驗公式來估算。脈沖振蕩的頻率與電阻和電容的乘積有關,這個時間常數越大,振蕩周期越長、頻率越低。本電路給出的數據產生的周期大約在2秒鐘左右。
所需注意的是3路振蕩器的頻率應有所差別,而且不宜采用倍頻的關系。例如一組振蕩器的周期是2秒,其他的振蕩器頻率不要取4秒、6秒。3路振蕩器的頻率有差別,可以產生出色彩變化多端的燈光。
2.三角波發生器電路
采用RC積分電路把方波變成近似的三角波,為了達到這一目的,要適當地選擇積分電路的時間常數;也就是這個積分常數要與前面的振蕩頻率相適應。因為電路采用了普通的電解電容,它的誤差較大。本作品積分電路的時間常數,也就是電阻與電容的乘積,時間大約為2秒鐘到3秒鐘。經過積分變換后,輸出到變色燈驅動電路三極管基極的電壓波形圖由下圖所示。從下圖可以看出,隨著時間的變化,紅、綠、藍三種燈光的驅動電壓之間的比例也隨之產生變化,滿足驅動燈珠發出各種顏色光的要求。
自制一款有趣的變色燈Color light
3.變色燈驅動電路
變色燈電路必須產生三種亮度可變的單色燈光,再將三種光線混合成一種彩色光。
發光二極管的特點是非線性。通過它的電流可以在1mA到20mA的范圍內發生變化,但是加在它上面的電壓卻基本保持不變。也就是說它的交流阻抗遠遠小于它的直流阻抗。怎樣讓一個按照三角波變化的電壓控制一個發光二極管的亮度呢?這里采用了三極管共集電極放大電路解決這一問題。三極管共集電極放大器的原理是可以把電流放大,而且它的輸入阻抗很高,輸出阻抗很低。從另一個角度說,共集電極放大電路的電壓放大倍數是1.也就是輸出電壓等于輸入電壓;所以這種電路也叫“電壓跟隨器”。在共集電極輸出電路中,把每個發光二極管串聯一個降壓電阻,接到共集電極放大電路的輸出端一一三極管的發射極:這樣就可以通過調整三極管的輸入電壓,改變發光二極管的導通電流,進而調整燈光亮度。
4.怎樣得到混合燈光
需要手工制作這種可以發出各種色彩的“全色”燈。用一只紅色和綠色的雙色發光二極管;這種器件內部有兩種顏色的發光二極管,燈體為乳白色的,可以將光線混合起來,使燈珠發出紅色、綠色或橙黃色的光線。雙色管有3個電極;紅色、綠色發光二極管共用一個陰極;一般陰極在中間,兩邊的是陽極。取一個直徑10毫米的紅綠雙色二極管,然后它的底部電極旁邊打一個直徑3毫米的洞,深度要保證能夠將一個3毫米的藍色發光二極管嵌入即可;如右圖所示。組裝好后將藍色管的負極與雙色管的負極焊接起來,就制作成了一個三色發光二極管。



返回頂部
刷新頁面
下到頁底