用西門子plc S7-200實現小車往返的自動控制 ,控制過程如下:
按下啟動按鈕 ,小車從左邊往右邊(右邊往左邊運動), 當運動到右邊(左邊)碰到右邊(左邊)的行程開關后,小車自動做返回運動,當碰到另一邊的行程開關后,再次做返回運動 。如此往返運動,直到當按下停車按鈕后小車停止運動。
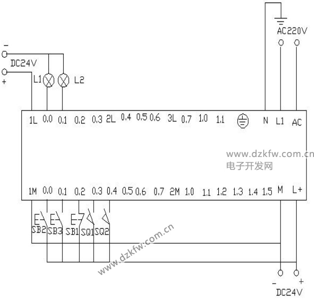
1、往返小車電氣接線圖
2、往返小車I/O分配表
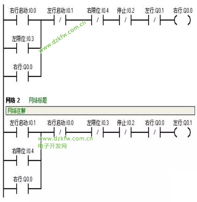
3、梯形圖程序
4、PLC接線圖
5、程序調試及結果分析
▲控制平臺操作面板
當按下SB2即i0.0(鼠標點擊i0.0f)接通后,Q0.0接通,小車右行(即指示 燈 Q0.0 亮)。當小車運行碰到右限位開關SQ2即i0.4(用鼠標點擊i0.4f,模擬SQ2被壓下)接通,此時小車左行(指示燈Q0.0滅,指示燈Q0.1亮),當運行到左邊碰到左限位SQ1即i0.3(鼠標點擊i0.3f)接通,此時小車又往右運行(指示燈Q0.1滅,指示燈Q0.0 亮)。如此往返運動下去,直到按下SB1即i0.2(鼠標點i0.2f)接通,小車停止運行。
附:


返回頂部
刷新頁面
下到頁底