(1)周期可調的脈沖信號發生器
如圖1所示采用定時器T0產生一個周期可調節的連續脈沖。當X0常開觸點閉合后,第一次掃描到T0常閉觸點時,它是閉合的,于是T0線圈得電,經過1s的延時,T0常閉觸點斷開。T0常閉觸點斷開后的下一個掃描周期中,當掃描到T0常閉觸點時,因它已斷開,使T0線圈失電,T0常閉觸點又隨之恢復閉合。這樣,在下一個掃描周期掃描到T0常閉觸點時,又使T0線圈得電,重復以上動作,T0的常開觸點連續閉合、斷開,就產生了脈寬為一個掃描周期、脈沖周期為1s的連續脈沖。改變T0的設定值,就可改變脈沖周期。

圖1 周期可調的脈沖信號發生器
a)梯形圖 b)時序圖
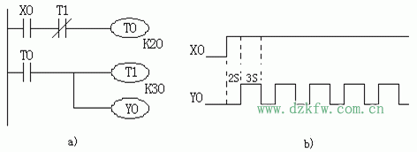
(2)占空比可調的脈沖信號發生器
如圖2所示為采用兩個定時器產生連續脈沖信號,脈沖周期為5秒,占空比為3:2(接通時間:斷開時間)。接通時間3s,由定時器T1設定,斷開時間為2s,由定時器T0設定,用Y0作為連續脈沖輸出端。

圖2 占空比可調的脈沖信號發生器
a)梯形圖 b)時序圖
(3)順序脈沖發生器
如圖3a所示為用三個定時器產生一組順序脈沖的梯形圖程序,順序脈沖波形如圖3b所示。當X4接通,T40開始延時,同時Y31通電,定時l0s時間到,T40常閉觸點斷開,Y31斷電。T40常開觸點閉合,T41開始延時,同時Y32通電,當T41定時15s時間到,Y32斷電。T41常開觸點閉合,T42開始延時.(www.tsxfzk.com 版權所有)同時Y33通電,T42定時20s時間到,Y33斷電。如果X4仍接通,重新開始產生順序脈沖,直至X4斷開。當X4斷開時,所有的定時器全部斷電,定時器觸點復位,輸出Y31、Y32及Y33全部斷電。

圖3 順序脈沖發生器
a)梯形圖 b)時序圖
2.斷電延時動作的程序
大多數plc的定時器均為接通延時定時器,即定時器線圈通電后開始延時,待定時時間到,定時器的常開觸點閉合、常閉觸點斷開。在定時器線圈斷電時,定時器的觸點立刻復位。
如圖4所示為斷開延時程序的梯形圖和動作時序圖。當X13接通時,M0線圈接通并自鎖,Y3線圈通電,這時T13由于X13常閉觸點斷開而沒有接通定時;當X13斷開時,X13的常閉觸點恢復閉合,T13線圈得電,開始定時。經過10s延時后,T13常閉觸點斷開,使M0復位,Y3線圈斷電,從而實現從輸入信號X13斷開,經10s延時后,輸出信號Y3才斷開的延時功能。

圖4 斷電延時動作的程序
a)梯形圖 b)時序圖
3.多個定時器組合的延時程序
一般PLC的一個定時器的延時時間都較短,如FX系列PLC中一個0.1s定時器的定時范圍為0.1~3276.7s,如果需要延時時間更長的定時器,可采用多個定時器串級使用來實現長時間延時。定時器串級使用時,其總的定時時間為各定時器定時時間之和。
如圖5所示為定時時間為1h的梯形圖及時序圖,輔助繼電器M1用于定時啟停控制,采用兩個0.1s定時器T14和T15串級使用。當T14開始定時后,經1800s延時,T14的常開觸點閉合,使T15再開始定時,又經1800s的延時,T15的常開觸點閉合,Y4線圈接通。從X14接通,到Y4輸出,其延時時間為1800s+1800s=3600s=1h。

圖5 用定時器串級的長延時程序
a)梯形圖 b)時序圖


返回頂部
刷新頁面
下到頁底