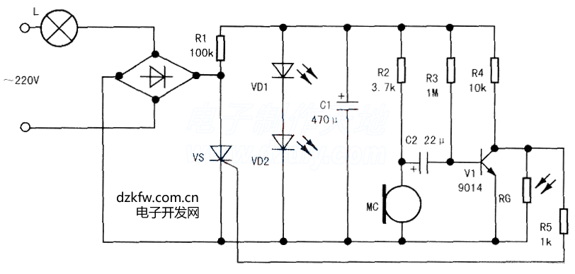
電路原理如下:被控制的對象是普通燈泡(適合100W以下的燈泡),220V交流電與燈泡串聯后接整流全橋,經整流全橋后得到脈動直流電,提供給晶閘管vs和控制電路使用。由于脈動直流電壓在200V左右則通過R1(150k)降壓后提供給控制電路使用,VD1在此具有雙重作用,利用它的正向特性穩壓,同時利用工作時發光作電源指示燈。C1為濾波電容與VD1配合,為控制電路提供穩定的直流電(約1.5—2V之間)。
控制電路由R2、MC駐極體話筒、C2、R3、R4、VT1(9014三極管)組成。白天或周圍環境光線較強時,光敏電阻的阻值約1kΩ左右,由電路可知,光敏電阻與VT1的c、e兩極并聯,因此VT1的集電極電壓始終處于低電位,此時即便有聲響,電路也無反應,正好符合了白天不工作的要求。而到了夜晚,光敏電阻的阻值上升到1MΩ左右,對VT1解除了鉗位作用,此時VT1處于放大狀態,如果無聲響,VT1的集電極仍為低電位,晶閘管因無觸發電壓而關斷。當拍手時聲音信號被MC接受,駐極體話筒兩端電壓變小,通過C2影響VT1基極電位下降,使集電極電位上升,觸發晶閘管導通(燈亮)。
因為VT1基極電位的下降,導致C2通過R3緩慢的充電,使VT1的基極電位回到原來使VT1正常放大的狀態,晶閘管關斷,電燈熄滅。
對元器件的要求:整流全橋采用1A600V(或4只1N4007);VS單向晶閘管1A600V;VT1(9013或9014均可);VD1發光二極管(型號不限);RG光敏電阻:亮阻1kΩ左右、暗阻1MΩ左右。
注意:當電路第一次接通電源時,會自動點亮,屬正常現象,這是電源接通瞬間產生脈沖電壓造成的誤觸發。另外需要說明的是R4的阻值越小靈敏度越高,如果燈泡無法延時熄滅,一般是由于R4阻值選取過小所至,經實驗取10kΩ可以滿足一般環境的要求。


返回頂部
刷新頁面
下到頁底