1.電路分析
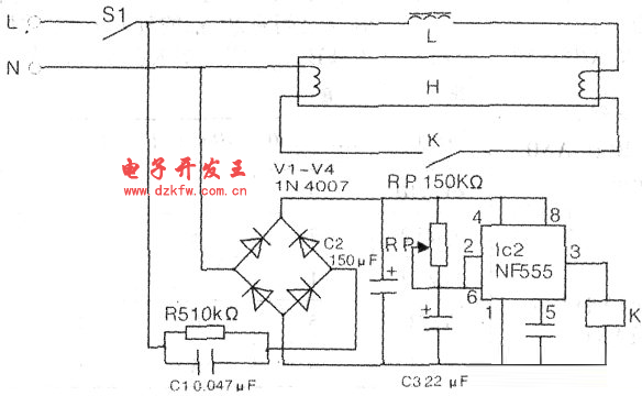
本電路工作原理如附圖所示。電路是由NE555集成電路及可變電阻RP、C3組成的延時電路,控制繼電器的延時斷開.實現開燈后幾秒內啟輝日光燈。其中R與Cl并聯起阻抗降壓作用,電源電壓經降壓后由Vl~V4橋式整流及C2濾波.作為NE555的工作電源。當合上開關Sl后,由于C3兩端電壓為零,則NE555的②、⑥腳為低電平,③腳輸出高電平使繼電器K吸合,此時日光燈燈絲通電預熱進行啟輝。同時,電源通過RP對C3充電,經過數秒后②、⑥腳呈高電平,NE555翻轉,③腳輸出低電平,繼電器K失電,日光燈汞蒸氣通電發光。
2.元器件選擇
R可用420kΩ的1/8W的碳膜電阻;Cl用0.047μF耐壓在630V以上滌綸電容,C2、C3分別用150μF、22μF的電解電容,C4用0.0lμF的瓷片電容:RP用l00kΩ的電位器;繼電器用9V的直流繼電器。整個電路可裝在一塊4cm×6cm的敷銅板上。根據電壓波動情況,調節RP以確定啟輝過程的時間。裝好后用膠帶封好,置于日光燈燈座內即可。一裝即成,有興趣的朋友不妨試一試。
本文制作的自動電子啟輝電路,方便、可靠、實用,即使電壓較低也可以點亮日光燈,不但一開即亮.而且還能延長燈管的使用壽命。


返回頂部
刷新頁面
下到頁底