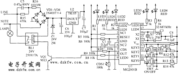
現在用的門燈多為手動開關控制,經常因忘記開燈或關燈造成不便和電能浪費。若能增加光控和定時功能就能達到自動化及節電效果。選用現成的光控定時ICMG2001B,它是廉價的1h~36h9擋可選定時、延時IC,外圍電路簡單,帶有指示燈驅動口,光敏電阻接口,采用廉價的32.768kHz晶體作時鐘源,時間準確度達十萬分之一以上,非常適合制作路燈自動控制電路。根據實際情況,選用其基本的4擋定時(1h、3h、5h、8h)加一擋開關功能,組成一個5擋光控定時器電路,再裝入普通5擋開關面殼內,制成5擋光控定時開關,用其來控制門燈或路燈。電路如圖所示。


返回頂部
刷新頁面
下到頁底