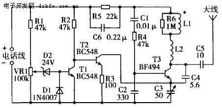
該發射器由自動開關和調頻發射機兩部分組成。自動開關部分由R1~R3、微調電位器VR1、晶體管T1、T2、穩壓管D2和二極管D1等組成。R1與VR1組成分壓器,當電話線的直流電壓為48V時,VR1的輸出電壓為0~32V。電路工作狀態的轉換取決于穩壓管D2的擊穿電壓(此處為24V) 與T1的導通電壓(0.7V),因此將VR1的輸出調至24.7v時,就會使D2擊穿和T1導通,此時T1的集電極電位降低,T2截止。若拿起電話機的手柄,則電話線電壓降到約11V,T1截止,T2導通,T3直流通路得以形成,電路起振。
小功率調頻信號發射器由晶體管T3、線圈L1等組成,T2起電子開關(接通/斷開)的作用,電話線上的音頻信號沿晶體管T2及串聯電阻R3,對振蕩頻率進行調制,調制后的高頻信號送到天線發射。只要調頻接收機調諧到調頻發射器的發射頻率,就能聽到雙方的通話。
L1用SWG36號漆包線在1MΩ、1W 的電阻上繞45匝,L2為直徑12mm的空心線圈,用SWG21號漆包線繞3匝。
該電路的直流電源取自電話線,無需外接電源,由于電路耗電很小,不影響電話的正常工作。該發射器調試完畢后,可裝在3.75×5cm的盒內。


返回頂部
刷新頁面
下到頁底