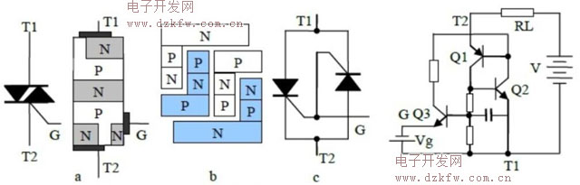
雙向可控硅原理
“雙向可控硅”:是在普通可控硅的基礎上發展而成的,它不僅能代替兩只反極性并聯的可控硅,而且僅需一個觸發電路,是比較理想的交流開關器件。其英文名稱TRIAC即三端雙向交流開關之意。
先看下圖的工作原理:
如果想簡單一點只要記住一句話即可,只要在G端有信號,那么T1-T2這條路就是通的,只有G在零點的時候才不會導通,主要來看一下應用吧。
來看一個電路圖,其實雙向可控硅多數用在交流電路中。
簡單介紹一下,Q5是三極管,U2是個光耦,BT1就是雙向可控硅,R144是一個壓敏電阻,正常工作時候相當于斷路,超過470V才起作用,CN5接負載,也就是說我只要給AirPumpSwitch一個信號,可控硅就是導通的了,不管是在交流電正負部分。
雙向可控硅特點及應用
雙向可控硅可被認為是一對反并聯連接的普通可控硅的集成,工作原理與普通單向可控硅相同。雙向可控硅有兩個主電極T1和T2,一個門極G,門極使器件在主電極的正反兩個方向均可觸發導通,所以雙向可控硅在第1和第3象限有對稱的伏安特性。雙向可控硅門極加正、負觸發脈沖都能使管子觸發導通,因此有四種觸發方式。雙向可控硅應用為正常使用雙向可控硅,需定量掌握其主要參數,對雙向可控硅進行適當選用并采取相應措施以達到各參數的要求。
·耐壓級別的選擇:通常把VDRM(斷態重復峰值電壓)和VRRM(反向重復峰值電壓)中較小的值標作該器件的額定電壓。選用時,額定電壓應為正常工作峰值電壓的2~3倍,作為允許的操作過電壓裕量。
·電流的確定:由于雙向可控硅通常用在交流電路中,因此不用平均值而用有效值來表示它的額定電流值。由于可控硅的過載能力比一般電磁器件小,因而一般家電中選用可控硅的電流值為實際工作電流值的2~3倍。同時,可控硅承受斷態重復峰值電壓VDRM和反向重復峰值電壓VRRM時的峰值電流應小于器件規定的IDRM和IRRM。
·通態(峰值)電壓VTM的選擇:它是可控硅通以規定倍數額定電流時的瞬態峰值壓降。為減少可控硅的熱損耗,應盡可能選擇VTM小的可控硅。
·維持電流:IH是維持可控硅保持通態所必需的最小主電流,它與結溫有關,結溫越高,則IH越小。
·電壓上升率的抵制:dv/dt指的是在關斷狀態下電壓的上升斜率,這是防止誤觸發的一個關鍵參數。此值超限將可能導致可控硅出現誤導通的現象。由于可控硅的制造工藝決定了A2與G之間會存在寄生電容。
雙向可控硅好壞判斷
方法一:
測量極間電阻法。將萬用表置于皮Rx1k檔,如果測得T2-T1、T2-G之間的正反向電阻接近∞,而萬用表置于Rx10檔測得T1-G之間的正反向電阻在幾十歐姆時,就說明雙向可控硅是好的,可以使用;反之,若測得T2-T1,、T2-G之間的正反向電阻較小甚或等于零,而T1-G之間的正反向電阻很小或接近于零時,就說明雙向可控硅的性能變壞或擊穿損壞。不能使用;如果測得T1-G之間的正反向電阻很大(接近∞)時,說明控制極G與主電極T1之間內部接觸不良或開路損壞,也不能使用。
方法二:
檢查觸發導通能力。萬用表置于Rx10檔:①如圖,1(a)所示, 用黑表筆接主電極T2,紅表筆接T1,即給T2加正向電壓,再用短路線將G與T1(或T2)短接一下后離開,如果表頭指針發生了較大偏轉并停留在一固定位置,說明雙向可控硅中的一部分(其中一個單向可控硅)是好的,如圖1(b)所示, 改黑表筆接主電極T1,紅表筆接T2,即給T1加正向電壓,再用短路線將G與T1(或T2)短接一下后離開,如果結果同上,也證明雙向可控硅中的另一部分(其中的一個單向可控硅是好的。測試到止說明雙向可控硅整個都是好的,即在兩個方向(在不同極性的觸發電壓證)均能觸發導通。
方法三:
檢查觸發導通能力。如圖2所示,取一只10uF左右的電解電容器,將萬用表置于Rx10k檔(V電壓),對電解電容器充電3~5s后用來代替圖1中的短路線,即利用電容器上所充的電壓作為觸發信號,然后再將萬用表置于Rx10檔,照圖2(b)連接好后進行測試。測試時,電容C的極性可任意連接,同樣是碰觸一下后離開,觀察表頭指針偏轉情況,如果測試結果與“方法二’相同,就證明雙向可控硅是好的。
應用此法判斷雙向可控硅的觸發導通能力更為可靠。由于電解電容器上充的電壓較高,使觸發信號增大,更利于判斷大功率雙向可控硅的觸發能力。


返回頂部
刷新頁面
下到頁底