橋式整流電路原理
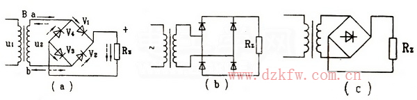
上圖(a)所示,當變壓器B次級電壓u2為正半周時,即a端電壓為正,b端電壓為負,二極管V1、V3承受正向電壓而導通,二極管V2、V4承受反向電壓截止,電流通道為:a→V1→R2→V3→b完成回路,于是負載Rz上得到一組半波電壓。當U2電壓為負半周時,變壓器次級的a端電位為負,b端電位為正,二極管V2、V4承受正向電壓而導通,而V1、V3承受反向電壓截止,電流通道為b→V2→Rz→V4→a完成回路,負載上又得到一個與上半周相同方向的半波電壓。這樣,在一個周期內,負載Rz上得到了兩個半波。如下右圖所示為單相橋式整流的電壓電流波形圖。
負載電壓Uz的平均值為:Uz=0.9U2
橋式整流與全波整流的區別
橋式整流電路與前面的全波整流電路比較,在同樣負載或同樣輸出電壓、電流時,橋式電路的變壓器不用中心抽頭,利用率高,且副邊電壓可低一半;整流管中流過的電流相同,但每只二極管所承受的反向電壓卻低了一倍。只是橋式整流電路中要相對多使用兩只二極管。


返回頂部
刷新頁面
下到頁底