電容的用途非常多,主要有如下幾種:
-
隔直流:作用是阻止直流通過而讓交流通過。

2.旁路(去耦):為交流電路中某些并聯的元件提供低阻抗通路。

3.耦合:作為兩個電路之間的連接,允許交流信號通過并傳輸到下一級電路 。


用電容做耦合的元件,是為了將前級信號傳遞到后一級,并且隔斷前一級的直流對后一級的影響,使電路調試簡單,性能穩定。
如果不加電容交流信號放大不會改變,只是各級工作點需重新設計,由于前后級影響,調試工作點非常困難,在多級時幾乎無法實現。
4.濾波:這個對 電路而言很重要,CPU背后的電容基本都是這個作用。

即頻率f越大,電容的阻抗Z越小。當低頻時,電容C由于阻抗Z比較大,有用信號可以順利通過;當高頻時,電容C由于阻抗Z已經很小了,相當于把高頻噪聲短路到GND上去了。

5.溫度補償:針對其它元件對溫度的適應性不夠帶來的影響,而進行補償,改善電路的穩定性。

分析:由于定時電容的容量決定了行振蕩器的振蕩頻率,所以要求定時電容的容量非常穩定,不隨環境濕度變化而變化,這樣才能使行振蕩器的振蕩頻率穩定。因此采用正、負溫度系數的電容釋聯,進行溫度互補。
當工作溫度升高時,Cl的容量在增大,而C2的容量在減小,兩只電容并聯后的總容量為兩只電容容量之和,由于一個容量在增大而另一個在減小,所以總容量基本不變。
同理,在溫度降低時,一個電容的容量在減小而另一個在增大,總的容量基本不變,穩定了振蕩頻率,實現溫度補償目的。
6.計時:電容器與電阻器配合使用,確定電路的時間常數。

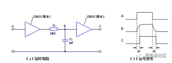
輸入信號由低向高跳變時,經過緩沖1后輸入RC電路。電容充電的特性使B點的信號并不會跟隨輸入信號立即跳變,而是有一個逐漸變大的過程。當變大到一定程度時,緩沖2翻轉,在輸出端得到了一個延遲的由低向高的跳變。
7. 調諧:對與頻率相關的電路進行系統調諧,比如手機、收音機、電視機。

變容二極管的調諧電路
因為lc調諧的振蕩電路的諧振頻率是lc的函數,我們發現振蕩電路的最大與最小諧振頻率之比隨著電容比的平方根變化。此處電容比是指反偏電壓最小時的電容與反偏電壓最大時的電容之比。因而,電路的調諧特征曲線(偏壓一諧振頻率)基本上是一條拋物線。
8. 整流:在預定的時間開或者關半閉導體開關元件。


9. 儲能:儲存電能,用于必須要的時候釋放。例如相機閃光燈,加熱設備等等.(如今某些電容的儲能水平己經接近鋰電池的水準,一個電容儲存的電能可以供一個手機使用一天。



返回頂部
刷新頁面
下到頁底