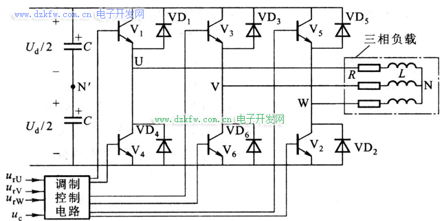
如上圖所示為三相橋式PWM逆變電路,功率開關器件為GTR,負載為電感性。從電路結構上看,三相橋式PWM變頻電路只能選用雙極性控制方式,其工作原理如下:
三相調制信號urU、urV和urW為相位依次相差120°的正弦波,而三相載波信號是公用一個正負方向變化的三角形波uc,如圖6-23所示。U、V和W相自關斷開關器件的控制方法相同,現以U相為例:在urU>uc的各區間,給上橋臂電力晶體管V1以導通驅動信號,而給下橋臂V4以關斷信號,于是U相輸出電壓相對直流電源Ud中性點N’為uUN’ =Ud/2。在urU<uc的各區間,給V1以關斷信號,V4為導通信號,輸出電壓uUN’ =-Ud/2。電路中VD1~VD6二極管是為電感性負載換流過程提供續流回路,其它兩相的控制原理與U相相同。三相橋式PWM變頻電路的三相輸出的PWM波形分別為uUN’、uVN’和uWN’。


返回頂部
刷新頁面
下到頁底