筆者熱衷制作,用單片機做一個簡單有趣的廚房定時器,既解決了實際的問題,又滿足了愛好實踐的愿望,于是就有了本文的這個制作。這個電路十分簡單,可以使用洞洞板直接焊接電路,制作用不了半天,無需調節,非常適合初學者練手制作。
該制作以5分鐘為一個計時單位,最多計時1小時,3V電池做電源,有蜂鳴器報警,工作時功耗為6mA左右(使用AT89C2051),可以使用3V鈕扣電池,具有自動關機功能,不運行時耗電量可以忽略不計,單鍵操作,簡單方便。
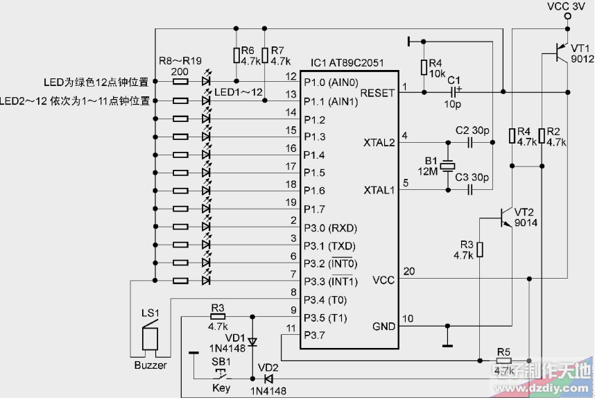
電路圖
各種元件
簡單規劃元件排布和走線

焊接正面圖

焊接背面圖

制作完成后的定時器
VT1為PNP的9012,當電路不工作時VT1的B極由R4得到高電平,VT1截止,AT89C2051無法從VT1的E極得到電源。當 SW1按下時,VT1的B極通過VD2和SB1接地,由高電平轉為低電平,VT1導通。此時AT89C2051得電,同時通過C1,R4復位。復位成功后 P3.7升為高電平,使得VT2導通,從而使VT1的B極保持低電平狀態,這時就算松開SB1,VT1也不會截止而導致MCU失電。當AT89C2051 有關機指令時,P3.7引腳會被拉低,此時VT2截止,VT1的B極電壓因此升高,VT1也截止,AT89C2051失電。SB1起到了開關電源和設置的作用。在AT89C2051沒有得電時,SB1和VD2組成電源啟動電路,AT89C2051得電后SB1和VD1組成功能鍵電路。VD1、VD2的作用是防止在3V 的VCC接通時的瞬間電路自動開機。 R8~R19是LED限流電阻。R6~R7是針對P1.0、P1.1增加的上拉電阻。C1復位電容可以選擇4.7~22μF的電解電容。如果不需要自動斷電功能,可以去掉VT1、VT2、R2~R5、VD1、VD2,VD2去掉后換成導線,3V 的VCC加裝一電源開關連到AT89C2051的VCC引腳。
本文的單片機代碼使用了時間觸發任務的編程方式,使用單片機上的定時器以20ms為時標,在每個時標到達時觸發一次計時,同時也用作按鍵讀取和LED顯示。這樣,不但可以使單片機代碼準確地實現計時功能,同時也使其更簡潔易讀且更方便修改、擴展功能。
本制作只有1個按鈕,12個LED代表時鐘的12個數字,使用方法極其簡單,裝上電池后電路處于關閉狀態。按鍵一次后,電源開啟,再按時則進行定時設置,每按一次,LED則跳到下一個LED,定時值加5min,停止按鍵幾秒后,會自動進入計時狀態,LED會以跑馬燈的形式指示當前計時及目標計時等,計時完成后,蜂鳴器響20s后自動斷電。在計數和蜂鳴的時候,再次按鍵則會停止工作并斷電。


返回頂部
刷新頁面
下到頁底