上一次課中,我們已經知道,程序中的符號R7、R6是代表了一個個的RAM單元,是用來放一些數據的,下面我們再來看一下其它符號的含義。
|
DELAY: MOV R7,#250 ;(6) D1: MOV R6,#250 ;(7) D2: DJNZ R6,D2 ;(8) DJNZ R7,D1 ;(9) RET ;(10) |
|
〈單片機延時程序〉
MOV:這是一條指令,意思是傳遞數據。說到傳遞,我們都很清楚,傳東西要從一本人的手上傳到另一本人的手上,也就是說要有一個接受者,一個傳遞者和一樣東西。從指令MOV R7,#250中來分析,R7是一個接受者,250是被傳遞的數,傳遞者在這條指令中被省略了(注意:并不是每一條傳遞指令都會省的,事實上大部份數據傳遞指令都會有傳遞者)。它的意義也很明顯:將數據250送到R7中去,因此執行完這條指令后,R7單元中的值就應當是250。在250前面有個#號,這又是什么意思呢?這個#就是用來說明250就是一個被傳遞的東西本身,而不是傳遞者。那么MOV R6,#250是什么意思,應當不用分析了吧。
DJNZ:這是另一條指令,我們來看一下這條指令后面跟著的兩個東西,一個是R6,一個是D2,R6我們當然已知是什么了,查一下D2是什么。D2在本行的前面,我們已學過,這稱之為標號。標號的用途是什么呢?就是給本行起一個名字。DJNZ指令的執行過程是這樣的,它將其后面的第一個參數中的值減1,然后看一下,這個值是否等于0,如果等于0,就往下執行,如果不等于0,就轉移,轉到什么地方去呢?可能大家已猜到了,轉到第二個參數所指定的地方去(請大家用自已的話講一下這條語句是怎樣執行的)。本條指令的最終執行結果就是,在原地轉圈250次。
執行完了DJNZ R6,D2之后(也就是R6的值等于0之后),就會去執行下面一行,也就是DJNZ R7,D1,請大家自行分析一下這句話執行的結果。(轉去執行MOV R6,#250,同時R7中的值減1),最終DJNZ R6,D2這句話將被執行250*250=62500次,執行這么多次同一條指令干嗎?就是為了延時。
一個問題:如果在R6中放入0,會有什么樣的結果。
二、時序分析:
前面我們介紹了延時程序,但這還不完善,因為,我們只知道DJNZ R6,D2這句話會被執行62500次,但是執行這么多次需要多長時間呢?是否滿足我們的要求呢?我們還不知道,所以下面要來解決這個問題。
先提一個問題:我們學校里什么是最重要的。(鈴聲)校長能出差,老師能休息,但學校一日無鈴聲必定大亂。整個學校就是在鈴聲的統一指揮下,步調一致,統一協調地工作著。這個鈴是按一定的時間安排來響的,我們能稱之為“時序��時間的次序”。一個由人組成的單位尚且要有一定的時序,計算機當然更要有嚴格的時序。事實上,計算機更象一個大鐘,什么時候分針動,什么時候秒針動,什么時候時針動,都有嚴格的規定,一點也不能亂。計算機要完成的事更復雜,所以它的時序也更復雜。
我們已知,計算機工作時,是一條一條地從ROM中取指令,然后一步一步地執行,我們規定:計算機訪問一次存儲器的時間,稱之為一個機器周期。這是一個時間基準,好象我們人用“秒”作為我們的時間基準一樣,為什么不干脆用“秒”,多好,很習慣,學下去我們就會知道用“秒”反而不習慣。
一個機器周期包括12個時鐘周期。下面讓我們算一下一個機器周期是多長時間吧。設一個單片機工作于12M晶體震蕩器,它的時鐘周期是1/12(微秒)。它的一個機器周期是12*(1/12)也就是1微秒。(請計算一個工作于6M晶體震蕩器的單片機,它的機器周期是多少)。
MCS-51單片機的所有指令中,有一些完成得比較快,只要一個機器周期就行了,有一些完成得比較慢,得要2個機器周期,還有兩條指令要4個機器周期才行。這也不難再解,不是嗎?我讓你掃地的執行要完成總得比要你完成擦黑板的指令時間要長。為了恒量指令執行時間的長短,又引入一個新的概念:指令周期。所謂指令周期就是指執行一條指令的時間。INTEL對每一條指令都給出了它的指令周期數,這些數據,大部份不需要我們去記憶,但是有一些指令是需要記住的,如DJNZ指令是雙周期指令。
下面讓我們來計算剛才的延時。首先必須要知道晶體震蕩器的頻率,我們設所用晶體震蕩器為12M,則一個機器周期就是1微秒。而DJNZ指令是雙周期指令,所以執行一次要2個微秒。一共執行62500次,正好125000微秒,也就是125毫秒。
如果你對上面幾句還是不懂請看這里的詳解:/Article/danpianji/1954.html
關于用C語言寫延時函數的詳解請看這:/Article/danpianji/1955.html
練習:設計一個延時100毫秒的延時程序。
要點分析:1、一個單元中的數是否能超過255。2、如何分配兩個數。
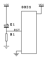
三、復位電路
一、復位方式
⒈ 復位條件
RST引腳保持2個機器周期以上的高電平。
⒉ 復位電路
⒊ 復位后CPU狀態
PC: 0000H TMOD: 00H
Acc: 00H TCON: 00H
B: 00H TH0: 00H
PSW: 00H TL0: 00H
SP: 07H TH1: 00H
DPTR:0000H TL1: 00H
P0~P3:FFH SCON: 00H
IP:×××00000B SBUF: 不定
IE:0××00000B PCON: 0×××0000B
任何單片機在工作之前都要有個復位的過程,復位是什么意思呢?它就象是我們上課之前打的預備鈴。預備鈴一響,大家就自動地從操場、其它地方進入教室了,在這一段時間里,是沒有老師干預的,對單片機來說,是程序還沒有開始執行,是在做準備工作。顯然,準備工作不需要太長的時間,復位只需要5ms的時間就能了。如何進行復位呢?只要在單片機的RST管腳上加上高電平,就能了,按上面所說,時間不少于5ms。為了達到這個要求,能用很多種辦法,這里供給一種供參考,見圖1。實際上,我們在上一次實驗的圖中已見到過了。
這種復位電路的工作原理是:通電時,電容兩端相當于是短路,于是RST管腳上為高電平,然后電源通過電阻對電容充電,RST端電壓慢慢下降,降到一定程序,即為低電平,單片機開始正常工作。



返回頂部
刷新頁面
下到頁底