三相電源斷電自投電路原理,備用電源自啟動電路,Three-phase power supply self-powered
關鍵字:備用電源啟動電路,三相電源斷電,自投電路
作者:劉春華
配電室的配電總柜經常會因地面振動,雷聲以及用電車間線路故障造成配電室配電總柜跳閘而斷電。致使車間生產受到影響,甚至造成產品損壞地。而配電室配電總柜需要先用手按住儲能按鈕進行儲能后,再按動合閘按鈕.才能將電源接通送至各個配電柜。下面介紹斷電后能自動投人的電源電路。
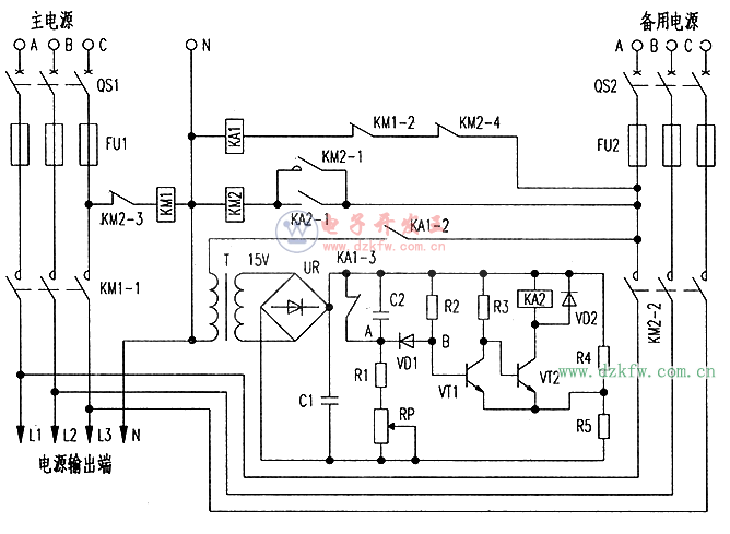
如圖所示,電路由主電源、備用電源、備用電源自投控制電路等幾部分電路組成。
1.主電源電路
通常情況下,將斷路器QS合上,主電源控制接觸器KM1得電吸合.其主觸點KM1-1閉合接通主電源。將主電源從L1、L2、L3端輸出。同時KM1的輔助觸點KM1-2斷開.備用電源在合上斷路器Q52后,使備用電源投入控制繼電器KA1不能吸合動作。從而不能接通備用電源自投控制電路電源.使備用電源不能與主電源同時接通。
2.備用電源電路
備用電源電路由斷路器Qs1、保險管FU2、備用電源控制接觸器KM2以及主觸點KM2-2組成.電源同樣由輸出端L1、L2、L3輸出。接觸器KM1、KM2各自依靠常閉觸點KM2-3、KM1-2相互聯鎖.這樣保證備用電源不能與主電源同時接通。
3.備用電源自投控制電路
該部分電路主要由備用電源投入控制繼電器KA1、控制變壓器T、整流濾波電路、延時電路及備用電源投入控制繼電器KA2等組成。
當主電源因地面振動、雷擊或其他原因,致使斷路器QS1跳閘而斷電,此時因C相無電.主電源控制接觸器KM1線圈失電釋放。其輔助觸點KM1-2復位閉合,接通繼電器KA1線圈電源.其輔助觸點KA1-2閉合,接通控制變壓器T的220v電源。經T降壓成15V交流電.由整流橋UR整流.電容器C1濾波.送延時電路和延時投入控制繼電器KA2使用。同時KA1的輔助觸點KA1-3斷開,延時電路中的C2通過R1、RP開始充電,電容C2開始充電瞬間A點的電壓高于B點電壓.二極管VD1反偏截止,晶體管VT1導通,VT2截止。隨著充電的進行.電容器C2下端A點處逐漸變負.電位低于B點電位,晶體管VT1截止.YT2導通.延時投入控制繼電器KA2線圈得電吸合,其輔助觸點KA2-1閉合,接通備用電源控制接觸器KM2線圈電源,并得電吸合。其輔助觸點KM2-1閉合自鎖,其主觸點KM2-2閉合.接通備用電源電路,并從Ll、L2、L3端輸出備用電源。同時輔助觸點KM2-4斷開.切斷備用電源投入控制繼電器KA1線圈電源且失電釋放。其輔助觸點KA1-2斷開.切斷備用電源投入控制電路電源.使投入控制電路中的延時電路和投入控制繼電器KA2都失去工作電源。KA2的輔助觸點KA2-1復位斷開,但此時接觸器KM2已自鎖,使備用電源能持續輸出,從而完成了備用電源自動投入的整個過程。
安裝時應注意,主電源A、B、C與備用電源A'B'C'是接于同一端子上.所以必須通過KM1、KM2可靠互鎖,主電源與備用電源不能同時接通,并要防止相間短路;延時電路中的電容器C2延時時間長短,可根據需要自行調節電位器RP來達到所需要的時間。


返回頂部
刷新頁面
下到頁底