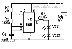
如圖電路正常工作時,兩只發光二極管將同時一閃一閃地發光。該電路的工作原理和有關報刊雜志介紹的555音頻振蕩器工作原理相仿,所不同的是將電容C1的容量增大到4.7uF。因此,電路的振蕩頻率很低,NE555的3腳電位高低變化的速度減慢。當3腳輸出高電平時,發光二極管VD1、VD2同時通電發光。當3腳輸出低電平時,兩只發光二極管都熄滅。電路中的R3電阻值越大,發光亮度越小;R3阻值越小,則發光亮度越大。
值得注意的是,R3阻值不宜太小,否則流過發光二極管的電流過大,電路耗電較大,對發光二極管會產生不利影響,甚至燒毀。通常,流過發光二極管的電流可控制在10~20mA之間為佳。


返回頂部
刷新頁面
下到頁底